GM Service Manual Online
For 1990-2009 cars only
Makes
🢒
Saturn
🢒
2005
🢒
VUE - FWD
🢒
Body
🢒
Wiring Systems
🢒 HVAC Schematics
Figure
1:
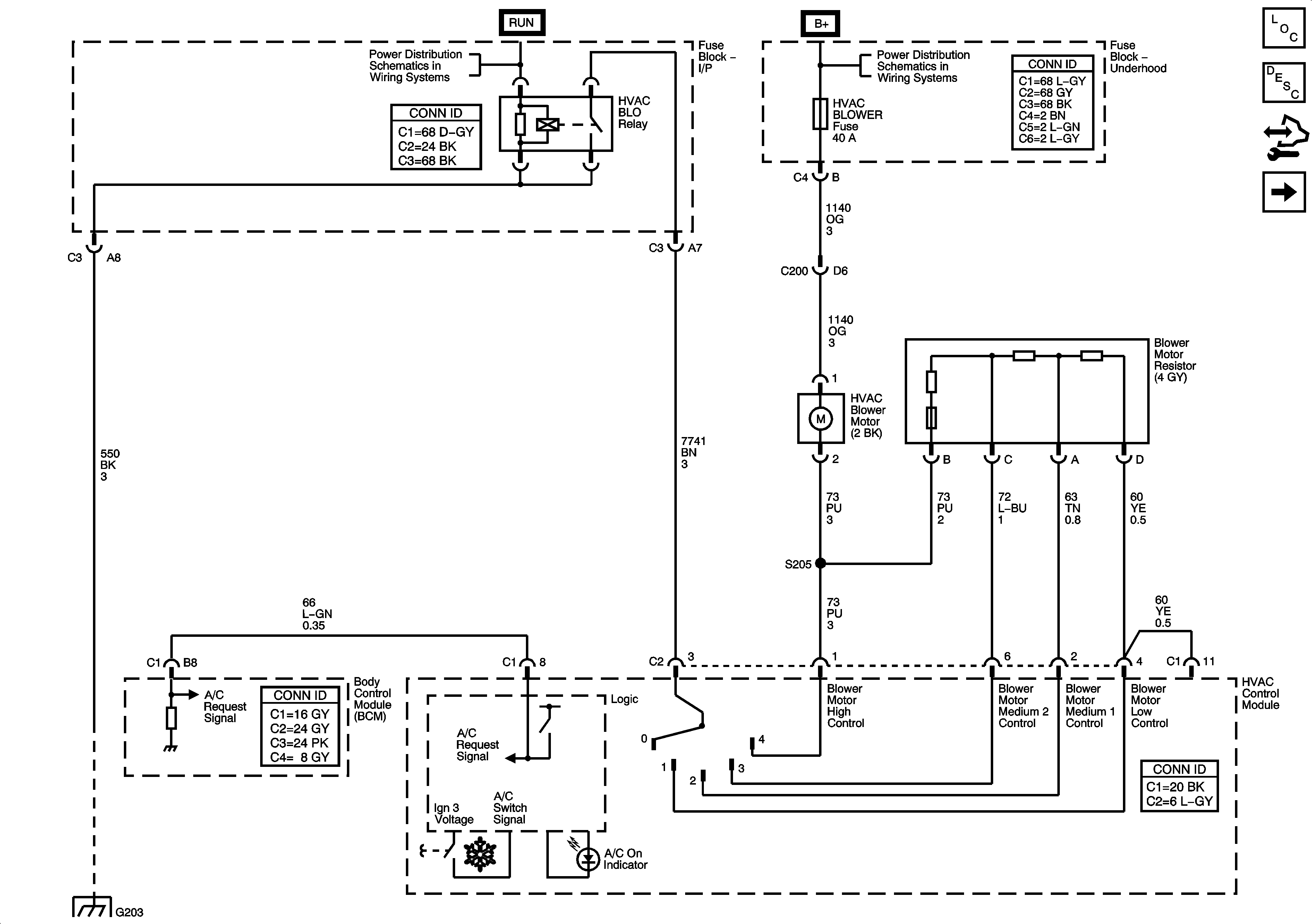
Blower Controls
Figure
2:
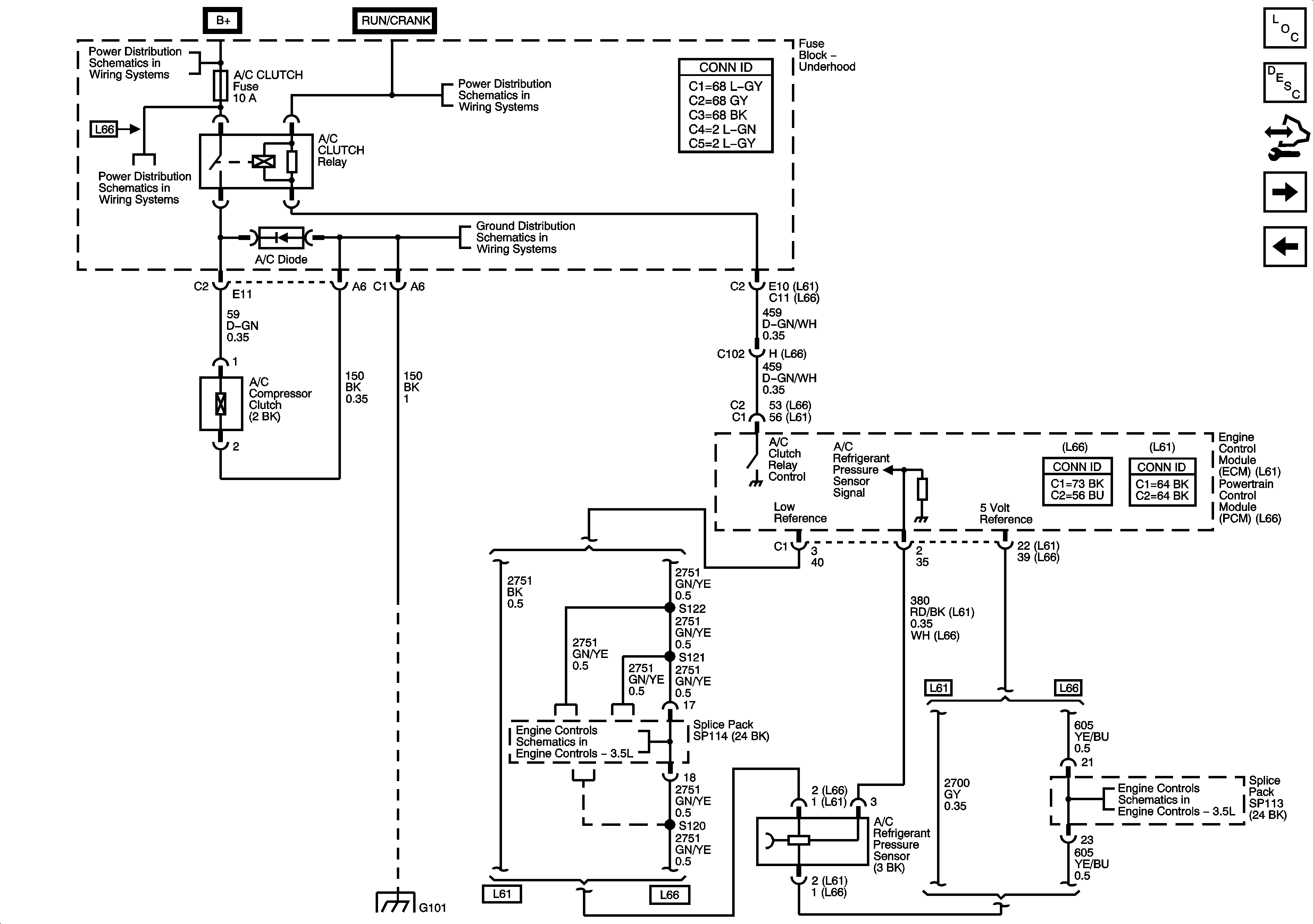
Compressor and Pressure Sensor Signals
Figure
3:
Actuators and Evaporator Temperature Sensor