GM Service Manual Online
For 1990-2009 cars only
Makes
🢒
Saturn
🢒
2005
🢒
VUE - FWD
🢒
Body
🢒
Wiring Systems
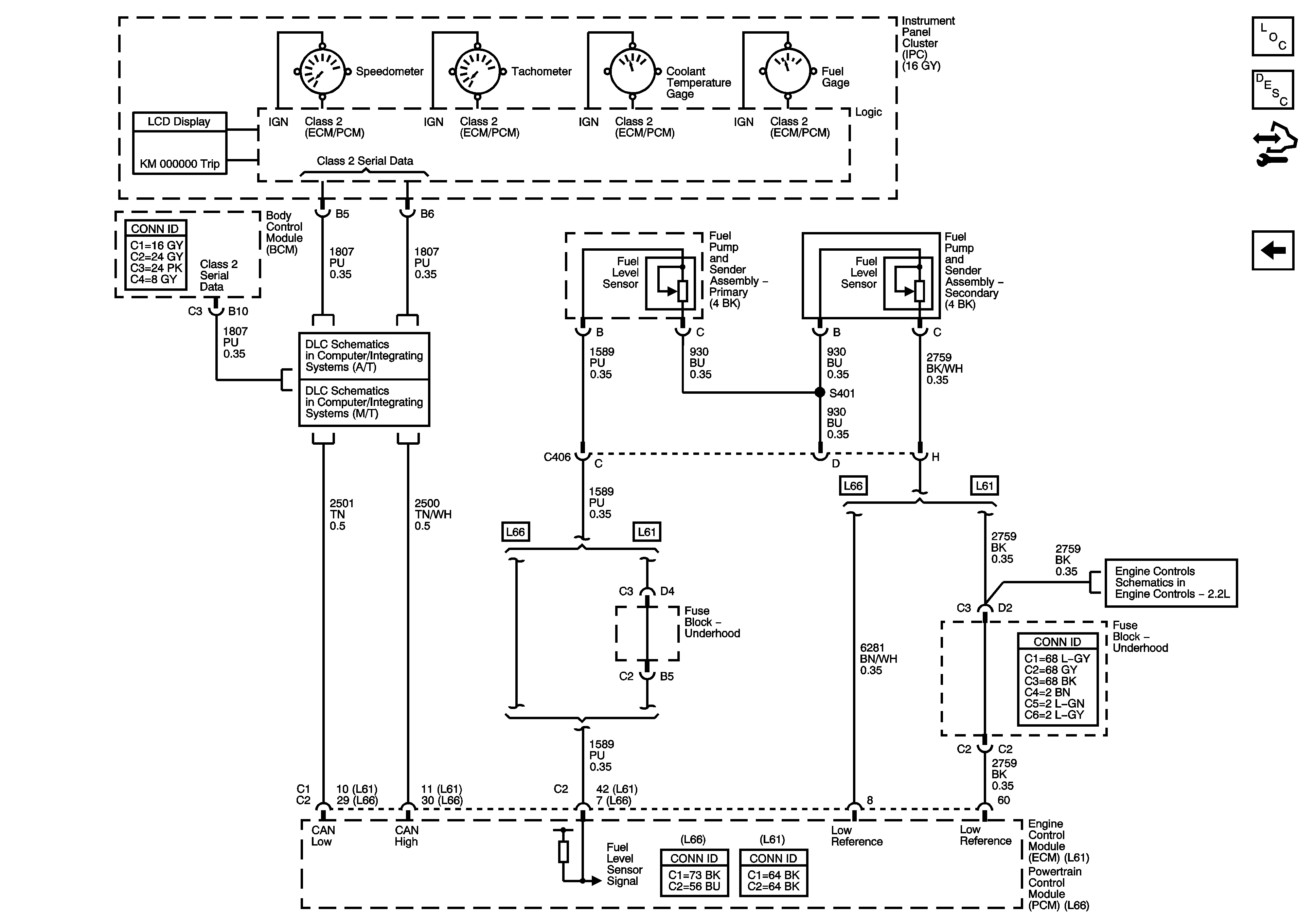
🢒 Instrument Cluster Schematics
Figure
1:
Indicators and Serial Data
Figure
2:
Gages