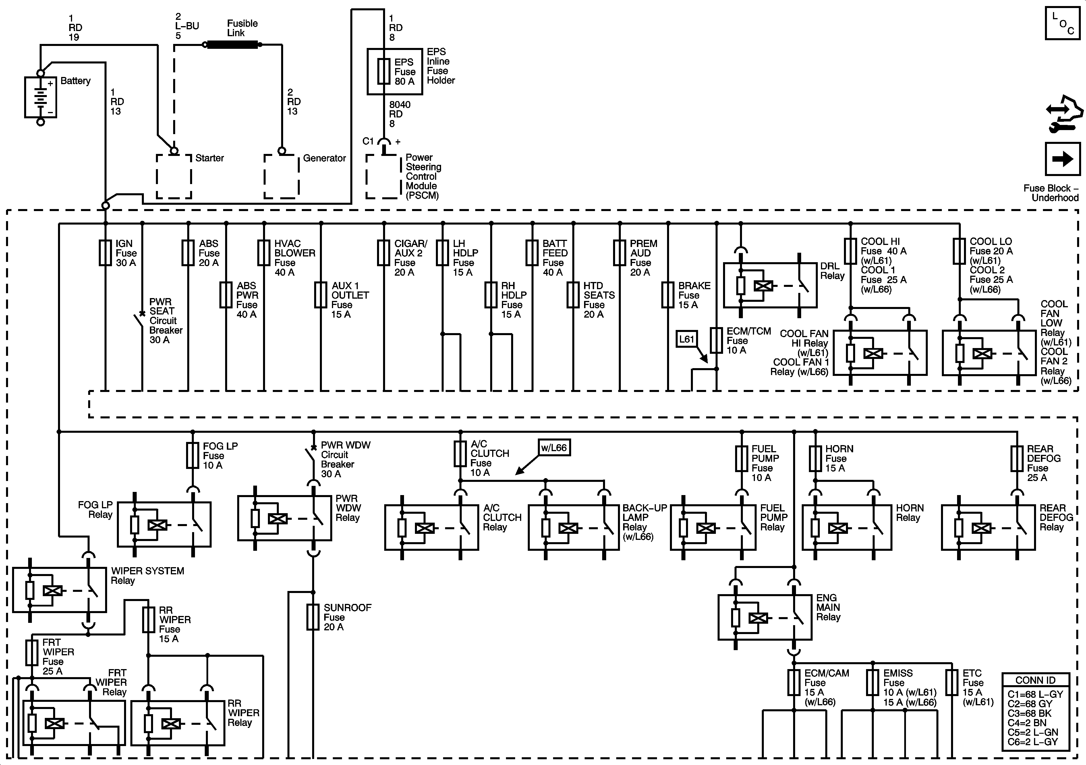
| Figure 1: |
B+ Bussing and EPS Fuse
|
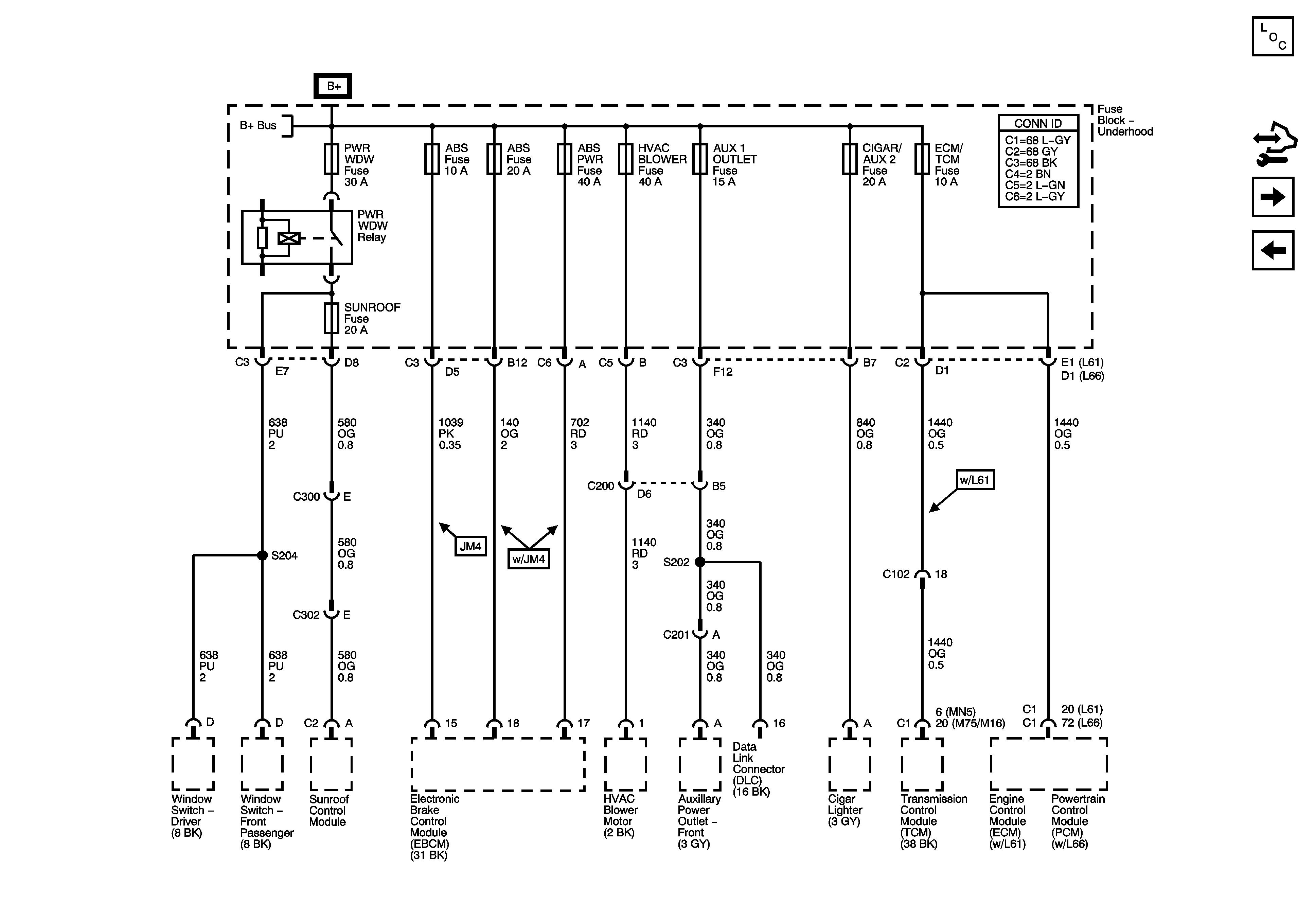
| Figure 2: |
PWR WDW, ABS, ABS PWR, HVAC BLOWER, AUXI OUTLET,
CIGAR/AUX2, ECM/TCM, and SUNROOF Fuses
|
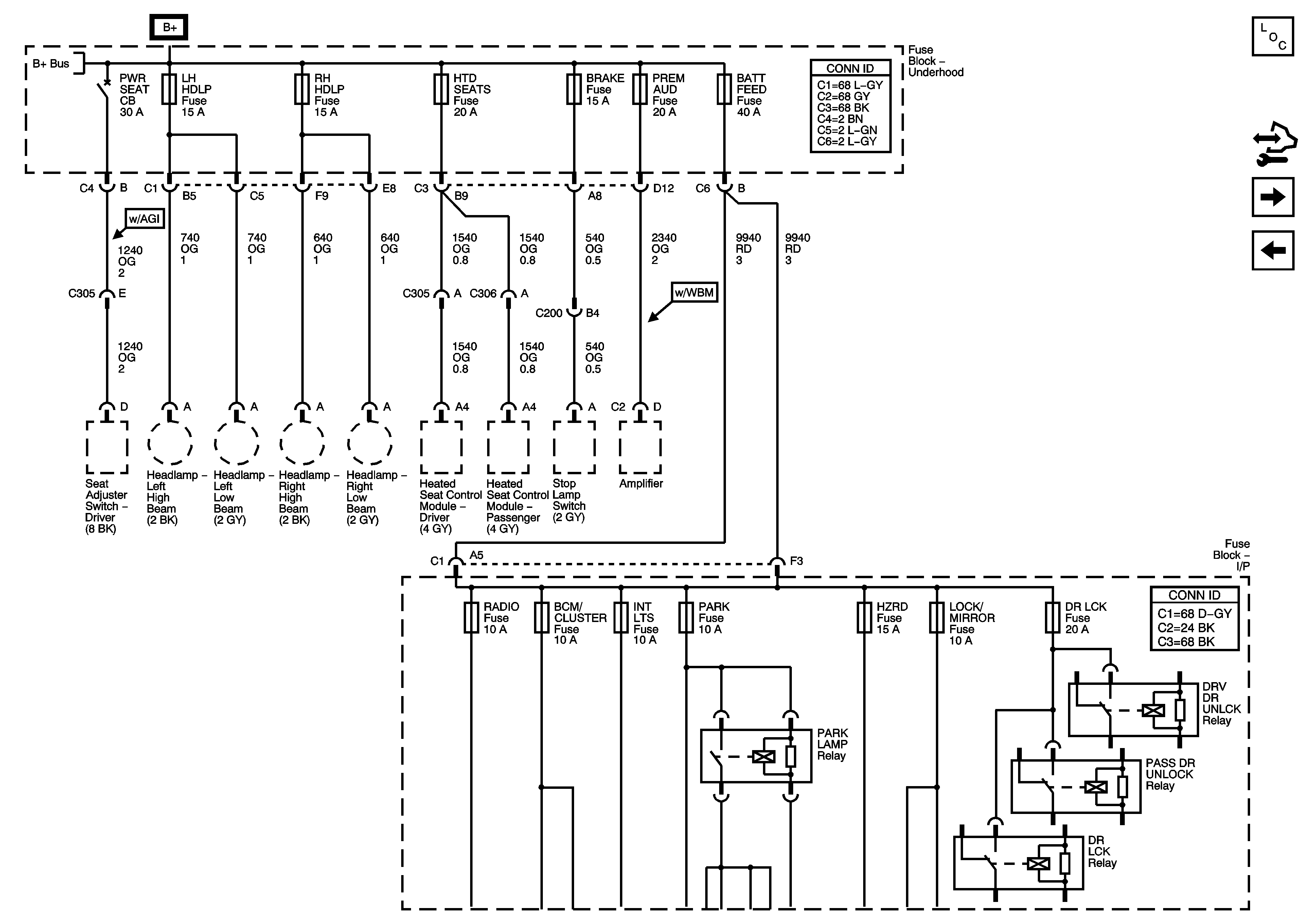
| Figure 3: |
PWR SEAT CB, LH HDLP, RH HDLP, HTD SEATS, BRAKE,
PREM AUD, and BATT FEED Fuses
|
| Figure 4: |
RADIO, BCM/CLUSTER, INT LTS, PARK, HZRD and LOCK/MIRROR
Fuses
|
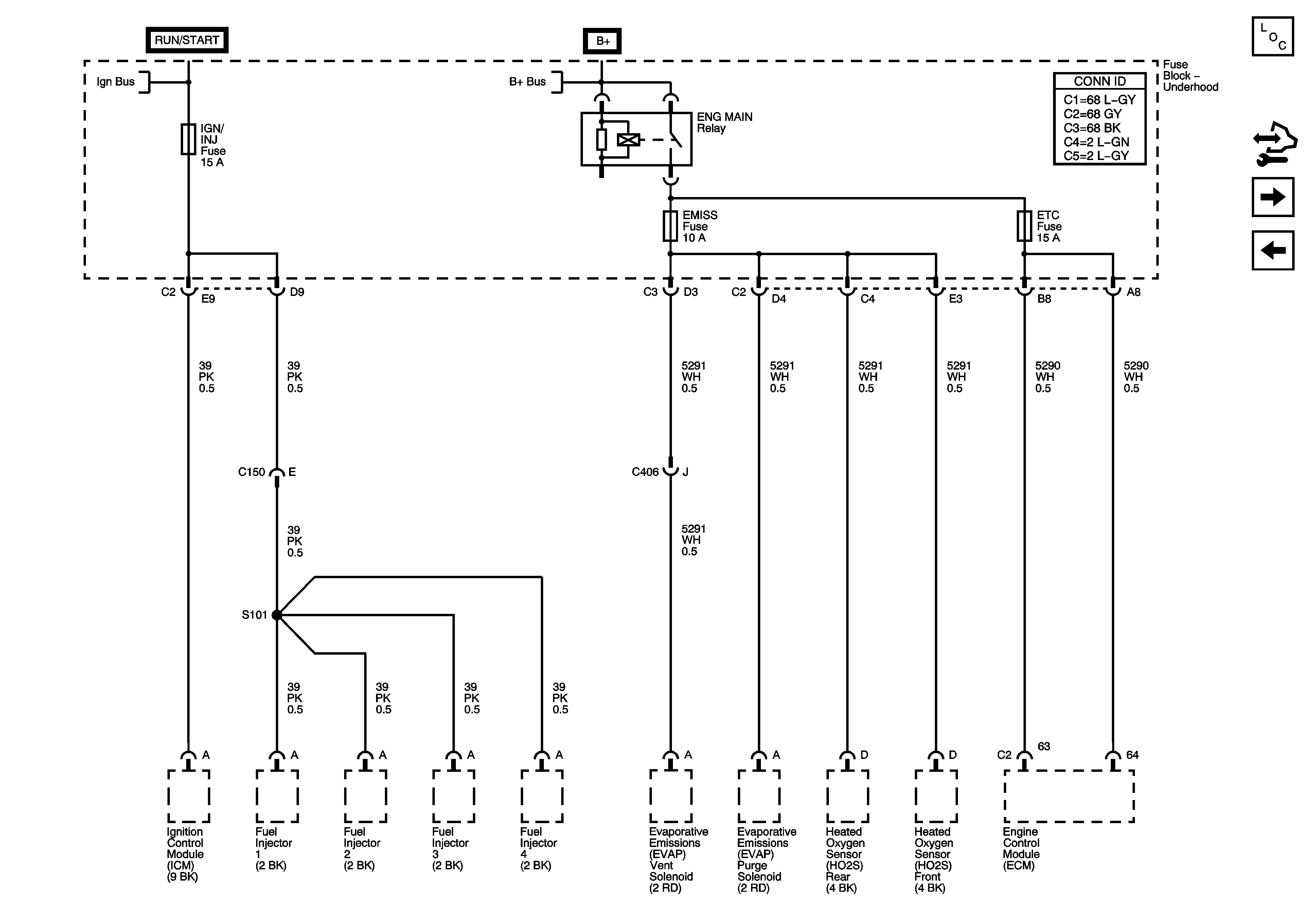
| Figure 5: |
IGN/INJ, EMISS and ETC Fuses (L61)
|
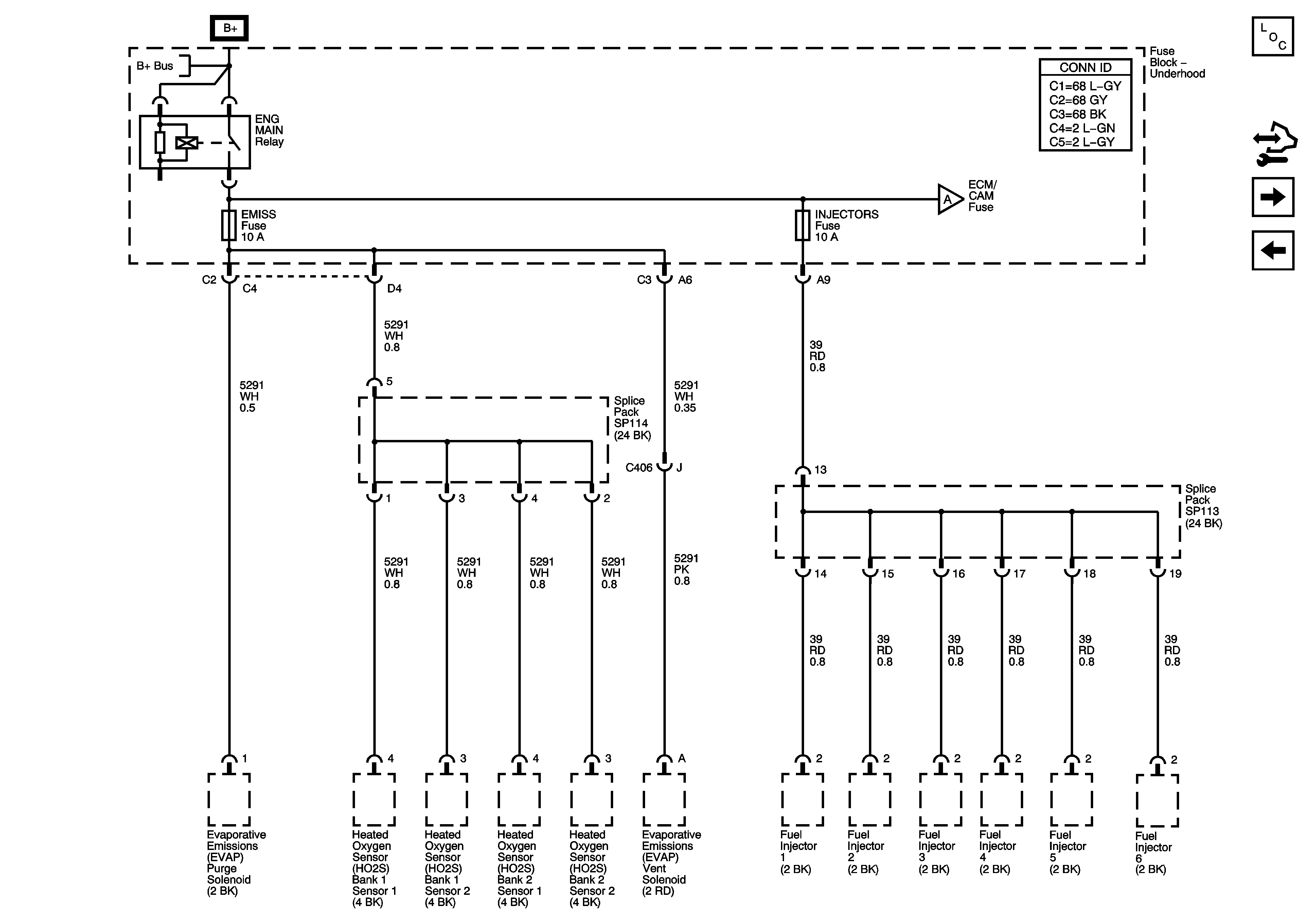
| Figure 6: |
EMISS and INJECTORS Fuses (L66)
|
| Figure 7: |
ECM/CAM Fuse (L66)
|
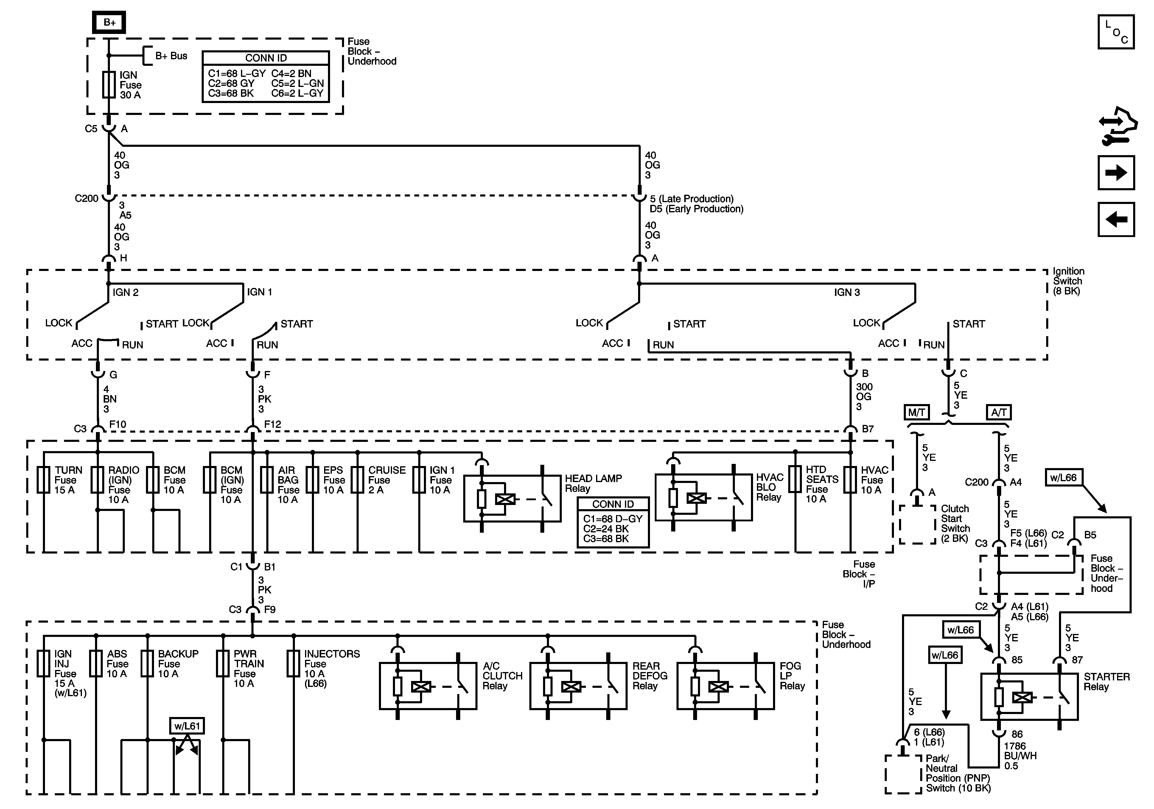
| Figure 8: |
IGN Fuse and Ignition Circuits
|
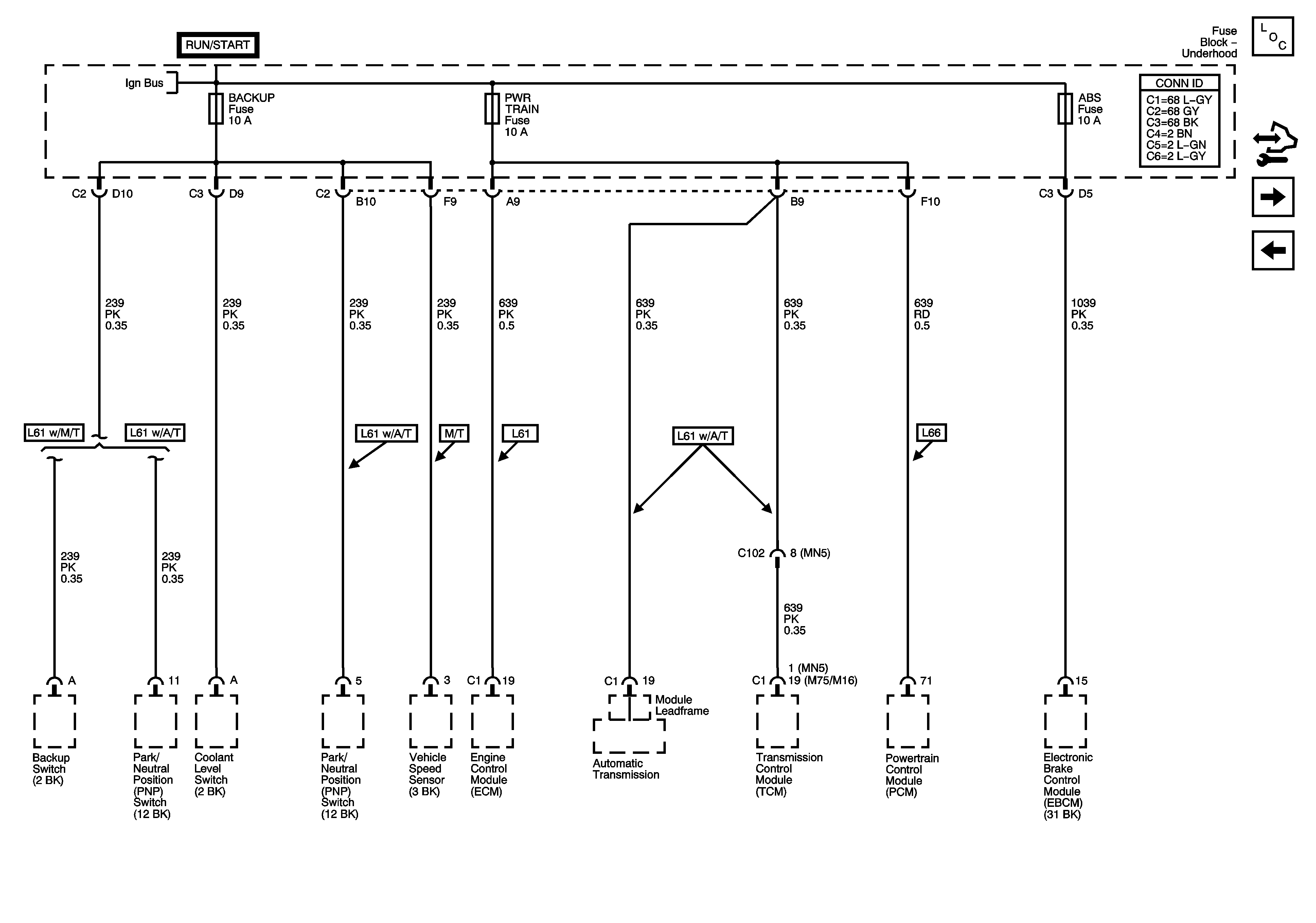
| Figure 9: |
BACKUP, PWR TRAIN, and ABS 10A Fuses
|
| Figure 10: |
TURN, BCM, RADIO (IGN), HVAC and HTD SEATS Fuses
|
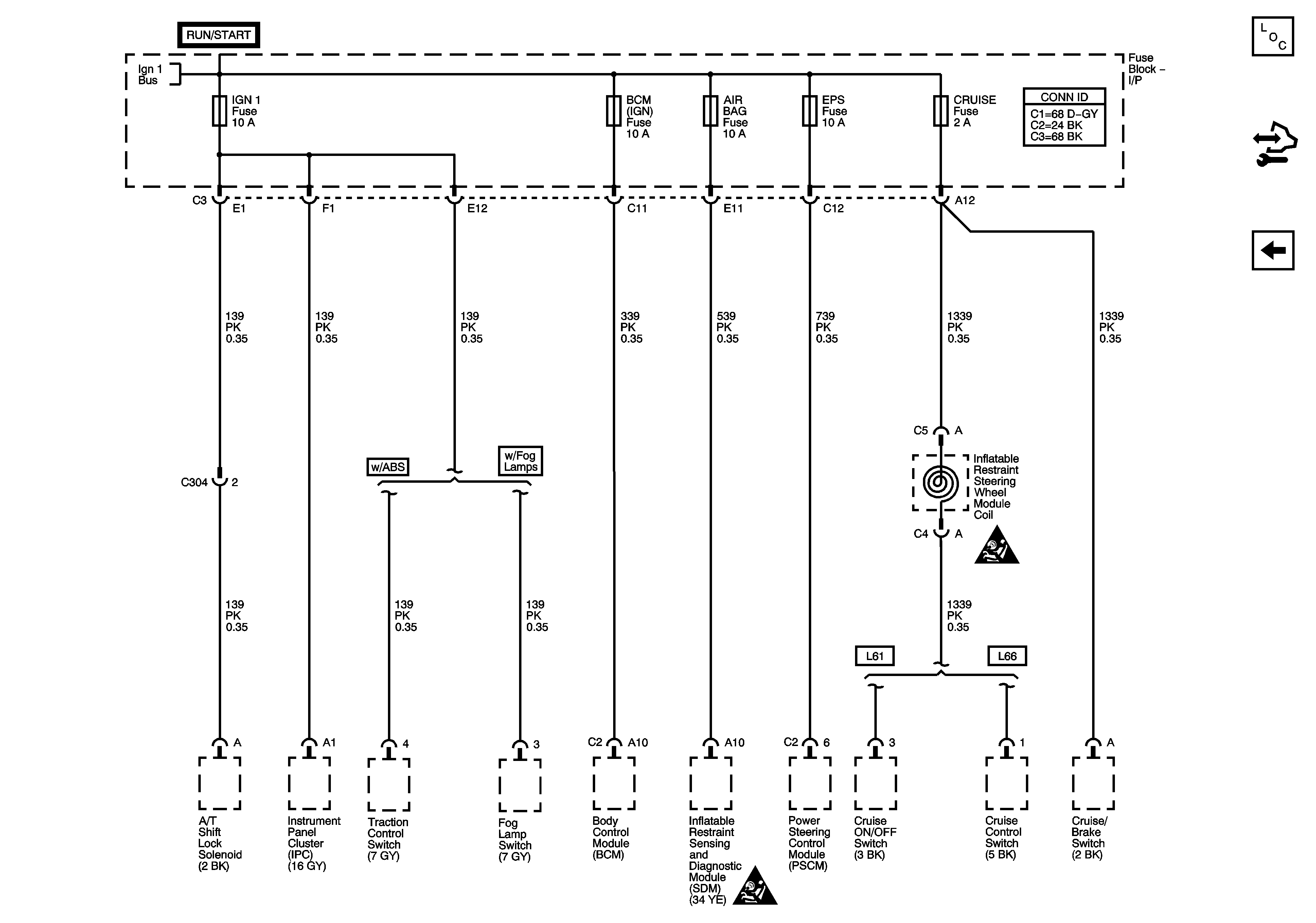
| Figure 11: |
IGN 1, BCM (IGN), AIR BAG, EPS, and CRUISE Fuses
|