GM Service Manual Online
For 1990-2009 cars only
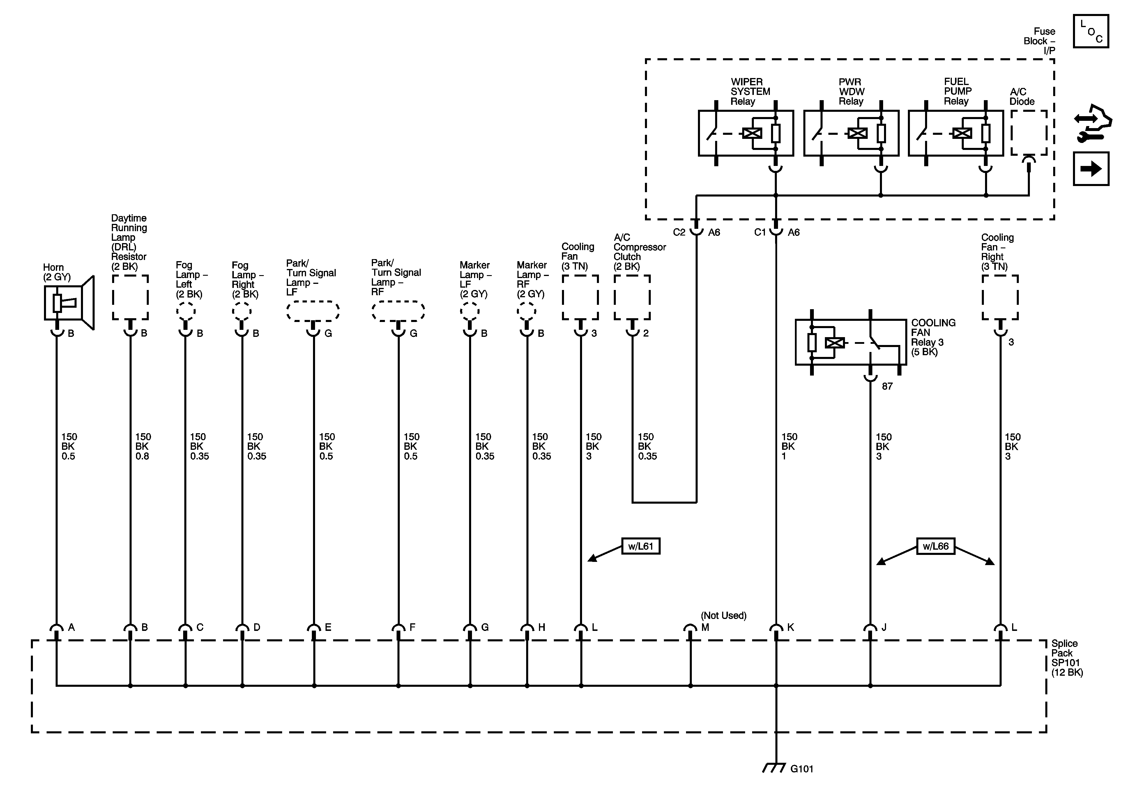
Figure 1:

G101


Object Number: 1503654  Size: FS
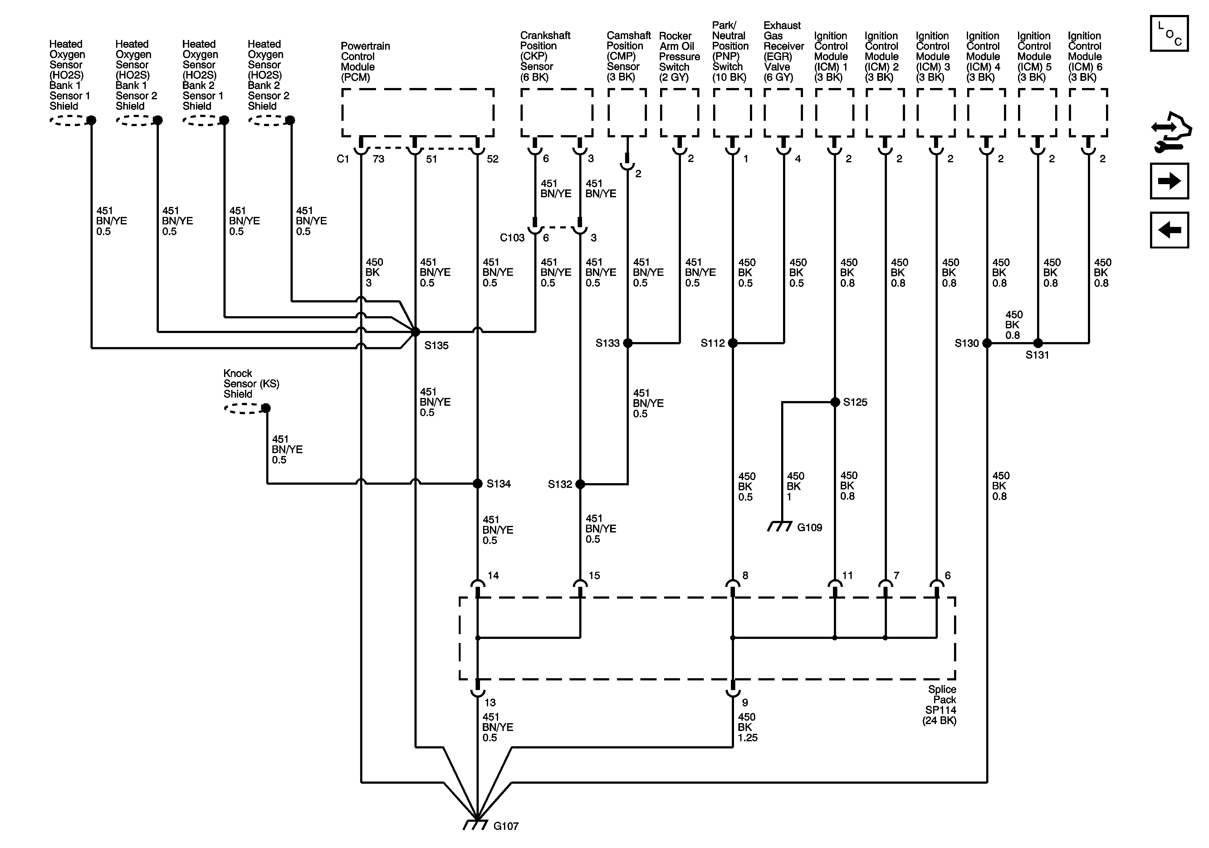
Figure 2:

G107 (L66)


Object Number: 1503655  Size: FS
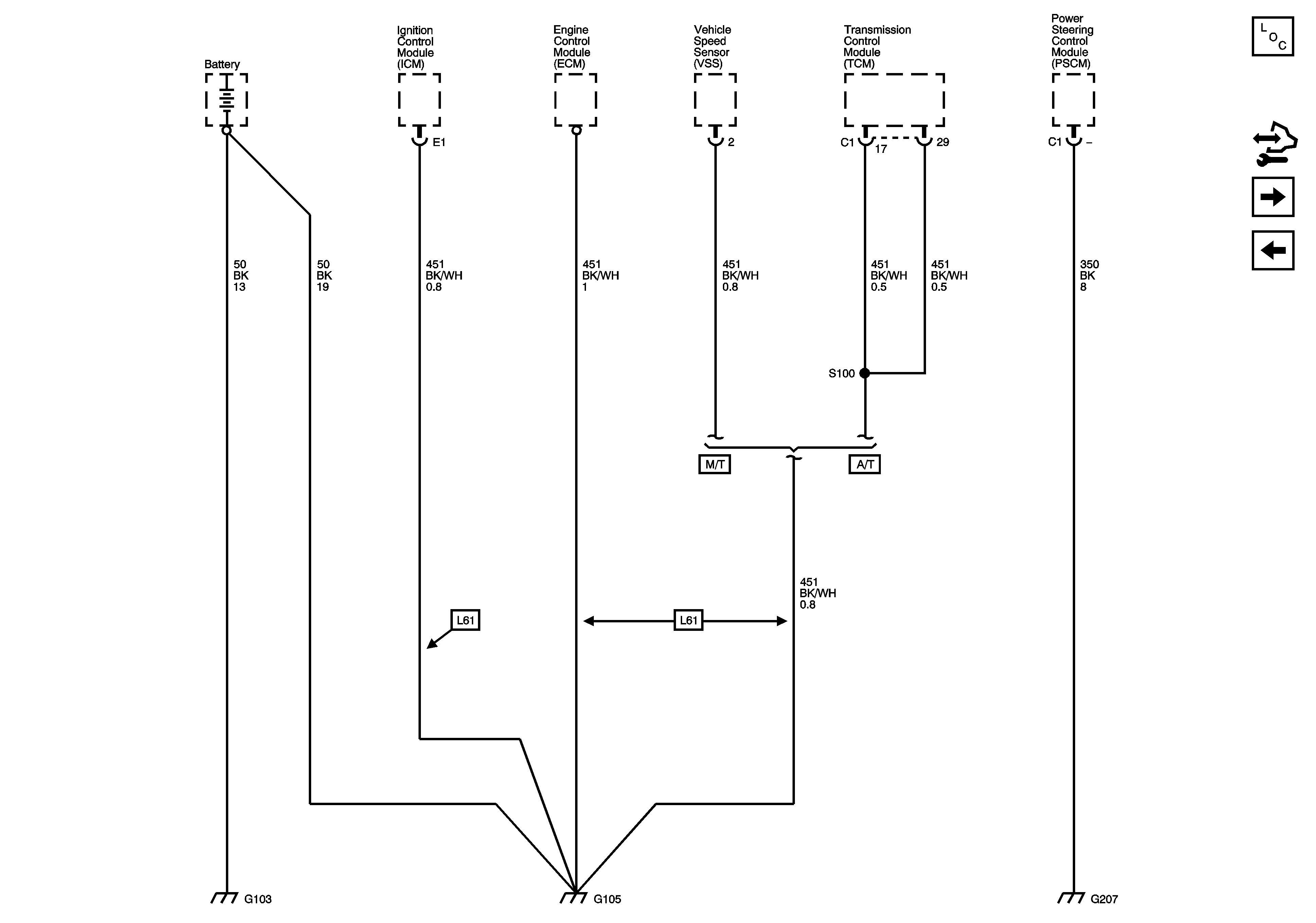
Figure 3:

G103, G105, G207


Object Number: 1503656  Size: FS
Figure 4:

G201


Object Number: 1503657  Size: FS
Figure 5:

G203 and G205


Object Number: 1503658  Size: FS
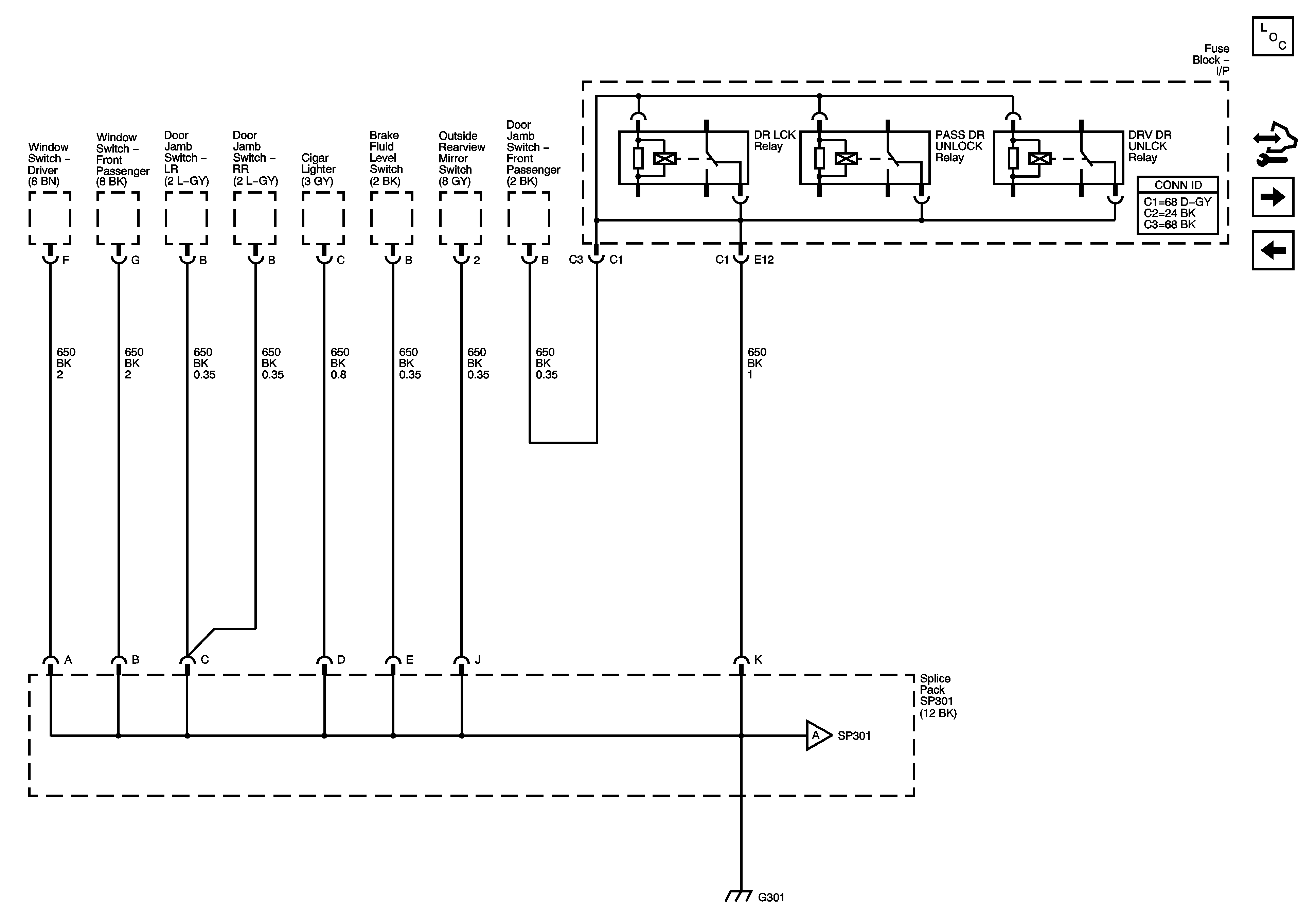
Figure 6:

G301 - 1 of 2


Object Number: 1503660  Size: FS
Figure 7:

G301 - 2 of 2


Object Number: 1503661  Size: FS
Figure 8:

G401 and G403


Object Number: 1503663  Size: FS