GM Service Manual Online
For 1990-2009 cars only
Makes
🢒
Saturn
🢒
2005
🢒
VUE - FWD
🢒
Body
🢒
Wiring Systems
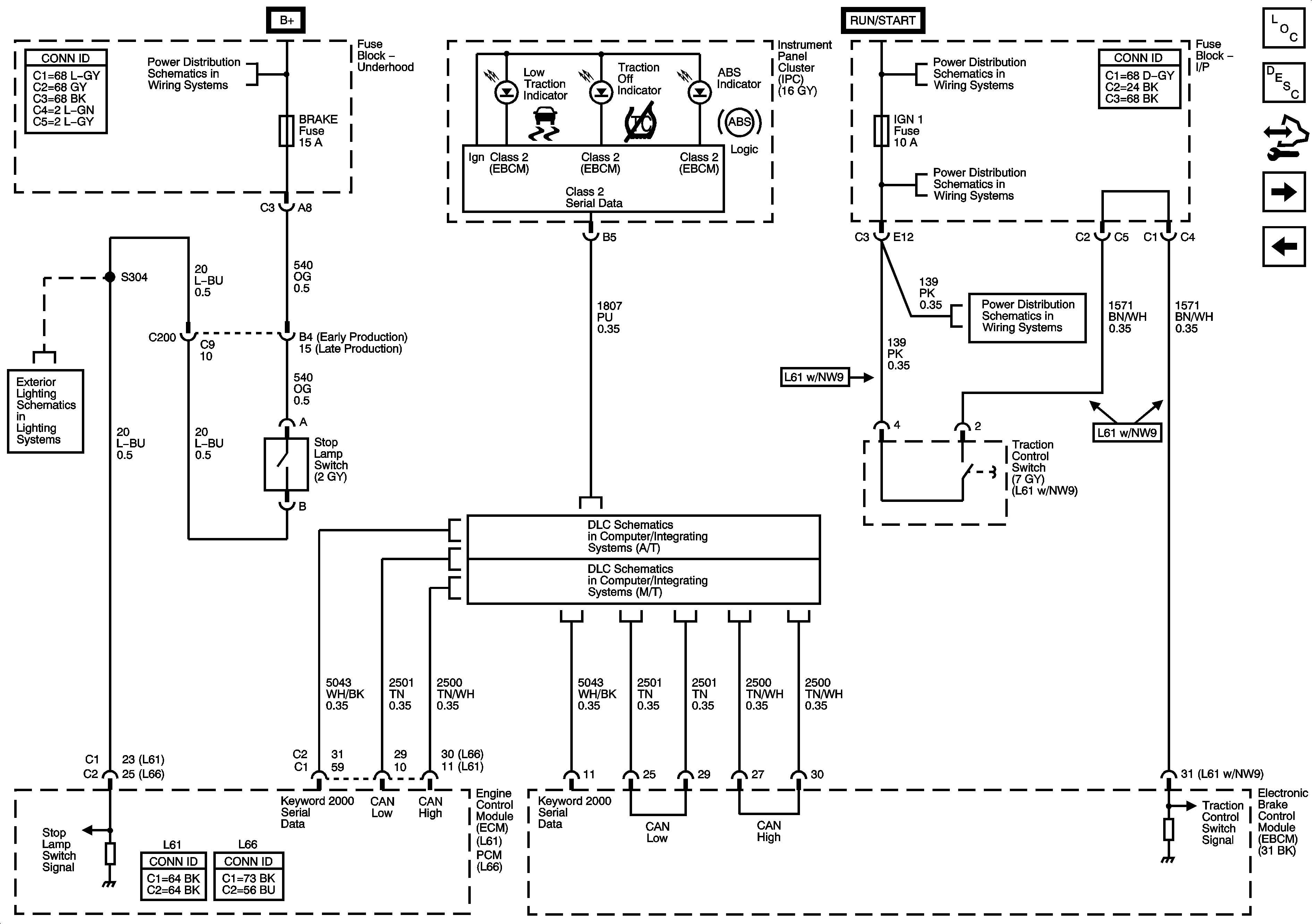
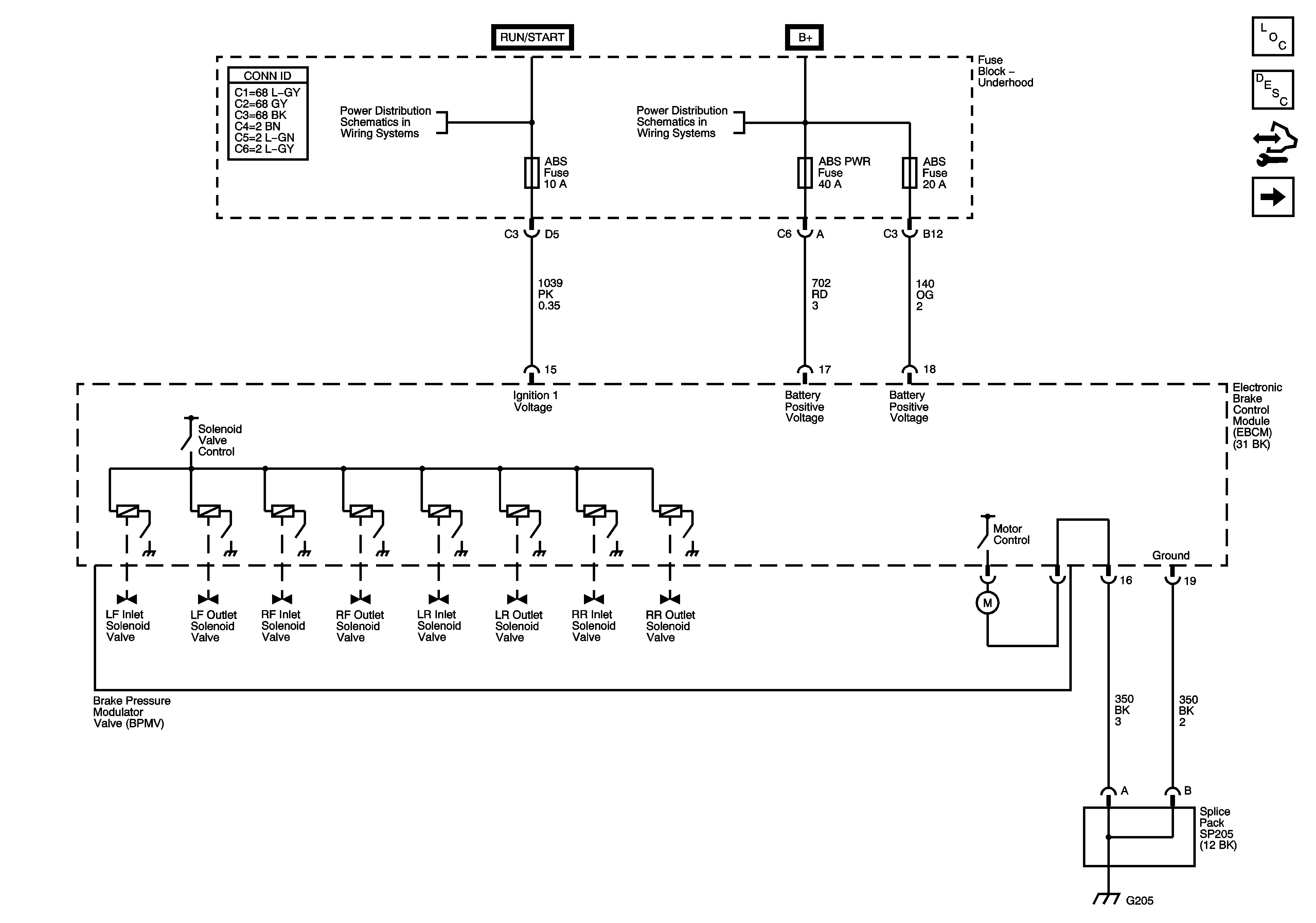
🢒 Antilock Brake System Schematics
Figure
1:
Power and Ground
Figure
2:
TC Switch, Indicators, and Stop Lamp Switch
Figure
3:
Wheel Speed Sensors