GM Service Manual Online
For 1990-2009 cars only
Makes
🢒
Saturn
🢒
2005
🢒
VUE - FWD
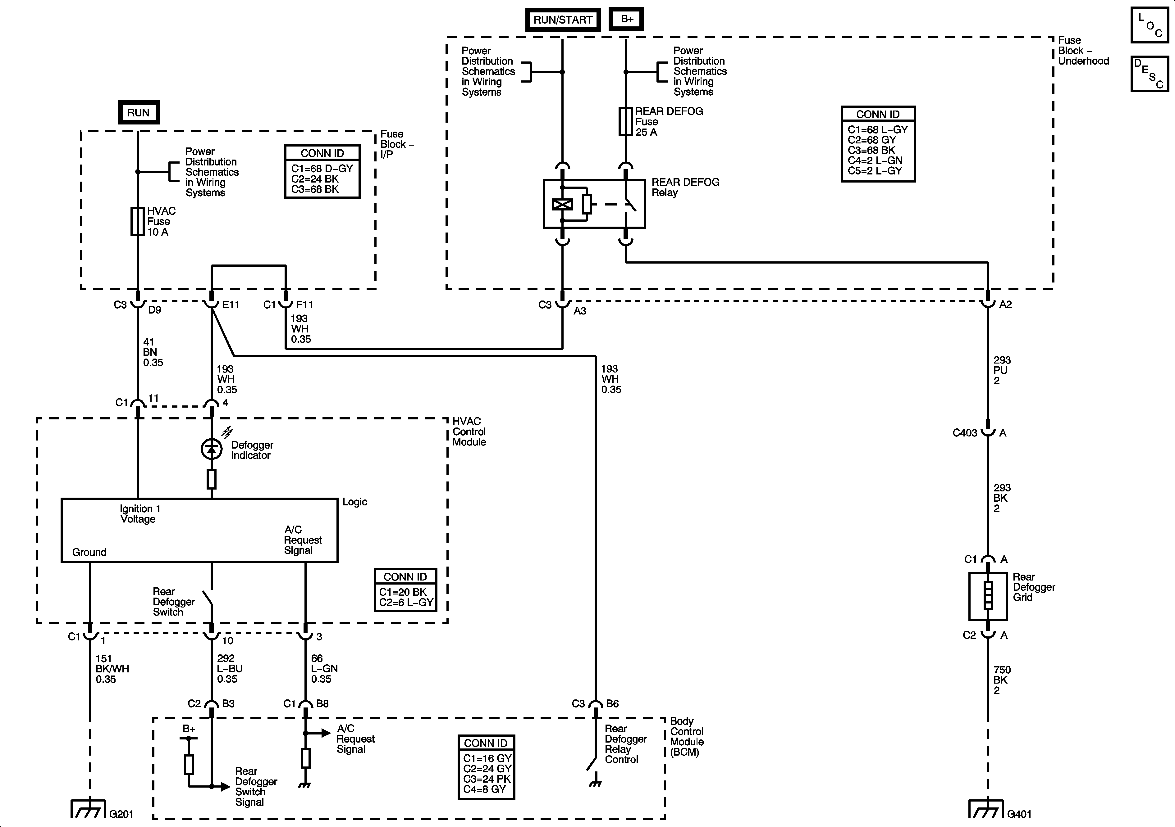
🢒 Defogger Schematic
Defogger Schematic
Master Electrical Component List
Rear Window Defogger Description and Operation
Ignition Switch
Ignition Switch
Battery Power to the Fuse Block, Starter, and Generator
G201
G401 and G403