GM Service Manual Online
For 1990-2009 cars only
Makes
🢒
Saturn
🢒
2005
🢒
VUE - FWD
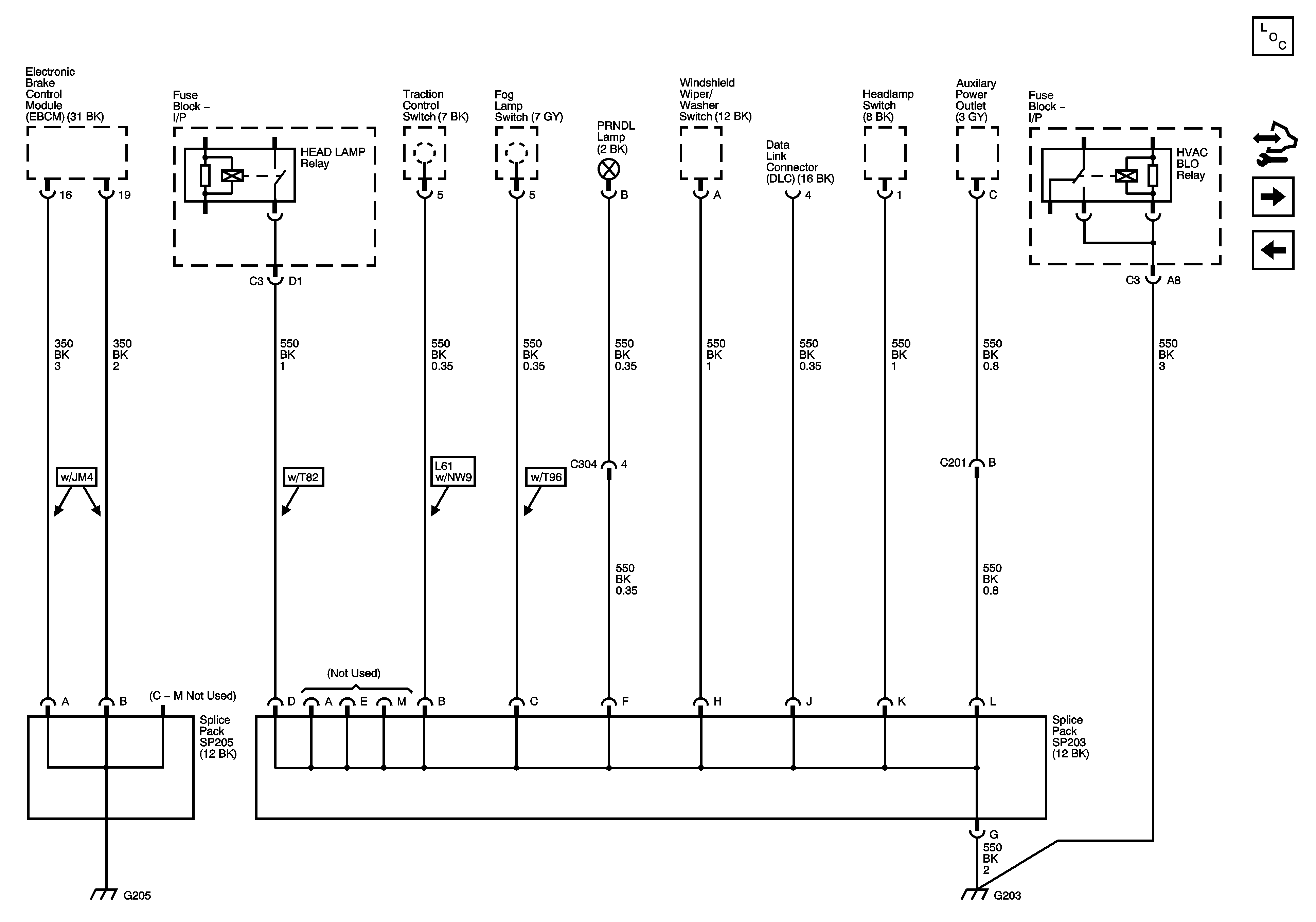
🢒 G203 and G205
G203 and G205
G203 and G205