GM Service Manual Online
For 1990-2009 cars only

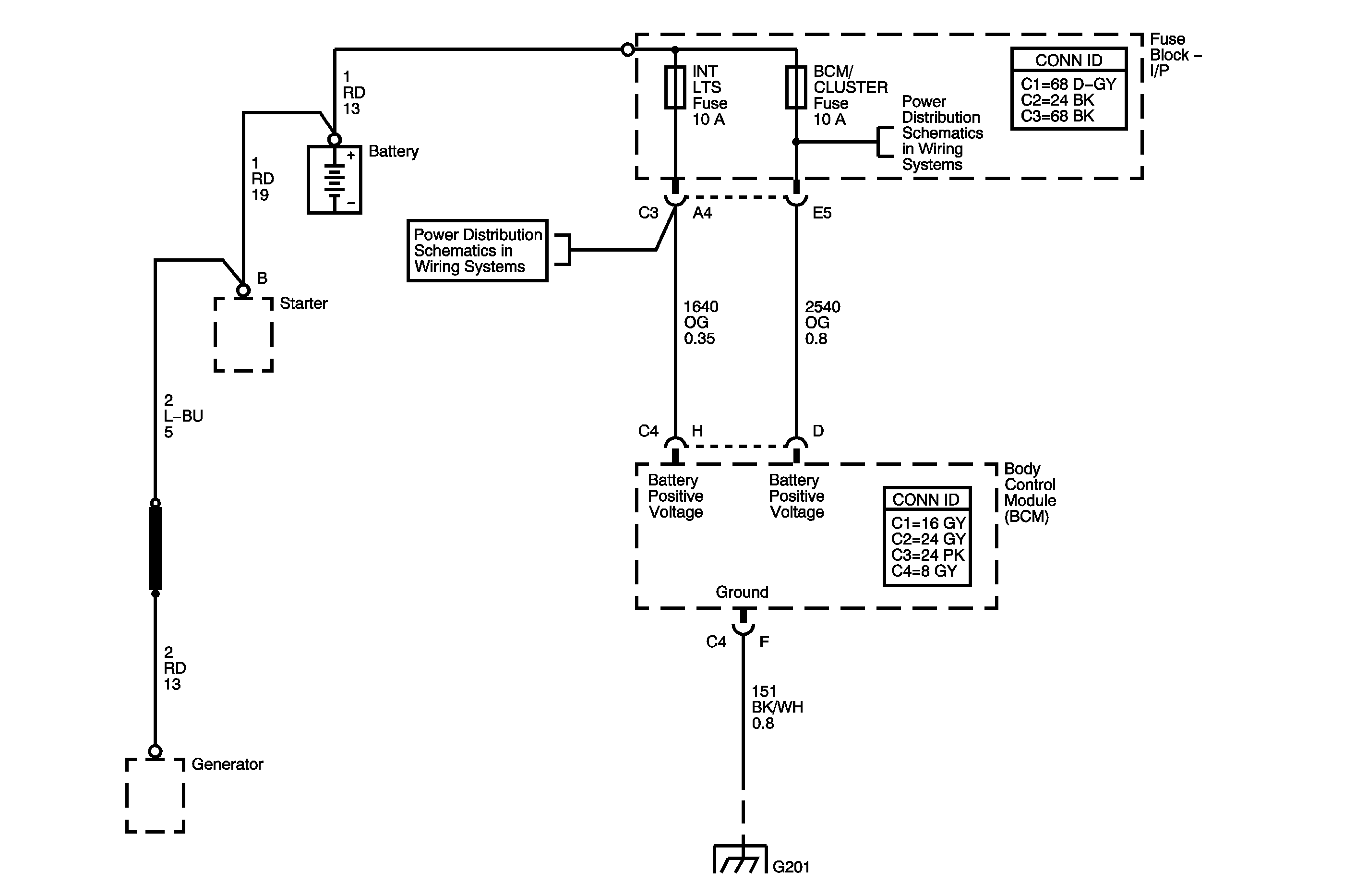
Object Number: 1477355  Size: MF

Circuit Description

The body control module (BCM) has an internal voltage sensor with a dedicated circuit that checks the battery positive voltage and battery negative circuit voltage to determine if it is above 8.7 volts.

DTC Descriptor

This diagnostic procedure supports the following DTC:

DTC B1327 Device Power 1 Circuit Low

Conditions for Running the DTC

This DTC shall run only if the BCM has power, ground and the ignition is not in START mode. This DTC shall execute regardless of the battery voltage.

Conditions for Setting the DTC

    • This DTC shall be set as current when the voltage falls below 8.7 volts for 1,200 milliseconds.
    • When the vehicle exits START the BCM shall delay checking the voltage for 2 seconds.

Action Taken When the DTC Sets

    • The engine control module (ECM) will not illuminate the charge indicator.
    • A message shall be sent out on the class 2 lines to notify all other modules of low battery voltage.

Conditions for Clearing the MIL/DTC

In order to clear the DTC from a current status the ignition must be cycled and the voltage shall be greater than 9.0 volts.

Test Description

The number below refers to the step number on the diagnostic table.

  1. Compares battery voltage with the voltage that the BCM calculates.

Step

Action

Value(s)

Yes

No

Connector End View Reference: Inline Harness Connector End Views in Wiring Systems or Computer/Integrating Systems Connector End Views in Computer/Integrating Body Systems

1

Did you perform the Diagnostic System Check - Vehicle?

--

Go to Step 2

Go to Diagnostic System Check - Vehicle in Vehicle DTC Information

2

  1. Install a scan tool.
  2. Turn ON the ignition, with the engine OFF.
  3. With a scan tool, observe the Battery 1 parameter in the Accessory data list of the body control module (BCM).

Does the scan tool indicate the battery voltage is greater than the specified value?

8.8 V

Go to Step 5

Go to Step 3

3

  1. Measure the voltage across the battery terminals.
  2. Compare the battery voltage with the Battery 1 parameter in the Accessory data list of the BCM.

Are the voltages within the specified value?

1.0 V

Go to Battery Inspection/Test

Go to Step 5

4

Test the battery voltage and ground circuits of the body control module (BCM) for a high resistance. Refer to Circuit Testing and Wiring Repairs in Wiring Systems.

Did you find and correct the condition?

--

Go to Step 7

Go to Step 5

5

Inspect for poor connections at the harness connector of the BCM. Refer to Testing for Intermittent Conditions and Poor Connections and Connector Repairs in Wiring Systems.

Did you find and correct the condition?

--

Go to Step 7

Go to Step 6

6

Important: Perform the setup procedure for the BCM.

Replace the BCM. Refer to Control Module References in Computer/Integrating Systems for replacement, setup, and programming.

Did you complete the replacement?

--

Go to Step 7

--

7

  1. Use the scan tool in order to clear the DTC.
  2. Operate the vehicle within the Conditions for Running the DTC as specified in the supporting text.

Does the DTC reset?

--

Go to Step 2

System OK