GM Service Manual Online
For 1990-2009 cars only

Object Number: 1335204  Size: MF
SIR Component Views
Modules and Sensors
SIR Schematic Icons

Circuit Description

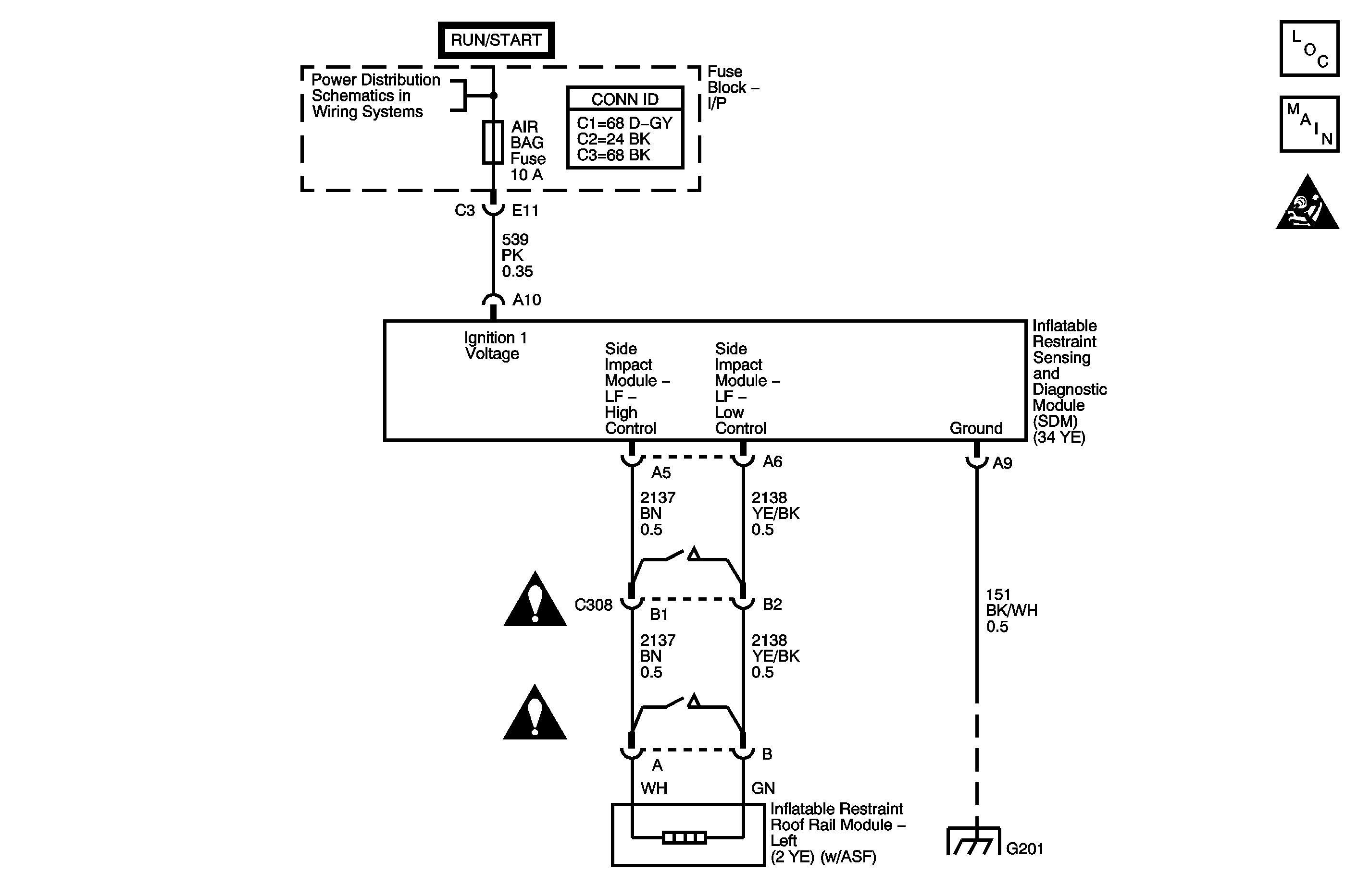
The driver roof rail deployment loop consists of an inflatable restraint roof rail module - left and the roof rail module - left high and low circuits. A shorting bar used within the roof rail module connector shorts together both roof rail module - left high and low circuits when the connector is disconnected. This will help to prevent unwanted deployment of the inflator module during servicing. During a side or frontal crash of sufficient force the inflatable restraint sensing and diagnostic module (SDM) will allow current to flow through the deployment loop in order to deploy the roof rail module. The SDM performs continuous diagnostic tests on the deployment loops to check for proper circuit continuity and for shorts to ground or voltage. If a malfunction is detected, a diagnostic trouble code (DTC) will be stored in memory.

DTC Descriptors

This diagnostic procedure supports the following DTCs:

    • DTC B0040 Left Front/Driver Side Deployment Loop Resistance Low
    • DTC B0041 Left Front/Driver Side Deployment Loop Open
    • DTC B0045 Left Front/Driver Side Deployment Loop Voltage Out of Range

Conditions for Running the DTC

Ignition 1 voltage is within the normal operating voltage range.

Conditions for Setting the DTC

    • DTC B0040 will set when the roof rail module - left deployment loop resistance is less than 1.3 ohms for 500 milliseconds.
    • DTC B0041 will set when one of the following conditions occurs:
       - Roof rail module - left high circuit is less than 2.4 volts and the roof rail module - left deployment loop is more than 6 ohms for 500 milliseconds.
       - Roof rail module - left deployment loop resistance is more than 4.8 ohms for 500 milliseconds.
    • DTC B0045 when one of the following conditions occur:
       - Roof rail module - left high and/or low circuits is short to ground or short to voltage for 500 milliseconds.
       - Roof rail module - left high circuit is less than 2.4 volts and roof rail module - left deployment loop resistance is less than 6 ohms for 500 milliseconds.

Action Taken When the DTC Sets

The SDM commands the AIR BAG indicator ON via class 2 serial data.

Conditions for Clearing the DTC

    • The condition responsible for setting the DTC no longer exists and the scan tool Clear DTCs function is used.
    • A history DTC will clear once 255 malfunction-free ignition cycles have occurred.

Diagnostic Aids

The following are possible causes of the malfunction:

    • A short between the roof rail module - left high and low circuits.
    • An open or a high resistance in the roof rail module - left high or low circuits.
    • A short to ground or a short to voltage in the roof rail module - left high or low circuits.
    • The roof rail module - left connector
    • The SDM connector
    • A malfunctioning roof rail module - left
    • A malfunctioning SDM

Thoroughly inspect the wiring and the connectors. An incomplete inspection of the wiring and the connectors may result in a misdiagnosis, causing a part replacement with the reappearance of the malfunction. If an intermittent malfunction exists, refer to Testing for Intermittent Conditions and Poor Connections .

Test Description

The numbers below refer to the step numbers on the diagnostic table.

  1. Tests to see if the malfunction is caused by the roof rail module - left.

  2. Tests to see what DTCs are present. If DTC B0040 is present, test for a short between the roof rail module - left high and low circuits. If DTC B0041 is present, test the roof rail module - left high and low circuits for an open and for high resistance. If DTC B0045 is present, test the roof rail module - left high and low circuits for a short to ground and for a short to voltage.

Step

Action

Yes

No

Connector End View Reference: SIR Connector End Views

1

Did you perform the Diagnostic System Check - Vehicle?

Go to Step 2

Go to Diagnostic System Check - Vehicle

2

  1. Turn OFF the ignition.
  2. Disconnect the roof rail module connector. Refer to Inflatable Restraint Roof Side Rail Module Replacement - Front .
  3. Inspect the component and harness sides of the connector for damage or corrosion that may cause the malfunction. Refer to Testing for Intermittent Conditions and Poor Connections and Connector Repairs .

Does the connector exhibit any signs of damage or corrosion?

Go to Step 3

Go to Step 4

3

  1. If the component side of the roof rail module connector is damaged, the roof rail module must be replaced. Refer to Inflatable Restraint Roof Side Rail Module Replacement - Front .
  2. If the wiring harness side of the roof rail module connector is damaged, replace the harness side of the connector. Refer to Connector Repairs .

Did you complete the repair?

Go to Step 9

--

4

  1. Connect the SA9409Z-A SIR Driver/Passenger Load Tool to the harness side of the roof rail module connector. Use PASSENGER INFLATOR connector.
  2. Turn ON the ignition, with the engine OFF.
  3. With the scan tool, request the SIR DTC display.

Does the scan tool indicate that DTC B0040, B0041, or B0045 are current?

Go to Step 5

Go to Step 7

5

  1. Turn OFF the ignition.
  2. Disconnect and remove the SA9409Z-A .
  3. Disconnect the inflatable restraint sensing and diagnostic module (SDM) connector. Refer to Control Module References for replacement, setup, and programming.
  4. Inspect the SDM connector for damage or corrosion that may cause a malfunction in the roof rail module high and/or low circuits. Refer to Testing for Intermittent Conditions and Poor Connections and Connector Repairs .

Did you find and correct the condition?

Go to Step 9

Go to Step 6

6

  1. If DTC B0040 is present, test for a short between the roof rail module high and low circuits.
  2. If DTC B0041 is present, test the roof rail module high and low circuits for an open and for high resistance.
  3. If DTC B0045 is present, test the roof rail module high and low circuits for a short to ground and for a short to voltage.
  4. All the above conditions refer to Circuit Testing and Wiring Repairs .

Did you find and correct the condition?

Go to Step 9

Go to Step 8

7

  1. Turn OFF the ignition.
  2. Replace the roof rail module. Refer to Inflatable Restraint Roof Side Rail Module Replacement - Front .

Did you complete the replacement?

Go to Step 9

--

8

  1. Turn OFF the ignition.
  2. Replace the SDM. Refer to Control Module References for replacement, setup, and programming.

Did you complete the replacement?

Go to Step 9

--

9

  1. Connect all SIR components.
  2. Turn ON the ignition, with the engine OFF.
  3. Use the scan tool in order to clear the DTCs.
  4. Operate the vehicle within the Conditions for Running the DTC as specified in the supporting text.

Does the DTC reset?

Go to Step 2

System OK