GM Service Manual Online
For 1990-2009 cars only
Makes
🢒
Saturn
🢒
2006
🢒
VUE - FWD
🢒
Vehicle Control Systems
🢒
Vehicle DTC Information
🢒 Engine Cooling Schematics
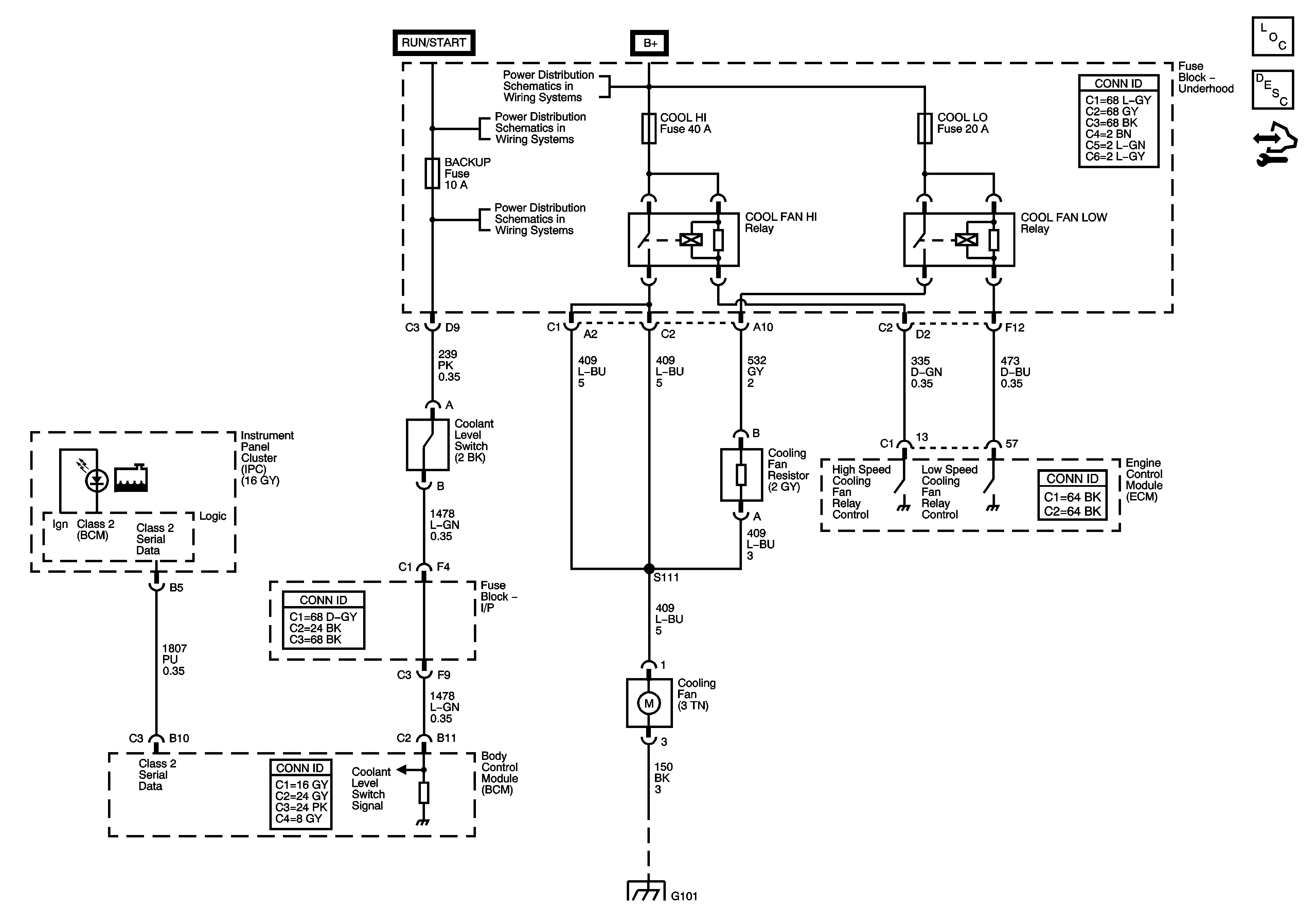
Engine Cooling Schematics L61
Master Electrical Component List
Cooling System Description and Operation
Control Module References
B+ Bussing and the EPS Fuse
IGN Fuse and the Ignition Switch Circuits
BACKUP Fuse, PWR TRAIN Fuse, 10A ABS Fuse and the INJECTORS (L66) Fuse
G101
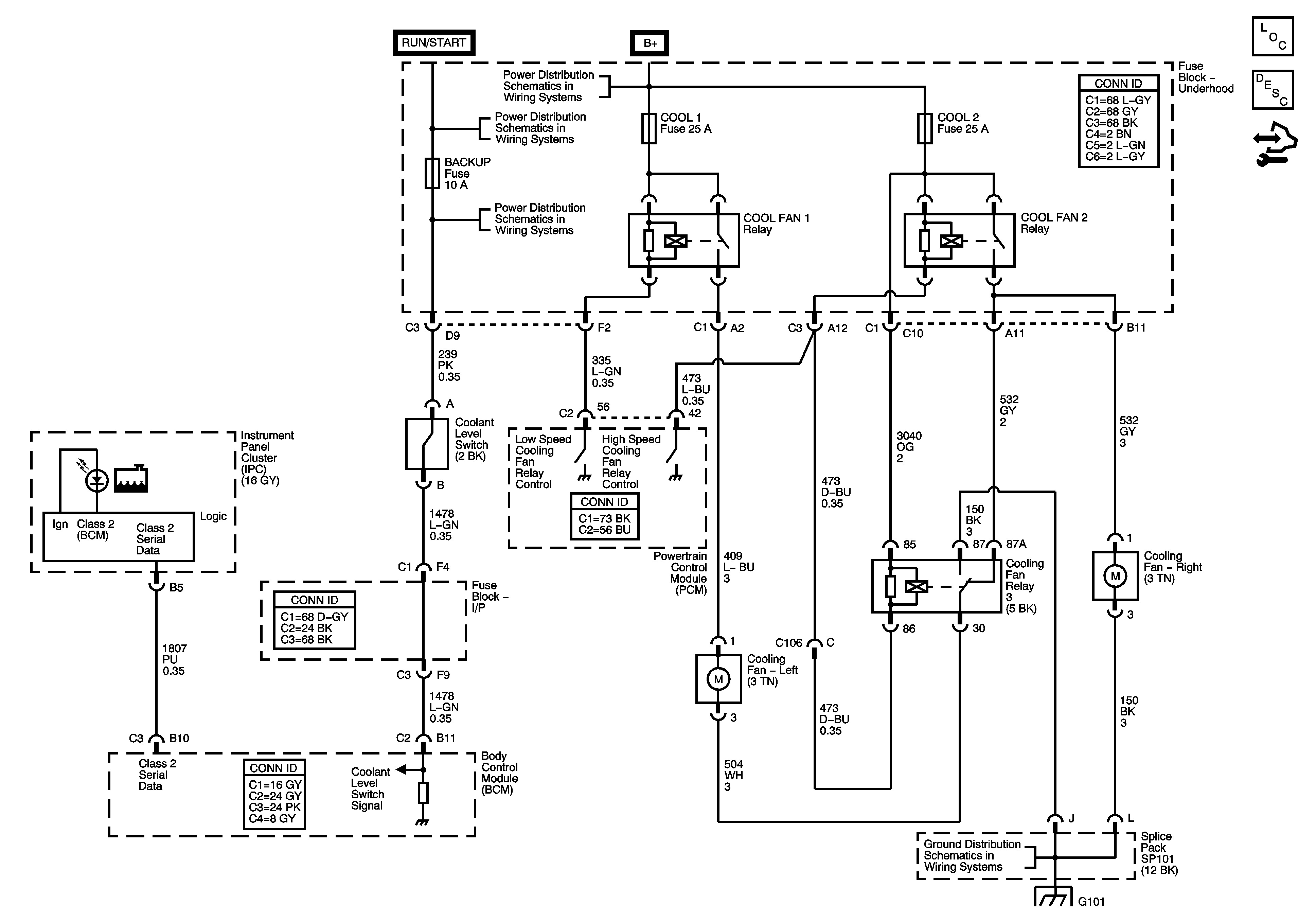
Engine Cooling Schematics L66
Master Electrical Component List
Cooling System Description and Operation
Control Module References
B+ Bussing and the EPS Fuse
IGN Fuse and the Ignition Switch Circuits
BACKUP Fuse, PWR TRAIN Fuse, 10A ABS Fuse and the INJECTORS (L66) Fuse
G101