GM Service Manual Online
For 1990-2009 cars only
Makes
🢒
Saturn
🢒
2006
🢒
VUE - FWD
🢒
Vehicle Control Systems
🢒
Vehicle DTC Information
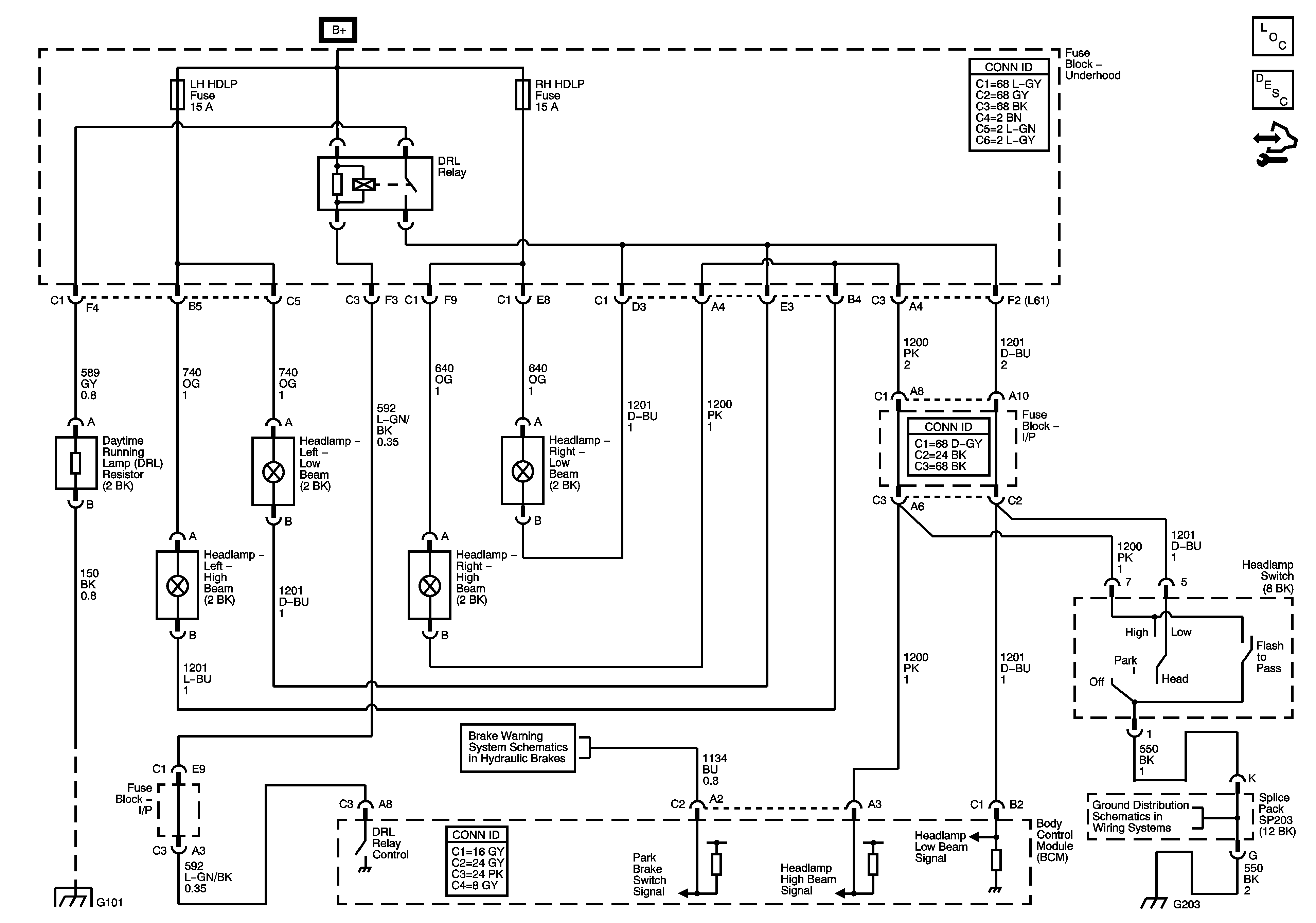
🢒 Headlights/Daytime Running Lights (DRL) Schematics
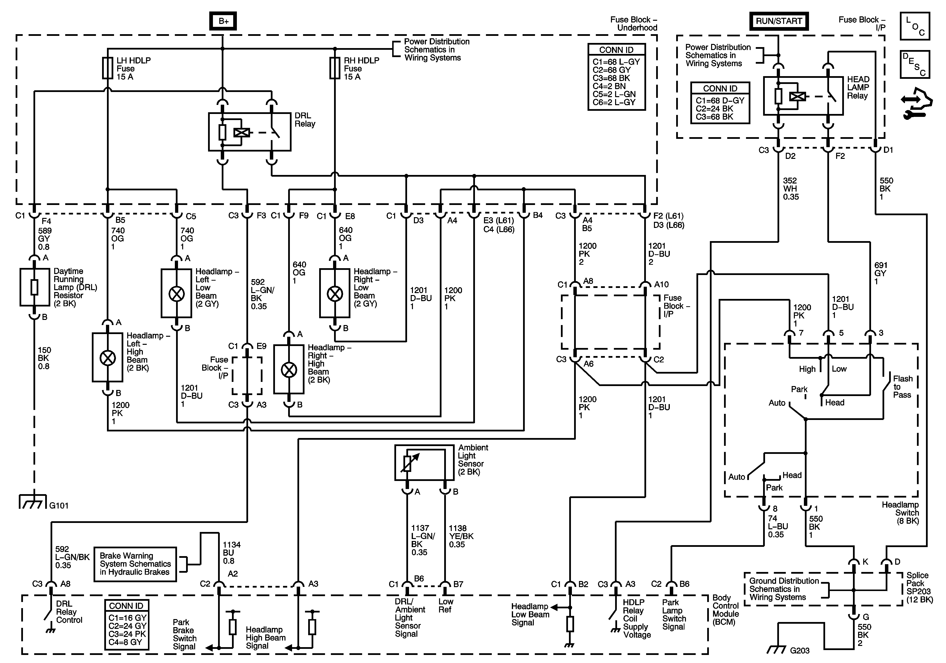
Headlights/Daytime Running Lights (DRL) Schematics w/T82
Master Electrical Component List
Exterior Lighting Systems Description and Operation
Control Module References
B+ Bussing and the EPS Fuse
IGN Fuse and the Ignition Switch Circuits
G101
Brake Warning System Schematic
G203 and G205
Headlights/Daytime Running Lights (DRL) Schematics w/o T82
Master Electrical Component List
Exterior Lighting Systems Description and Operation
Control Module References
G101
Brake Warning System Schematic
G203 and G205