GM Service Manual Online
For 1990-2009 cars only
Figure 1:

Case and Components


Object Number: 1343169  Size: LF
(31)Transmission Case Assembly
(53)Torque Converter Clutch (TCC) Assembly
(68)Torque Converter Housing Gasket
(150)Torque Converter Housing Assembly
(244)Main Control Valve Body Plate Assembly Spacer
(250)Main Control Valve Body Assembly
(300)Servo Valve Body Spacer Plate
(325)Servo Valve Body Assembly
(400)Regulator Valve Body Spacer Plate
(414)Regulator Valve Body Flanged Bolt
(430)Regulator Valve Body with Shift Fork Assembly
(431)Stator Shaft and Torque Arm Assembly
(450)Accumulator Valve Body Spacer Plate
(479)Accumulator Valve Body Flanged Bolt
(495)Accumulator Valve Body Assembly
(533)Reverse Idler Gear Assembly
(535)Output Shaft Assembly
(640)Mainshaft Assembly
(755)1st and 2nd Clutch Shaft Assembly
(830)3rd Clutch Shaft Assembly
(918)Transfer Gear with Shaft Assembly
(919)Front Differential Assembly
(930)Fluid Filter Assembly Flanged Mount Bolt
(931)Fluid Filter Assembly
(932)Manual Shift Shaft, Detent Lever, and Actuator with Linkage Assembly
Figure 2:

Sensor/Solenoid


Object Number: 1631985  Size: MF
(1)Automatic Transmission Wiring Harness Connector Bolt - M6 x 20 mm
(2)Automatic Transmission Wiring Harness Assembly
(3)Automatic Transmission Wiring Connector O-Ring Seal - 23.3 x 2.4 mm
(4)4th Clutch Pressure Switch Seal - 10 mm
(5)4th Clutch Pressure Switch Assembly
(6)TCC Pressure Control Solenoid Valve Bolt - M6 x 30 mm
(7)TCC Pressure Control Solenoid Valve
(8)TCC Pressure Control Solenoid and Apply Solenoid Valve Kit
(9)Fluid Pipe Seal - 7.7 x 2.3 mm
(9)Fluid Pipe Seal - 7.7 x 2.3 mm
(10)TCC Pressure Control Solenoid Valve Apply Fluid Pipe - 8 x 36 mm
(11)TCC Pressure Control Solenoid Valve Fluid Feed Pipe - 8 x 53 mm
(12)TCC Pressure Control Solenoid Valve Gasket
(13)TCC Pressure Control Solenoid Valve Fluid Drain Pipe - 8 x 25.2 mm
(14)Clutch Pressure Control Solenoid Valve Fluid Pipe - 8 x 105 mm
(15)Clutch Pressure Control Solenoid Valve Fluid Pipe - 8 x 58.3 mm
(16)Clutch Pressure Control Solenoid Valve Bolt - M6 x 55 mm
(17)Clutch Pressure Control Solenoid Valve Bolt - M6 x 25 mm
(18)Clutch Pressure Control Solenoid Valve
(19)Clutch Pressure Control Solenoid Valve Fluid Feed Pipe - 8 x 58.3 mm
(20)Clutch Pressure Control Solenoid Valve Gasket
(21)Automatic Transmission Fluid Temperature Sensor Bolt - M6 x 18 mm
(22)Automatic Transmission Fluid Temperature Sensor
(23)Automatic Transmission Fluid Temperature Sensor O-Ring Seal - 12 x 2.4 mm
(25)3rd Clutch Pressure Switch
(26)3rd Clutch Pressure Switch Seal
(27)Automatic Transmission Input Speed Sensor O-Ring Seal - 16 x 2.1 mm
(28)Automatic Transmission Input Speed Sensor
(29)Automatic Transmission Input Speed Sensor Bolt - M6 x 18 mm
(30)Automatic Transmission Output Speed Sensor Assembly
(32)Automatic Transmission Output Speed Sensor Bolt - M6 x 18 mm
(34)Automatic Transmission Output Speed Sensor O-Ring Seal - 16 x 2.1 mm
(952)4th Clutch Pressure Switch Harness
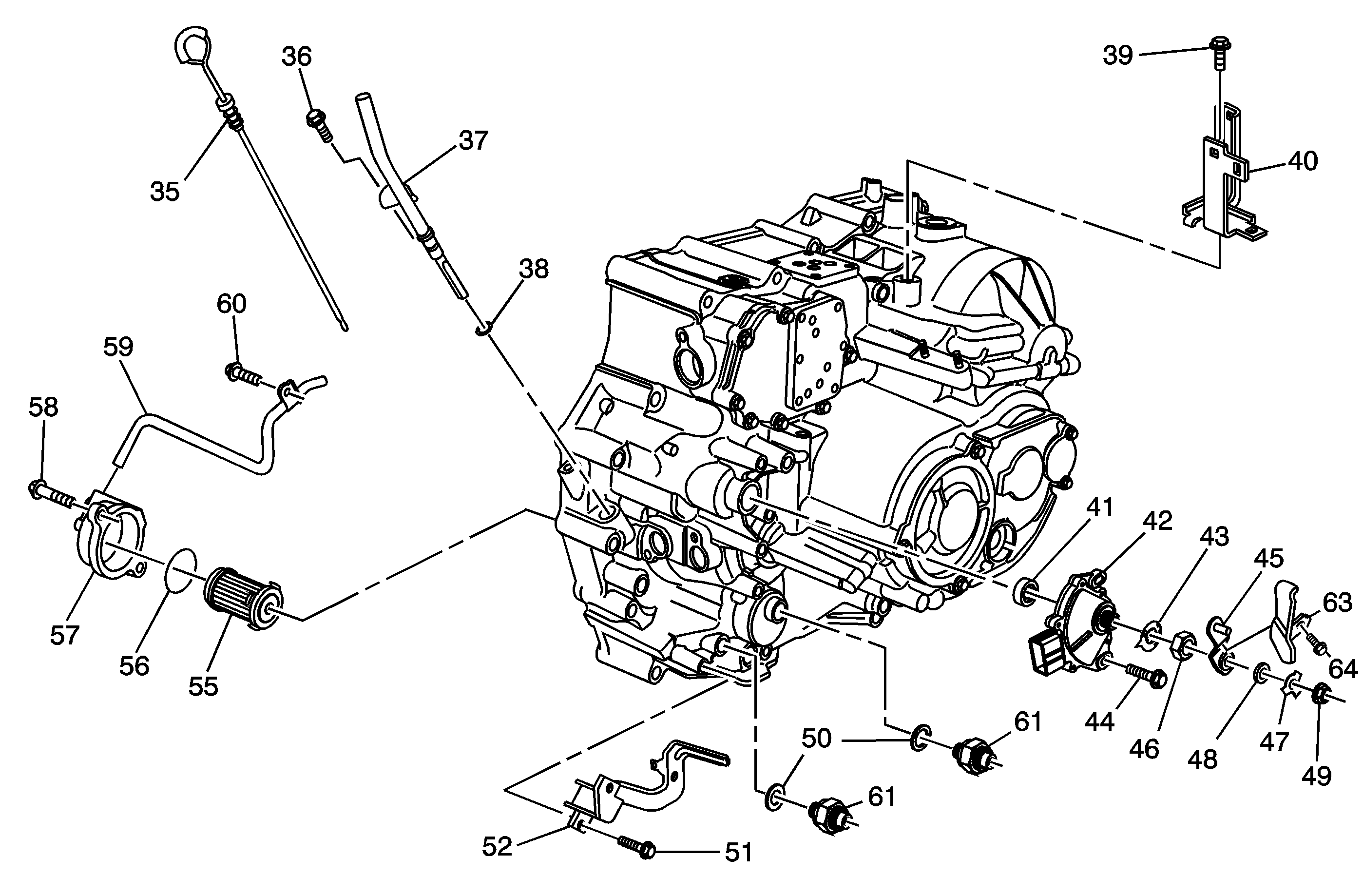
Figure 3:

Oil Level Gage/Position Sensor


Object Number: 1632001  Size: MF
(35)Transmission Fluid Level Indicator
(36)Transmission Fluid Fill Tube Bolt - M6 x 14 mm
(37)Transmission Fluid Fill Tube Assembly
(38)Transmission Fluid Fill Tube O-Ring Seal - 8.5 x 1.9 mm
(39)Engine Wiring Harness Bracket Bolt - M6 x 12 mm
(40)Engine Wiring Harness Bracket
(41)Manual Shift Shaft Seal - 12 x 22 x 7 mm
(42)Park/Neutral Position Switch
(43)Park/Neutral Position Switch Washer - 16 mm
(44)Park/Neutral Position Switch Bolt - M6 x 16 mm
(45)Automatic Transmission Range Selector Lever Assembly
(46)Park/Neutral Position Switch Nut - 16 mm
(47)Automatic Transmission Range Selector Lever Washer - 8 mm
(48)Automatic Transmission Range Selector Lever Washer - 8 mm
(49)Automatic Transmission Range Selector Lever Nut - 8 mm
(50)Transmission Fluid Cooler Pipe Fitting Seal - 12 mm
(51)Transmission Fluid Cooler Pipe Bracket Bolt - M6 x 14 mm
(52)Transmission Fluid Cooler Pipe Bracket
(55)Automatic Transmission Fluid Filter
(56)Automatic Transmission Fluid Filter Cover Seal - 37.7 x 3.5 mm
(57)Automatic Transmission Fluid Filter Cover
(58)Automatic Transmission Fluid Filter Cover Bolt - M6 x 20 mm
(59)Lube Fluid Pipe
(60)Lube Fluid Pipe Retainer Bolt - M6 x 12 mm
(61)Transmission Fluid Cooler Pipe Fitting
(61)Transmission Fluid Cooler Pipe Fitting
(63)Automatic Transmission Range Selector Level Link Cover
(64)Automatic Transmission Range Selector Lever Position Switch Shield Bolt - M6 x 16 mm
Figure 4:

Transmission Case


Object Number: 1201992  Size: MF
(65) 3rd Clutch Shaft Rear Bearing - 20 x 41 x 17/16 mm
(66)Manual Shift Shaft Bearing - 12 x 24 x 6 mm
(67)Automatic Transmission Fluid Pressure Test Hole Plug - 8 mm
(67)Automatic Transmission Fluid Pressure Test Hole Plug - 8 mm
(67)Automatic Transmission Fluid Pressure Test Hole Plug - 8 mm
(68)Torque Converter Housing Gasket
(69)Park Pawl Actuator Bearing - 9 x 20 x 6 mm
(70)Coast Clutch Apply Fluid Pipe
(71)Coast Clutch Apply Fluid Guide Plate Inner Seal - 11 x 1.9 mm
(72)Coast Clutch Apply Fluid Guide Plate Outer Seal - 34 x 1.9 mm
(73)Coast Clutch Apply Fluid Pipe Guide Plate
(74)1st/2nd Clutch Shaft Selective Shim - 65 mm
(75)Coast Clutch Apply Fluid Pipe Guide Plate Retainer Ring - 40 mm
(76)1st and Coast Clutch Apply Fluid Collar
(77)1st and Coast Clutch Apply Fluid Collar Seal - 43.5 x 2.2 mm
(78)Automatic Transmission Fluid Pressure Test Hole Plug Seal - 8 mm
(78)Automatic Transmission Fluid Pressure Test Hole Plug Seal - 8 mm
(78)Automatic Transmission Fluid Pressure Test Hole Plug Seal - 8 mm
(79)Transmission Fluid Fill Plug
(80)Transmission Fluid Fill Plug Washer - 24 mm
(81)Automatic Transmission Range Selector Lever Cable Bracket Stud - M6 x 28 mm
(82)Clutch Pressure Control Solenoid Manifold Gasket
(83)Clutch Pressure Control Solenoid Manifold Locating Pin - 8 x 14 mm
(83)Clutch Pressure Control Solenoid Manifold Locating Pin - 8 x 14 mm
(84)Clutch Pressure Control Solenoid Manifold
(85)Clutch Pressure Control Solenoid Manifold Bolt - M6 x 35 mm
(86)Transmission Lifting Eye
(87)Transmission Lifting Eye Bolt - M8 x 20 mm
(88)Transmission Lifting Eye
(89)Transmission Lifting Eye Bolt - M10 x 140 mm
(90)Torque Converter Housing Bolt - M10 x 100 mm
(91)Torque Converter Housing Bolt - M10 x 70 mm
(92)Torque Converter Housing Bolt - M10 x 50 mm
(93)Front Wheel Drive Shaft Oil Seal - 40 x 56 x 9 mm
(94)Output Shaft Access Rear Cover Bolt - M6 x 20 mm
(95)Output Shaft Access Rear Cover
(96)Output Shaft Access Rear Seal Cover - 28 x 2.2 mm
(97)Mainshaft Rear Case Cover Rear Bolt - M8 x 21 mm
(98)Mainshaft Case Rear Cover
(99)Mainshaft Case Rear Seal - 104 x 2.2 mm
(100)Mainshaft Rear Bearing - 29 x 82 x 17/15.5 mm
(101)Mainshaft Bearing Retainer Ring - 82 mm
(102)Reverse Idler Gear Access Hole Plug - 20 mm
(103)Reverse Idler Gear Access Hole Plug Seal - 20 mm
(104)Transmission Fluid Drain Plug - 18 mm
(105)Transmission Fluid Drain Plug Washer - 18 mm
(106)Torque Converter Housing Bolt - M10 x 90 mm
(106)Torque Converter Housing Bolt - M10 x 90 mm
(107)Torque Converter Housing Bolt - M10 x 80 mm
(108)Automatic Transmission Wire Harness Bracket
(109)Mainshaft Washer - 29 x 40 x 3.9 mm
(110)Mainshaft Retainer Nut - 26 mm
(111)Automatic Transmission Case Plug - 8 mm
(111)Automatic Transmission Case Plug - 8 mm
(112)Automatic Transmission Case Plug Seal - 8 mm
Figure 5:

Torque Converter Housing


Object Number: 1201994  Size: MF
(67)Automatic Transmission Fluid Pressure Test Hole Plug - 8 mm
(67)Automatic Transmission Fluid Pressure Test Hole Plug - 8 mm
(67)Automatic Transmission Fluid Pressure Test Hole Plug - 8 mm
(78)Automatic Transmission Fluid Pressure Test Hole Seal - 8 mm
(78)Automatic Transmission Fluid Pressure Test Hole Seal - 8 mm
(78)Automatic Transmission Fluid Pressure Test Hole Seal - 8 mm
(78)Automatic Transmission Fluid Pressure Test Hole Seal - 8 mm
(115)Torque Converter Bearing - 42 x 68 x 7.5 mm
(116)Torque Converter Fluid Seal - 46 x 70 x 8 mm
(117)Front Wheel Drive Shaft Oil Seal - 35 x 54 x 8 mm
(118)Transfer Case Input Shaft Seal - 48 x 65 x 7.5 mm
(119)Transmission Case Locating Pin - 14 x 20 mm
(122)1st and 2nd Clutch Shaft Lube Feed Pipe
(123)1st and 2nd Clutch Shaft Fluid Pipe Retainer Bolt - M6 x 12 mm
(124)Automatic Transmission Fluid Baffle
(125)Automatic Transmission Fluid Baffle Bolt - M6 x 12 mm
(125)Automatic Transmission Fluid Baffle Bolt - M6 x 12 mm
(126)Transmission Case Locating Pin - 14 x 25 mm
(126)Transmission Case Locating Pin - 14 x 25 mm
(127)1st and 2nd Clutch Shaft Front Bearing - 29 x 39 x 9.5 mm
(128)1st and 2nd Clutch Shaft Lube Feed Collar Seal - 36.5 x 2.0 mm
(129)1st and 2nd Clutch Shaft Lube Feed Collar
(130)1st and 2nd Clutch Shaft Intermediate Bearing - 32 x 63 x 19 mm
(131)1st and 2nd Clutch Shaft Intermediate Bearing Retainer
(132)1st and 2nd Clutch Shaft Intermediate Bearing Bolt Retainer - 6 mm
(133)1st and 2nd Clutch Shaft Intermediate Bearing Retainer Bolt - M6 x 20 mm
(134)Park Pawl Actuator Shaft Front Bearing - 12 x 24 x 6 mm
(135)Output Shaft Lube Feed Plate
(136)Output Shaft Front Bearing - 40.5 x 74 x 21 mm
(137)Transmission Magnetic Chip Collector
(138)3rd Clutch Shaft Front Bearing - 28 x 52 x 12.8 mm
(139)3rd Clutch Shaft Lube Feed Plate
(140)3rd Clutch Apply Fluid Pipe - 5 x 57.5 mm
(141)Transmission Fluid Cooler Pipe - 10 x 123 mm
(145)Transmission Case Locating Pin - 10 x 20 mm
(146)Torque Converter Housing
(147)Automatic Transmission Case Plug - 10 mm
(148)Automatic Transmission Case Plug Seal - 10 mm
(153)Automatic Transmission Fluid Baffle - AWD Only
(154)Automatic Transmission Fluid Baffle - FWD Only
Figure 6:

Main Control Valve Body Assembly


Object Number: 1202004  Size: LF
(200)Modulator Valve Spring Retainer
(201)Modulator Valve Return Spring - 33.5 mm (1.319 in)
(202)Modulator Valve
(203)Control Valve Body
(204)CPC Valve Return Spring - 17.8 mm (0.701 in)
(205)CPC Valve
(206)Body Valve Bore Plug - 12 mm, Double Groove Design
(206)Body Valve Bore Plug - 12 mm, Double Groove Design
(207)Body Valve Bore Plug Retainer Clip
(207)Body Valve Bore Plug Retainer Clip
(207)Body Valve Bore Plug Retainer Clip
(207)Body Valve Bore Plug Retainer Clip
(207)Body Valve Bore Plug Retainer Clip
(208)E Shift Valve
(209)E Shift Valve Return Spring - 49 mm (1.929 in)
(210)Body Valve Spring Retainer
(210)Body Valve Spring Retainer
(210)Body Valve Spring Retainer
(210)Body Valve Spring Retainer
(211)Transmission Fluid Filter
(212)Relief Valve
(213)Valve Relief Return Spring - 32.1 mm (1.264 in)
(214)4th Clutch Apply Fluid Pipe - 8 x 62 mm
(215)Lubrication Control Valve
(216)Valve Lubrication Control Return Spring - 29.9 mm (1.177 in)
(217)Body Valve Bore Plug - 15 mm
(218)Valve Lock-up Shift Return Spring - 63 mm (2.480 in)
(219)Lock-up Shift Valve
(220)Body Valve Bore Plug - 14 mm
(221)Control Valve Body Bolt - M6 x 40 mm
(222)Control Valve Body Bolt - M6 x 30 mm
(223)Control Valve Body Bolt - M6 x 32 mm
(224)Control Valve Body Bolt - M6 x 20 mm
(225)Torque Converter Check Valve
(226)Valve Torque Converter Check Return Spring - 35.1 mm (1.382 in)
(227)Oil Cooler Check Ball Return Spring - 14.5 mm (0.571 in)
(228)Transmission Fluid Cooler Check Ball Valve - 7/32 inch
(229)Lock-up Timing Valve
(230)Valve Lock-up Timing Return Spring - 34.8 mm (1.370 in)
(231)Valve Body Bore Plug - 12 mm, Single Groove Design
(232)Automatic Transmission Fluid Pump Driven Gear
(233)Automatic Transmission Fluid Pump Driven Gear Pin
(234)Automatic Transmission Fluid Pump Drive Gear
(235)Manual Valve
(236)D Shift Valve Return Spring - 33.7 mm (1.327 in)
(237)D Shift Valve
(239)B Shift Valve Return Spring - 49.1 mm (1.933 in)
(240)B Shift Valve
(241)A Shift Valve Return Spring - 49.1 mm (1.933 in)
(242)A Shift Valve
(243)Spacer Plate Locating Pin - 8 x 14 mm
(243)Spacer Plate Locating Pin - 8 x 14 mm
(244)Control Valve Body Spacer Plate
(245)Lubrication Control Valve
(250)Control Valve Body Assembly
Figure 7:

Servo Control Valve Body Assembly


Object Number: 1202008  Size: MF
(300)Servo Valve Body Spacer Plate
(301)Spacer Plate Locating Pin - 8 x 14 mm
(301)Spacer Plate Locating Pin - 8 x 14 mm
(302)Body Valve Spring Retainer
(303)Kick Down Valve Return Spring - 49.1 mm (1.933 in)
(304)Kick Down Valve
(305)Kick Down Short Valve
(306)Servo Valve Body
(307)CPC Valve B, Return Spring - 17.8 mm (0.701 in)
(308)CPC Valve B Valve
(309)Body Valve Bore Plug - 12 mm
(309)Body Valve Bore Plug - 12 mm
(310)Body Valve Bore Plug Retainer Clip
(310)Body Valve Bore Plug Retainer Clip
(311)Valve 1st Clutch Accumulator Check - 7/32 in
(312)Servo Valve Body Bolt - M6 x 60 mm
(313)Reverse CPC Valve Return Spring - 17.8 mm (0.701 in)
(314)Reverse CPC Valve
(315)Body Valve Bore Plug - 14 mm
(316)Servo Valve Control Valve
(317)Servo Valve Control Valve Return Spring - 35.7 mm (1.406 in)
(318)1st Clutch Check Valve - 7/32 inch
(319)2nd Clutch Check Valve - 7/32 inch
(320)Shift Valve C Return Spring - 49.1 mm (1.933 in)
(321)Shift C Valve
(323)CPC A Valve
(324)CPC Valve A Return Spring - 17.8 mm (0.701 in)
(325)Servo Valve Body
(326)1st Accumulator Choke
Figure 8:

Regulator Valve Body Assembly


Object Number: 1202005  Size: MF
(400)Regulator Valve Body Spacer Plate
(401)Spacer Plate Locating Pin - 8 x 14 mm
(401)Spacer Plate Locating Pin - 8 x 14 mm
(404)Stator Shaft
(405)Stator Shaft Travel Stop Pin - 7 x 71 mm
(406)Stator Shaft O-Ring Seal - 32.5 x 1.8 mm
(407)Pressure Regulator Valve Spring Cap
(408)Stator Reaction Spring - 30.0 mm (1.193 in)
(409)Regulator Valve Outer Spring - 80.6 mm (3.173 in)
(410)Regulator Valve Inner Spring - 44.0 mm (1.732 in)
(411)Regulator Valve Body Bolt - M6 x 35 mm
(412)Regulator Valve Body Bolt - M6 x 55 mm
(413)Regulator Valve Body Bolt - M6 x 70 mm
(414)Regulator Valve Body Bolt - M6 x 80 mm
(415)Pressure Regulator Valve
(416)Pressure Regulator Valve Spring Cap Guide Bolt - M6 x 30 mm
(417)3rd Accumulator Piston Bore Cover Bolt - M6 x 30 mm
(418)3rd Accumulator Piston Bore Cover
(419)3rd Clutch Accumulator Piston Return Spring - 41.4 mm (1.630 in)
(420)3rd Clutch Accumulator Piston
(421)3rd Clutch Accumulator Piston Seal - 21.2 x 2.4 mm
(422)Regulator Valve Body
(423)TCC Lock-Up Control Valve
(424)TCC Lock-Up Control Valve Return Spring - 42.9 mm (1.689 in)
(425)TCC Lock-Up Control Valve Spacer
(426)Valve Body Bore Plug - 15 mm
(427)Body Valve Bore Plug Retainer Clip
(428)Reverse Shift Fork Shaft
(429)Reverse Shift Fork Shaft Seal - 31 x 2.7 mm
(430)Regulator Valve Body Assembly
(431)Stator Shaft and Torque Arm Assembly
Figure 9:

Accumulator Valve Body Assembly


Object Number: 1202006  Size: MF
(450)Accumulator Valve Body Spacer Plate
(451)Spacer Plate Locating Pin - 8 x 14 mm
(451)Spacer Plate Locating Pin - 8 x 14 mm
(452)5th Clutch Accumulator Piston Retainer Ring - 36 mm
(453)5th Clutch Accumulator Piston Outer Seal - 29 x 2.4 mm
(454)5th Clutch Accumulator Piston
(455)5th Clutch Accumulator Piston Inner Seal - 21.2 x 2.4 mm
(456)5th Clutch Accumulator Piston Inner Spring - 45.5 mm (1.791 in)
(457)5th Clutch Accumulator Piston Outer Spring - 75.7 mm (2.980 in)
(458)Accumulator Valve Body
(459)4th Clutch Accumulator Piston Seal - 21.2 x 2.4 mm
(460)4th Clutch Accumulator Piston
(461)4th Clutch Accumulator Piston Spring - 45.3 mm (1.783 in)
(462)4th Clutch Accumulator Spring Cover
(463)4th Clutch Accumulator Spring Cover Retainer Ring - 28 mm
(464a)Shift Solenoid Valve O-Ring Seal - 9.6 x 1.9 mm
(464a)Shift Solenoid Valve O-Ring Seal - 9.6 x 1.9 mm
(464a)Shift Solenoid Valve O-Ring Seal - 9.6 x 1.9 mm
(464b)Shift Solenoid Valve O-Ring Seal - 7.6 x 1.9 mm
(464b)Shift Solenoid Valve O-Ring Seal - 7.6 x 1.9 mm
(464b)Shift Solenoid Valve O-Ring Seal - 7.6 x 1.9 mm
(465)C Shift Solenoid Valve
(466)A Shift Solenoid Valve
(467)Shift Solenoid Valve Bolt - M6 x 16 mm
(468)TCC Solenoid Valve
(470)B Shift Solenoid Valve
(472)Coast Clutch Accumulator Valve Retainer
(473)Coast Clutch Accumulator Valve Spring - 42.9 mm (1.689 in)
(474)Coast Clutch Accumulator Valve
(475)Mainshaft Lube Fluid Pipe - 8 x 85 mm
(476)Accumulator Valve Body Bolt - M6 x 110 mm
(477)Accumulator Valve Body Bolt - M6 x 60 mm
(478)Accumulator Valve Body Bolt - M6 x 140 mm
(479)Accumulator Valve Body Bolt - M6 x 125 mm
(480a)1st Clutch Control Fluid Pipe - 8 x 151.5 mm
(480b)Coast Clutch Control Fluid Pipe - 8 x 151.5 mm
(481)4th Clutch Control Fluid Pipe - 8 x 40 mm
(482)Accumulator Valve Body Bolt - M6 x 95 mm
(483)Accumulator Valve Body Bolt - M6 x 85 mm
(484)1st Clutch Accumulator Piston Outer Spring
(485)1st Clutch Accumulator Piston Inner Spring
(486)1st Clutch Accumulator Piston Inner Seal - 18.3 x 2.4 mm
(487)1st Clutch Accumulator Piston
(488)1st Clutch Accumulator Piston Outer Seal - 29 x 2.4 mm
(489)1st Clutch Accumulator Piston Retainer Ring - 36 mm
(490)2nd Clutch Accumulator Piston Spring - 53.4 mm (2.102 in)
(491)2nd Clutch Accumulator Piston
(492)2nd Clutch Accumulator Piston Seal - 21.2 x 2.4 mm
(493)2nd Clutch Accumulator Piston Retainer Ring - 26 mm
Figure 10:

Output Shaft Components


Object Number: 1542291  Size: MF
(500)3rd/4th Driven Gear
(501)3rd/4th Driven Gear Selective Spacer - 52 mm
(502)3rd/4th Driven Gear Retainer Ring - 39 mm
(503)3rd/4th Driven Gear Retainer Ring Cap
(504)3rd/4th Driven Gear Retainer Ring Cap Retainer Ring
(505)5th Driven Gear Spacer - 35 x 47 x 6 mm
(506)5th Driven Gear Inner Bearing - 35 x 21 x 46 mm
(507)5th Driven Gear
(508)5th/Reverse Synchronizer Ring
(509)5th/Reverse Synchronizer Hub
(510)Reverse Driven Gear Inner Bearing Race - 31 x 40 x 14.5 mm
(511)Reverse Drive Gear Inner Bearing - 40 x 46 x 14.5 mm
(512)Reverse Driven Gear
(513)Output Shaft Retainer Ring - 93 mm
(514)Output Shaft Rear Bearing - 31 x 93 x 19 mm
(515)Output Shaft Washer - 24 mm
(516)Output Shaft Retainer Nut - 24 mm
(517)1st Driven Gear
(518)1st Driven Gear Selective Spacer - 56 mm
(519)1st/2nd Idler Gear End Bearing - 56 x 87.5 x 5.5 mm
(520)1st/2nd Idler Gear
(521)1st/2nd Idler Gear Inner Bearing - 57 x 65 x 28.7 mm
(522)1st/2nd Idler Gear End Bearing - 65 x 83 x 4.5 mm
(523)2nd Driven Gear
(524)Output Shaft
(525)Reverse Idler Gear Retainer Ring - 14 mm
(526)Reverse Idler Gear Washer - 14 x 30 x 1 mm
(526)Reverse Idler Gear Washer - 14 x 30 x 1 mm
(527)Reverse Idler Gear
(528)Reverse Idler Gear Inner Bearing - 14 x 18 x 15 mm
(530)Reverse Idler Gear Retaining Plate Sleeve - 10 x 16 mm
(531)Reverse Idler Gear Retainer Plate
(532)Reverse Idler Gear Retainer Plate Bolt - M8 x 1.0 x 35 mm
(533)Reverse Idler Gear Assembly
Figure 11:

Mainshaft Components


Object Number: 1711916  Size: MF
(600)Mainshaft Front Bearing Retainer Ring - 23 mm
(601)Mainshaft Front Bearing - 23 x 31 x 21.8 mm
(602)Mainshaft Fluid Passage Seal - 31 mm
(603)Mainshaft
(604)4th /5th Reverse Clutch Housing Fluid passage O-ring Seal - 33 x 1.9 mm
(605)4th Drive Gear and Hub Bearing Retainer Ring - 81 mm
(606)4th Drive Gear and Clutch Hub Bearing - 38 x 78 x 37/27 mm
(607)4th Drive with Clutch Hub Gear
(608)4th Clutch Backing Plate Retainer Ring - 137 mm
(609)4th Clutch Selective Backing Plate
(610)4th Clutch Fiber Plate Assembly
(611)4th Clutch Steel Flat Plate
(612)4th Clutch Piston Retainer Ring - 44 mm
(613)4th Clutch Piston Retainer Cap
(614)4th Clutch Piston Return Spring
(615)4th Clutch Spring Plate
(616)4th Clutch Piston
(617)4th Clutch Piston Outer Seal - 119.1 x 2.3 mm
(618)4th Clutch Piston Inner Seal - 44.1 x 2.2 mm
(619)5th/Reverse Drive Gear and Clutch Hub End Bearing - 40 x 53 x 2.5 mm
(620)5th/Reverse Drive Gear with Clutch Hub Gear
(621)5th/Reverse Drive Gear and Clutch Hub Inner Bearing - 40 x 46 x 34 mm
(622)5th/Reverse Drive Gear and Clutch Hub End Bearing - 40 x 59 x 3 mm
(623)5th/Reverse Drive Gear and Clutch Hub Bearing Race - 33 x 40 x 48.7 mm
(624)5th/Reverse Clutch Backing Plate Retainer Ring - 137 mm
(625)5th/Reverse Clutch Selective Backing Plate
(626)5th/Reverse Clutch Fiber Plate Assembly
(627)5th/Reverse Clutch Steel Flat Plate
(628)5th/Reverse Clutch Piston Retainer Ring - 44 mm
(629)5th/Reverse Clutch Piston Retainer Cap
(630)5th/Reverse Clutch Piston Return Spring
(631)5th/Reverse Clutch Spring Plate
(632)5th/Reverse Clutch Piston Assembly
(633)5th/Reverse Clutch Piston Outer Seal - 119.1 x 2.3 mm
(634)5th/Reverse Clutch Piston Inner Seal - 44.1 x 2.2 mm
(635)4th/5th/Reverse Clutch Housing Assembly
(641)1st, 2nd, and 3rd Drive Gear
(650)4th Clutch Steel Wave Plate
(651)5th/Reverse Clutch Steel Wave Plate
Figure 12:

1st and 2nd Clutch Shaft Components


Object Number: 1679623  Size: MF
(700)1st Clutch Backing Plate Retainer Ring - 141 mm
(701)1st Clutch Selective Backing Plate
(702)1st Clutch Fiber Plate Assembly
(703)1st Clutch Steel Plate
(704)1st Clutch Spring Plate
(705)Coast Clutch Backing Plate
(706)Coast Clutch Fiber Plate Assembly
(707)Coast Clutch Steel Plate
(708)1st and Coast Clutch Piston Retainer Ring - 44 mm
(709)1st and Coast Clutch Piston Retainer Cap
(710)1st and Coast Clutch Piston Return Spring
(711)Coast Clutch Spring Plate
(712)Coast Clutch Piston Assembly
(713)Coast Clutch Piston Outer Seal - 110 x 2.2 mm
(714)Coast Clutch Piston Inner Seal - 52.1 x 2.2 mm
(715)1st Clutch Piston
(716)1st Clutch Piston Outer Seal - 119 x 2.3 mm
(717a)1st Clutch Piston Inner Seal - 44.1 x 2.2 mm
(717b)1st Clutch Piston Inner Seal - 45.1 x 2.2 mm
(718)1st/Coast Clutch Housing Assembly
(719)1st/2nd Clutch Shaft Rear Bearing - 29 x 65 x 9 mm
(720)1st/2nd Clutch Shaft Retainer Nut Washer - 29 x 40 x 3.9 mm
(721)1st/2nd Clutch Shaft Retainer Nut - 26 mm
(722)1st/Coast Clutch Hub Bearing Selective Race - 52 mm
(723)1st/Coast Clutch Hub End Bearing - 40 x 57 x 2.5 mm
(724)Coast Clutch Hub
(725)Coast Sprag with 1st Clutch Hub Sprag Assembly
(726)1st Drive Gear
(727) 1st Drive Gear End Bearing - 43.5 x 61.5 x 2.5 mm
(728) 1st Drive Gear Inner Bearing - 39 x 44 x 47 mm
(729)1st Drive Gear Inner Bearing Race - 32 x 39 x 63.3 mm
(730)1st/2nd Clutch Shaft Drive Gear
(731)2nd Drive Gear End Bearing - 44 x 66 x 3.5 mm
(731)2nd Drive Gear End Bearing - 44 x 66 x 3.5 mm
(732)2nd Drive Gear with Clutch Hub and Park Gear Assembly
(733)2nd Drive Gear Inner Bearing - 44 x 50 x 42 mm
(734)Splined Washer
(735)1st/Coast Clutch Housing Fluid Passage Seal - 26.7 x 1.9 mm
(736)1st/2nd Clutch Shaft
(737)2nd Clutch Housing Fluid Passage Seal - 31.2 x 1.9 mm
(738)1st/2nd Clutch Shaft Fluid Passage Seal - 29 mm, Square Cut
(739)2nd Clutch Backing Plate Retainer Ring - 129 mm
(740)2nd Clutch Selective Backing Plate
(741)2nd Clutch Fiber Plate Assembly
(742)2nd Clutch Steel Flat Plate
(743)2nd Clutch Piston Retainer Ring - 42 mm
(744)2nd Clutch Piston Retainer Cap
(745)2nd Clutch Piston Return Spring
(746)2nd Clutch Piston
(747)2nd Clutch Piston Outer Seal - 114 x 2.2 mm
(748)2nd Clutch Piston Inner Seal - 42.8 x 2.2 mm
(749)2nd Clutch Housing Assembly
(750)2nd Clutch Housing Thrust Bearing - 46 x 62.95 x 4.62 mm
(751)2nd Clutch Housing Retainer Ring - 32 mm
(760)2nd Clutch Steel Wave Plate
Figure 13:

3rd Clutch Shaft


Object Number: 1711922  Size: LF
(800)3rd Drive Gear and Clutch Hub End Bearing Selective Race - 53 mm
(801)3rd Drive Gear and Clutch Hub End Bearing - 30 x 52 x 3 mm
(801)3rd Drive Gear and Clutch Hub End Bearing - 30 x 52 x 3 mm
(802)3rd Drive Gear and Clutch Hub Inner Bearing - 30 x 36 x 32 mm
(803)3rd Drive with Clutch Hub Gear
(805)3rd Driven Gear
(806)3rd Driven Gear Retainer Ring - 19.8 mm
(807)3rd Driven Gear Retainer Ring Cap
(808)3rd Driven Gear Retainer Ring Cap Retainer Ring - 24 mm
(809)3rd Clutch Shaft Selective Washer - 26.5 mm
(810)3rd Clutch Backing Plate Retainer Ring - 137 mm
(811)3rd Clutch Selective Backing Plate
(812)3rd Clutch Fiber Plate Assembly
(813)3rd Clutch Steel Flat Plate
(814)3rd Clutch Piston Retainer Ring - 42 mm
(815)3rd Clutch Piston Return Spring Cup
(816)3rd Clutch Piston Return Spring
(817)3rd Clutch Spring Plate
(818)3rd Clutch Piston
(819)3rd Clutch Piston Outer Seal - 116.7 x 2.2 mm
(820)3rd Clutch Piston Inner Seal - 41.8 x 2.2 mm
(821)3rd Clutch Housing Assembly
(822)3rd Clutch Housing Fluid Passage Seal - 26.7 x 1.9 mm
(823)3rd Clutch Shaft
(824)3rd Clutch Shaft Fluid Passage Seal - 35 mm, Square Cut
(830)3rd Clutch Steel Wave Plate
Figure 14:

Front Differential Assembly


Object Number: 1202002  Size: MF
(900)Front Differential Bearing Spacer - 46 x 80 x 1 mm
(901)Front Differential Bearing Race
(902)Front Differential Bearing - 40 x 80 x 21.25 mm
(903)Input Drive Gear - AWD Only
(904)Front Differential Assembly
(905)Front Differential Final Ring Gear
(906)Front Differential Carrier Bolt Left Hand Thread
(907)Front Differential Bearing - 45 x 85 x 19.7 mm
(908)Front Differential Bearing Race
(909)Front Differential Bearing Spacer - 46 x 85 x 1 mm
(910)Front Differential Bearing Selective Shim - 85 mm diameter
(911)Transfer Case Input Gear with Input Shaft Bearing - 22 x 76 x 19 mm
(912)Transfer Case Input Gear with Input Shaft Selective Shim - 28.5 mm diameter
(913)Transfer Case Input Gear with Input Shaft Gear
(914)Transfer Case Input Gear with Input Shaft Bearing - 40 x 80 x 16.5 mm
(950)Front Differential Pinion Shaft
(951)Front Differential Pinion Shaft Retaining Pin
(953)Front Differential Side Pinion Shaft (2)
(954)Front Differential Side Pinion Shaft Retainer Pin (2)
(955)Front Differential Side Pinion Shaft Washer (4)
(956)Front Differential Pinion Gear (4)
(957)Front Differential Side Pinion Shaft Holder
(958)Front Differential Side Gear (2)
(959)Front Differential Side Gear Washer (2)
(960)Front Differential Carrier Cover
(961)Front Differential Carrier Cover Bolt (2), Phillips Head
Figure 15:

Shift Components


Object Number: 1202007  Size: MF
(920)Park Pawl Shaft
(921)Park Pawl Actuator Spring
(922)Park Pawl
(923)Park Pawl Stop Lever Pin - 8 x 73 mm
(924)Reverse Shift Fork
(925)Reverse Shift Fork Washer
(926)Reverse Shift Fork Retainer Bolt - M6 x 30 mm
(927)Automatic Transmission Fluid Baffle
(928)Transmission Fluid Baffle Bolt - M6 x 80 mm
(929)Transmission Fluid Baffle Bolt - M6 x 95 mm
(930)Automatic Transmission Fluid Filter Bolt
(931)Automatic Transmission Fluid Filter
(932)Manual Shift Shaft Assembly
(933)Manual Shaft Retainer Ring - 12 mm
(934)Park Pawl Actuator Shaft Hole Pin - 4 x 18 mm
(935)Manual Shift Shaft Detent Roller Assembly
(936)Manual Shift Shaft Detent Roller Spring
(937)Manual Shift Shaft Detent Roller Pin
(938)Park Pawl Actuator Spring
(939)Park Pawl Actuator Roller Pin Washer - 6 mm
(940)Park Pawl Actuator Roller Pin Retainer Pin - 1.6 x 12 mm
(941)Park Pawl Actuator
(942)Park Pawl Actuator Roller Pin - 6 mm
(943)Park Pawl Actuator Roller
(944)Parking Pawl Stop Lever
(945)Park Pawl Stop Lever Washer - 6 mm
(946)Park Pawl Stop Lever Bolt - M6 x 25 mm
(947)Automatic Transmission Fluid Filter O-ring Seal - 21.8 x 1.9 mm