GM Service Manual Online
For 1990-2009 cars only
Makes
🢒
Saturn
🢒
2006
🢒
VUE - FWD
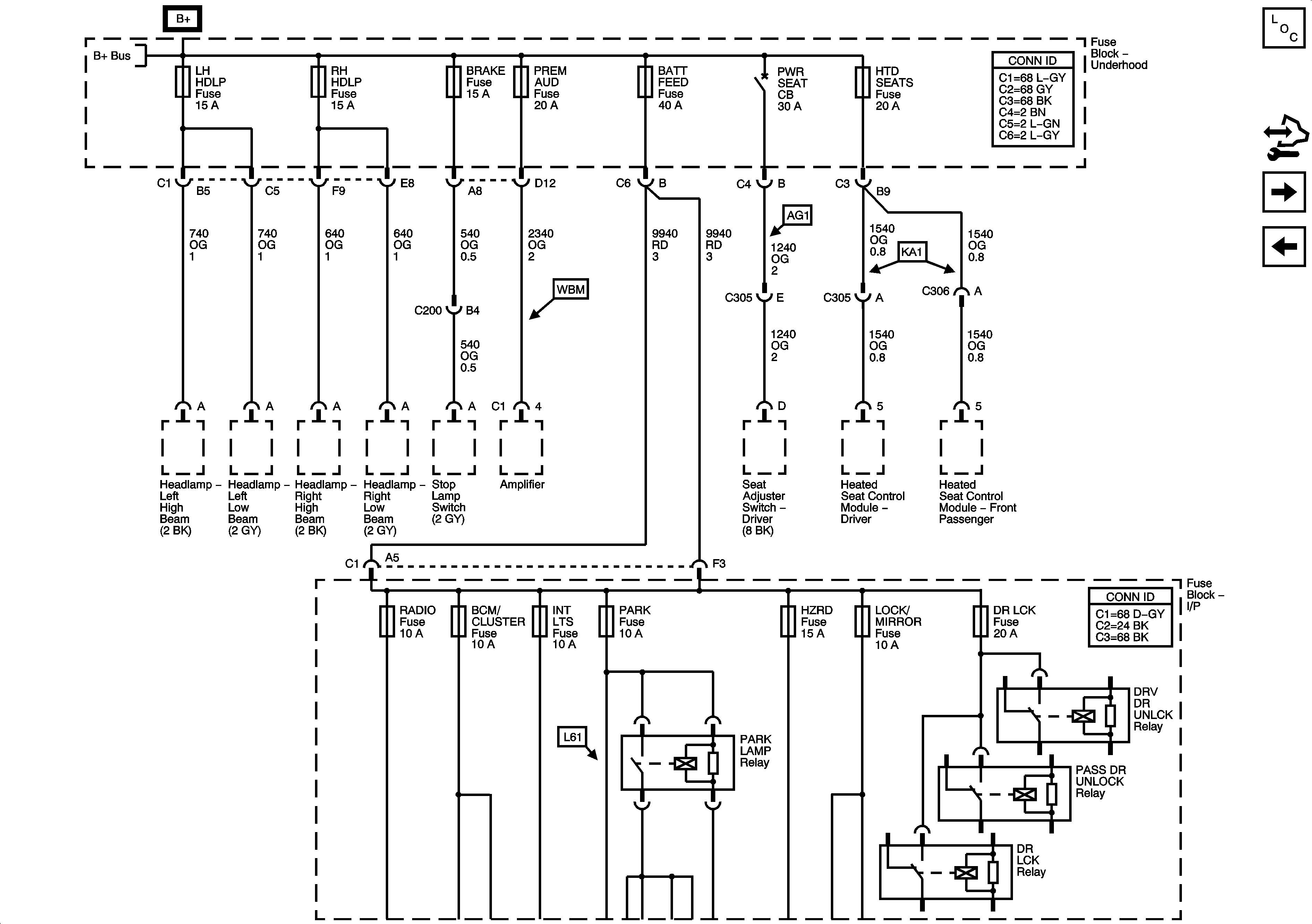
🢒 PWR SEAT Circuit Breaker, LH HDLP Fuse, RH HDLP Fuse, BRAKE Fuse, PREM AUD Fuse, BATT FEED Fuse and the HTD SEATS Fuse
PWR SEAT Circuit Breaker, LH HDLP Fuse, RH HDLP Fuse, BRAKE Fuse, PREM AUD Fuse, BATT FEED Fuse and the HTD SEATS Fuse
PWR SEAT Circuit Breaker, LH HDLP, RH HDLP, BRAKE, PREM AUD, BATT FEED, and HTD SEATS Fuses
Master Electrical Component List
Control Module References
RADIO Fuse, LOCK/MIRROR Fuse, BCM/CLUSTER Fuse, INT LTS Fuse, PARK Fuse and the HZRD Fuse
SUNROOF Fuse, PWR WDW Fuse, 10A ABS Fuse, 20A ABS Fuse, ABS PWR Fuse, HVAC BLOWER Fuse, AUX1 OUTLET Fuse, CIGAR/AUX2 Fuse and the ECM/TCM Fuse
B+ Bussing and the EPS Fuse