GM Service Manual Online
For 1990-2009 cars only
Makes
🢒
Saturn
🢒
2006
🢒
VUE - FWD
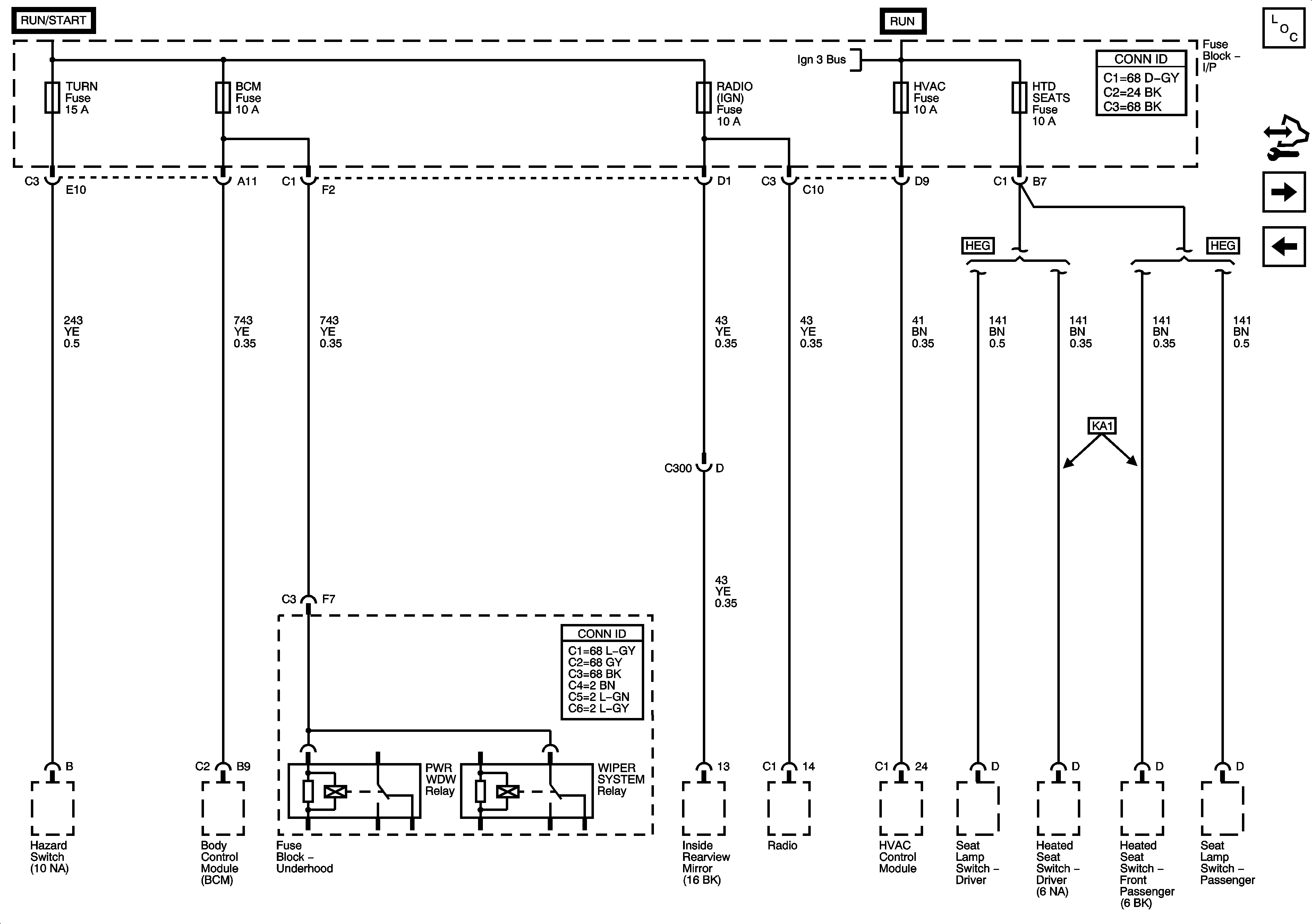
🢒 TURN Fuse, BCM Fuse, RADIO(IGN) Fuse, HVAC Fuse and the HTD SEATS Fuse
TURN Fuse, BCM Fuse, RADIO(IGN) Fuse, HVAC Fuse and the HTD SEATS Fuse
TURN Fuse, BCM Fuse, RADIO(IGN) Fuse, HVAC Fuse and the HTD SEAST Fuse
Master Electrical Component List
Control Module References
IGN1 Fuse, BCM(IGN) Fuse, AIR BAG Fuse, EPS Fuse and the CRUISE Fuse
BACKUP Fuse, PWR TRAIN Fuse, 10A ABS Fuse and the INJECTORS (L66) Fuse
IGN Fuse and the Ignition Switch Circuits