GM Service Manual Online
For 1990-2009 cars only
Makes
🢒
Saturn
🢒
2006
🢒
VUE - FWD
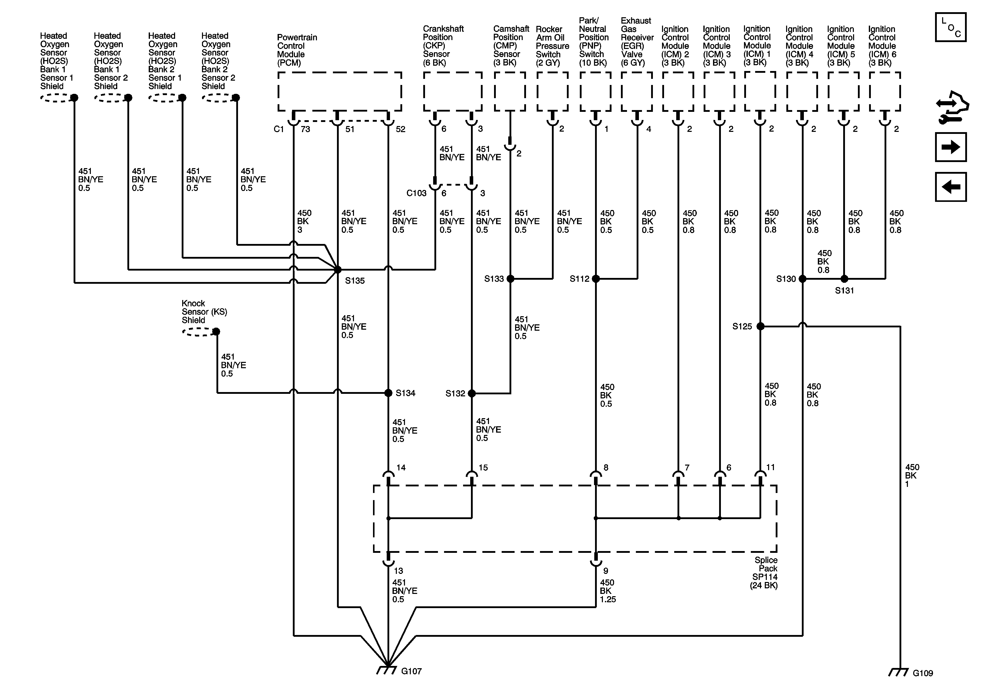
🢒 G107 and G109 - L66
G107 and G109 - L66
G107 and G109 - L66
Master Electrical Component List
Control Module References
G103, G105 and G207
G101