GM Service Manual Online
For 1990-2009 cars only
Makes
🢒
Saturn
🢒
2006
🢒
VUE - FWD
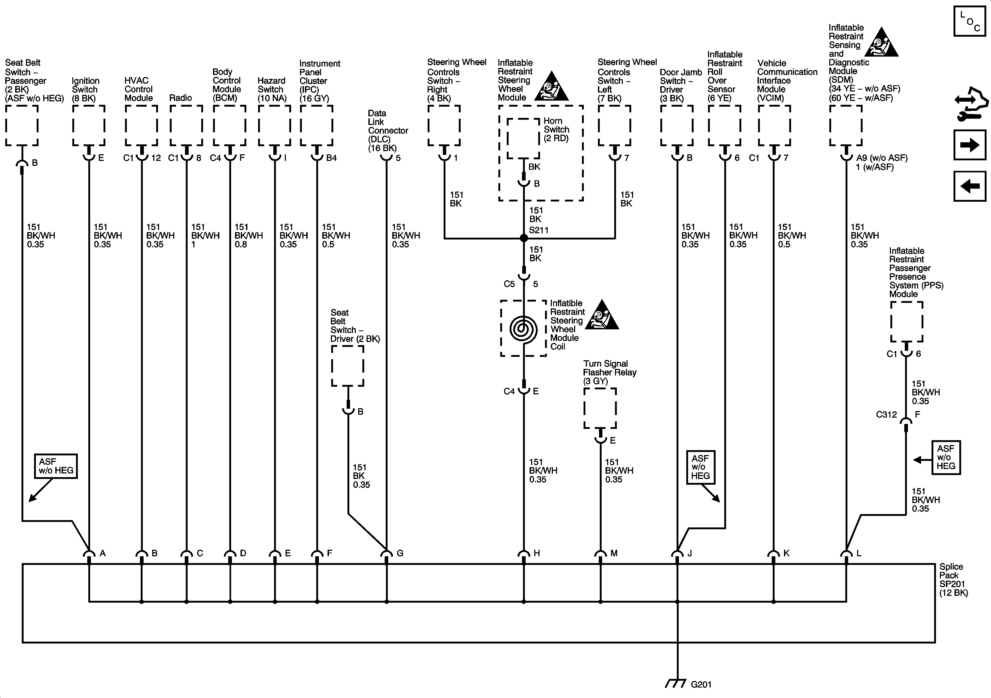
🢒 G201
G201
G201
Master Electrical Component List
Control Module References
G203 and G205
G103, G105 and G207
SIR Caution for Zoning
SIR Caution for Zoning
SIR Caution for Zoning