GM Service Manual Online
For 1990-2009 cars only
Makes
🢒
Saturn
🢒
2006
🢒
VUE - FWD
🢒 Starting - L61
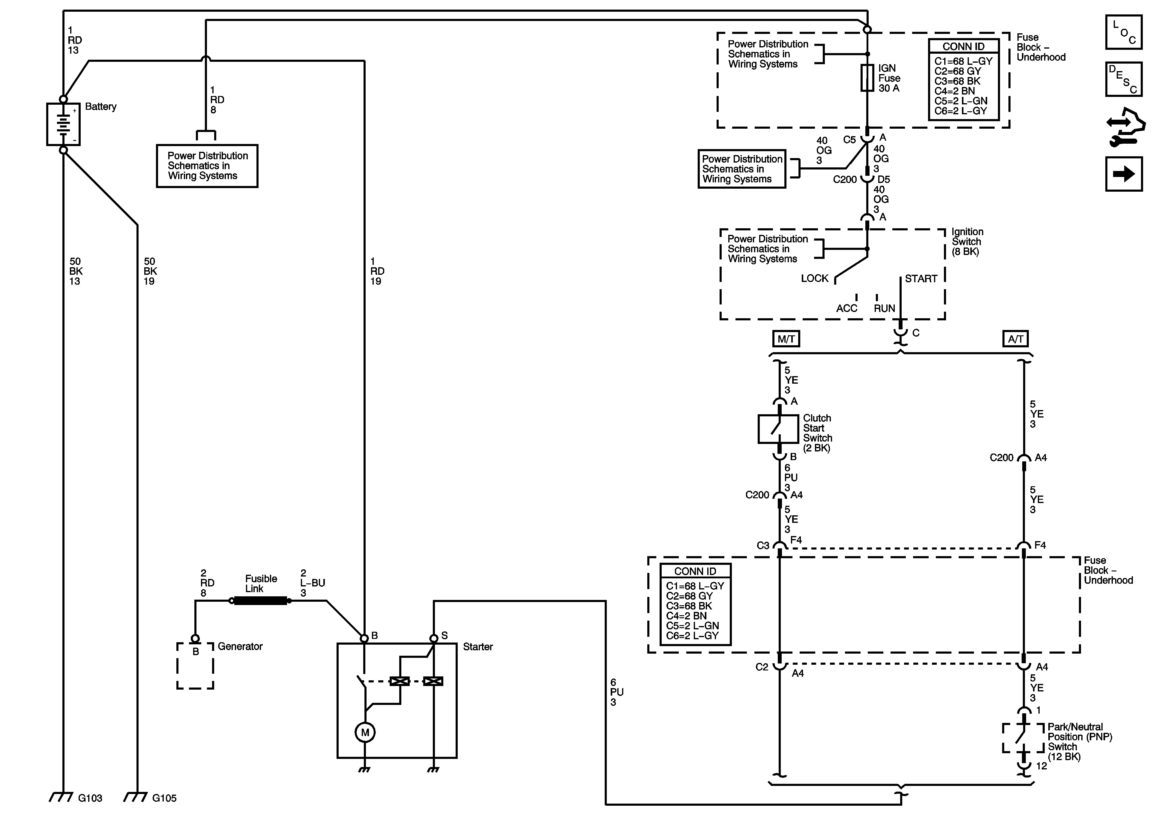
Starting - L61
Starting - L61
Master Electrical Component List
Starting System Description and Operation
Control Module References
Starting - L66
B+ Bussing and the EPS Fuse
IGN Fuse and the Ignition Switch Circuits
IGN Fuse and the Ignition Switch Circuits
B+ Bussing and the EPS Fuse