GM Service Manual Online
For 1990-2009 cars only
Makes
🢒
Saturn
🢒
2006
🢒
VUE - FWD
🢒 Charging and Indicators
Charging and Indicators
Charging and Indicators
Master Electrical Component List
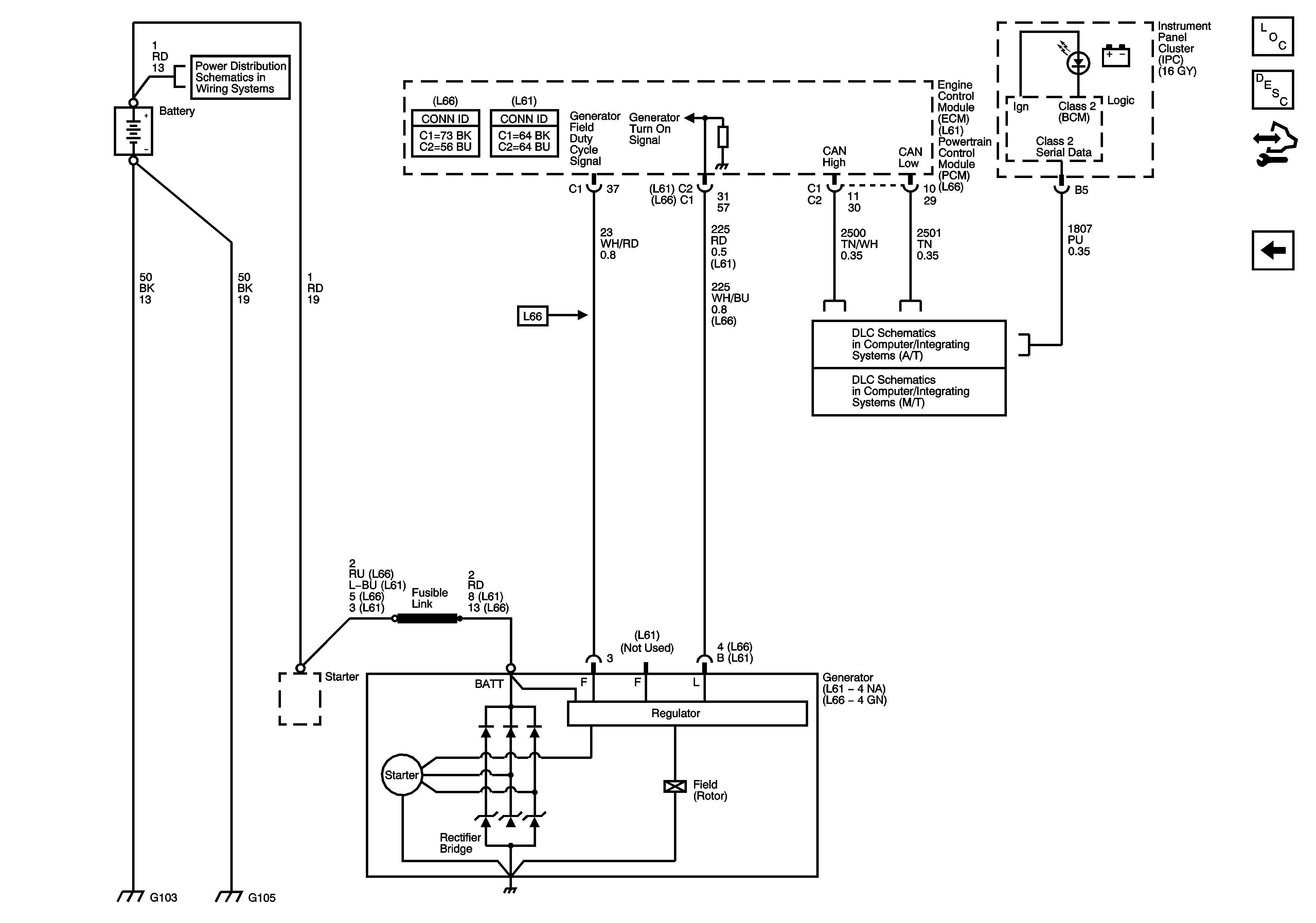
Charging System Description and Operation
Control Module References
Starting - L66
B+ Bussing and the EPS Fuse
L66
DLC Schematic (M/T)