GM Service Manual Online
For 1990-2009 cars only
Makes
🢒
Saturn
🢒
2006
🢒
VUE - FWD
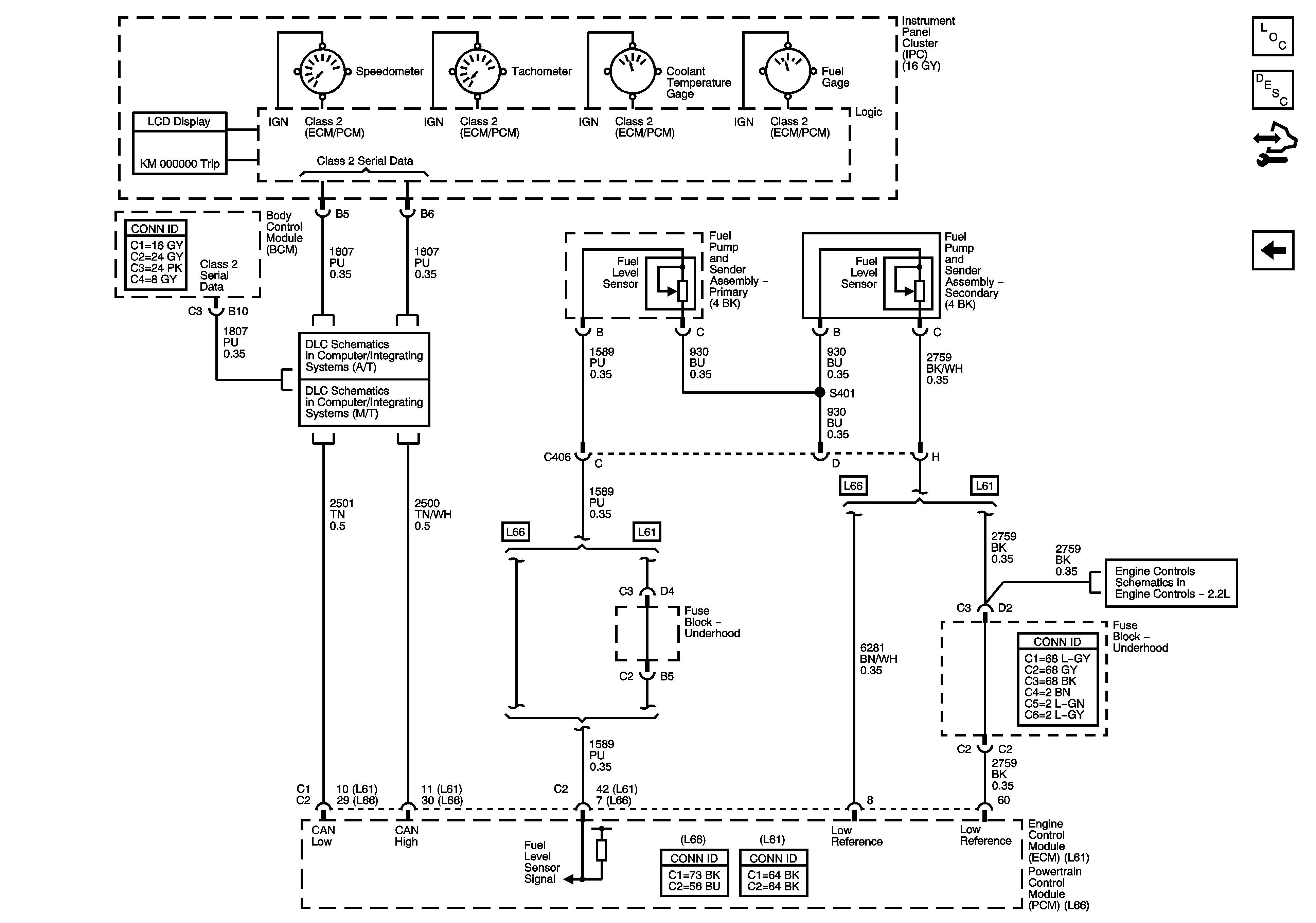
🢒 Gages
Gages
Gages
Master Electrical Component List
Instrument Cluster Description and Operation
Control Module References
Indicators and Serial Data
L66
DLC Schematic (M/T)
Engine Data Sensors - Pressure and Temperature Sensors