GM Service Manual Online
For 1990-2009 cars only
Makes
🢒
Saturn
🢒
2006
🢒
VUE - FWD
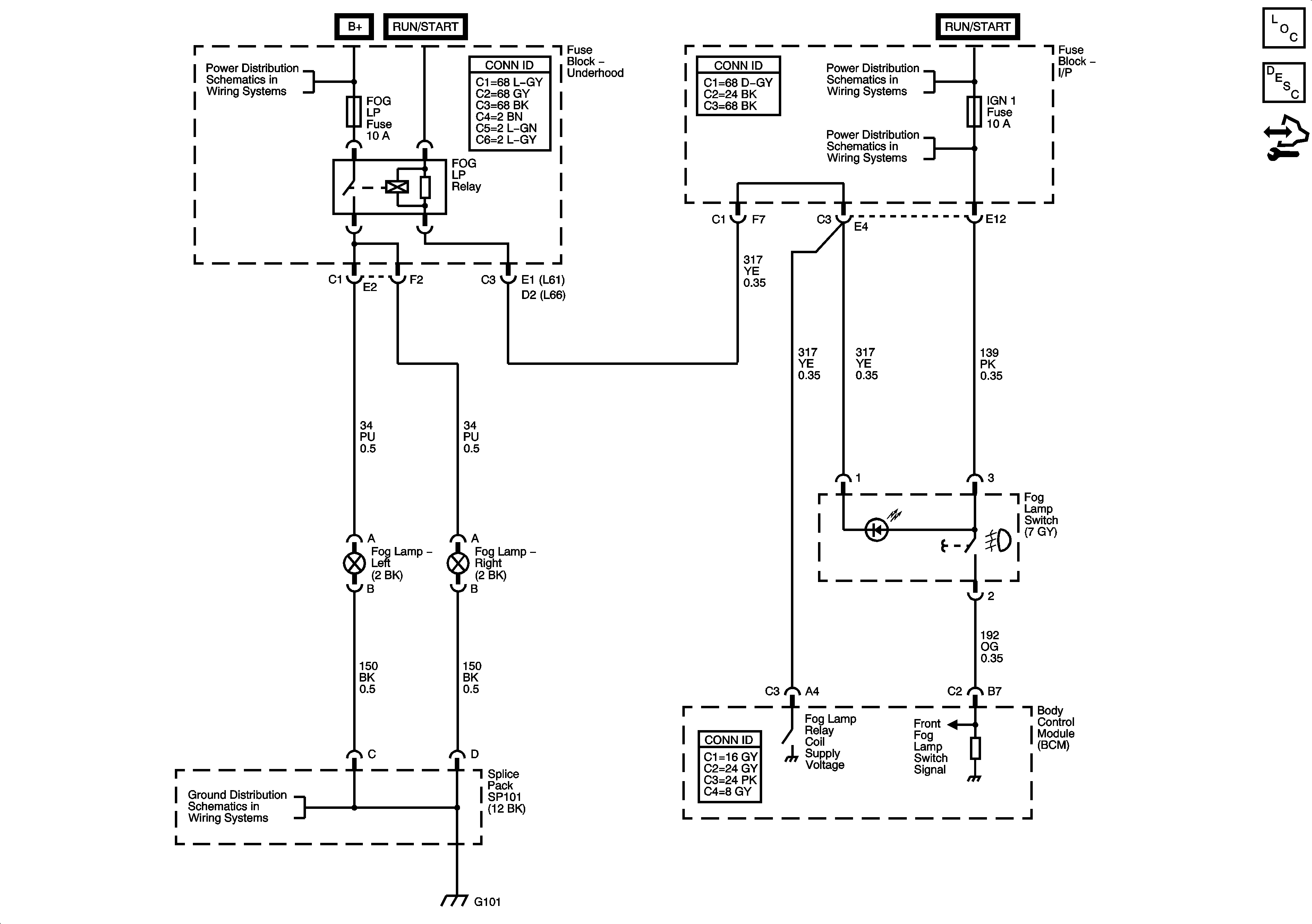
🢒 Fog Lights Schematic
Fog Lights Schematic
Master Electrical Component List
Exterior Lighting Systems Description and Operation
G103 - 1 of 2
B+ Bussing and the EPS Fuse
IGN Fuse and the Ignition Switch Circuits
IGN1 Fuse, BCM(IGN) Fuse, AIR BAG Fuse, EPS Fuse and the CRUISE Fuse
G101