GM Service Manual Online
For 1990-2009 cars only

Removal Procedure


    Object Number: 1815171  Size: SH
  1. Remove the coolant recovery reservoir inlet hose from the retainer (1) on the air cleaner outlet duct.

  2. Object Number: 1815162  Size: SH
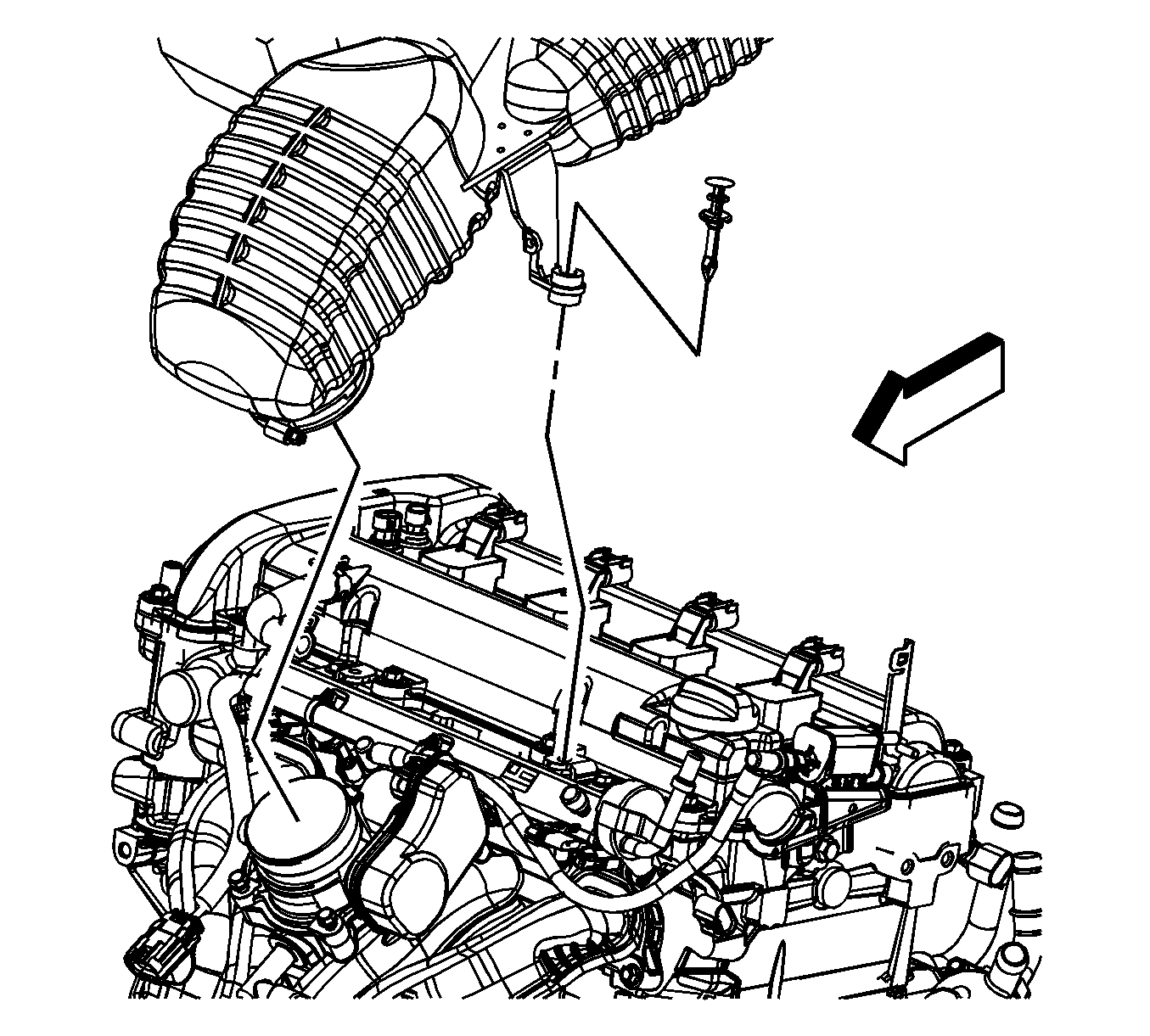
  3. Remove the air cleaner push pin retainer securing the air cleaner outlet duct to the fuel rail.

  4. Object Number: 1815161  Size: SH
  5. Reposition the positive crankcase ventilation (PCV) hose clamp (3) at the air cleaner outlet duct.
  6. Remove the PCV hose from the air cleaner outlet duct.
  7. Loosen the air cleaner outlet duct clamp (1) at the air cleaner assembly.
  8. Loosen the air cleaner outlet duct clamp (2) at the throttle body.
  9. Remove the air cleaner outlet duct.

Installation Procedure


    Object Number: 1815161  Size: SH
  1. Install the air cleaner outlet duct to the air cleaner and the throttle body.
  2. Install the PCV hose to the air cleaner outlet duct.
  3. Position the PCV hose clamp (3) at the air cleaner outlet duct.
  4. Tighten the air cleaner outlet duct clamp (2) at the throttle body.
  5. Notice: Refer to Fastener Notice in the Preface section.

  6. Tighten the air cleaner outlet duct clamp (1) at the air cleaner assembly.
  7. Tighten
    Tighten the clamps to 4.5 N·m (40 lb in).


    Object Number: 1815162  Size: SH
  8. Install the air cleaner push pin retainer securing the air cleaner outlet duct to the fuel rail.

  9. Object Number: 1815171  Size: SH
  10. Install the coolant recovery reservoir inlet hose to the retainer (1) on the air cleaner outlet duct.