GM Service Manual Online
For 1990-2009 cars only

Battery Replacement 2.2L (L61) and 3.5L (L66)

Removal Procedure

    Important: Record all pre-set radio stations.

  1. Turn the ignition OFF.
  2. Disconnect the negative battery cable. Refer to Battery Negative Cable Disconnection and Connection .
  3. Disconnect the positive battery cable.

  4. Object Number: 951451  Size: SH

    Caution: Do not tip the battery over a 45 degree angle or acid could spill causing serious personal injury.

  5. Loosen the battery hold down bolt and remove the battery.

Installation Procedure

    Notice: Refer to Fastener Notice in the Preface section.

    Caution: Do not tip the battery over a 45 degree angle or acid could spill causing serious personal injury.


    Object Number: 951451  Size: SH
  1. Install the battery and tighten the battery hold down bolt.
  2. Tighten
    Tighten the battery hold down bolt to 15 N·m (11 lb ft).

  3. Connect the positive battery cable to the battery.
  4. Tighten
    Tighten the battery terminal bolts to 17 N·m (13 lb ft).

  5. Connect the negative battery cable to the battery. Refer to Battery Negative Cable Disconnection and Connection .
  6. Tighten
    Tighten the battery terminal bolts to 17 N·m (13 lb ft).

  7. Reprogram the radio stations.

Battery Replacement 2.4L (LAT)

Removal Procedure

Caution: Do not tip the battery over a 45 degree angle or acid could spill causing serious personal injury.


    Object Number: 1813960  Size: SH
  1. Disconnect the negative battery cable. Refer to Battery Negative Cable Disconnection and Connection .
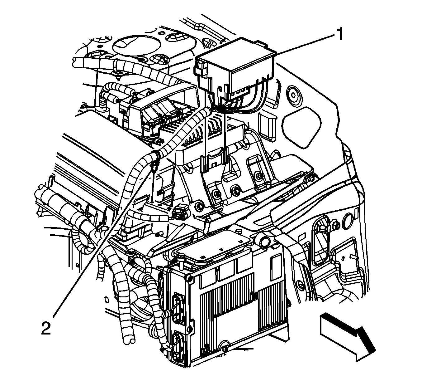
  2. Remove the engine wiring harness auxiliary bussed electrical center bussed electrical center (BEC) (1) from the wiring harness relay block bracket.
  3. Remove the engine wiring harness clip (2) from the positive battery cable bracket.
  4. Reposition the engine wiring harness auxiliary BEC (1) out of the way.

  5. Object Number: 1820895  Size: SH
  6. Remove the 36 volt positive battery cable clip (4) from the engine control module (ECM) bracket.

  7. Object Number: 1813961  Size: SH

    Important: It is not necessary to disconnect the engine wiring harness and the body wiring harness electrical connectors from the ECM prior to repositioning. It is also not necessary to remove the ECM from the bracket prior to repositioning.

  8. Insert a flat bladed tool in front of the ECM and bracket (1), disengage the retainer, and slide the bracket forward. Reposition and secure the ECM (w/bracket) out of the way.

  9. Object Number: 1813962  Size: SH
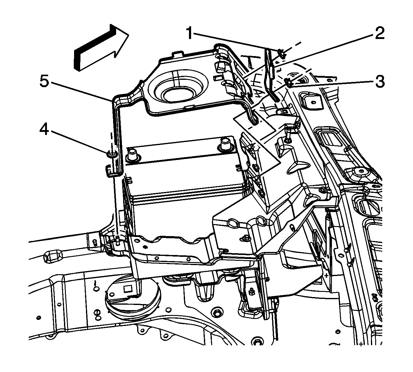
  10. Reposition the engine wiring harness at the rear of he battery in order to access the battery hold down bracket nut (4).
  11. Remove the battery hold down bracket nuts (1, 4).
  12. Remove the wiring harness relay block bracket nut (3) and bracket (2).
  13. Remove the battery hold down retainer (5).

  14. Object Number: 1813963  Size: SH
  15. Disengage the two side retaining tabs on the positive battery cable cover, and open the cover.
  16. Loosen the positive battery cable terminal nut (1).
  17. Remove the positive battery cable from the battery.
  18. Remove the battery from the vehicle.

Installation Procedure

Caution: Do not tip the battery over a 45 degree angle or acid could spill causing serious personal injury.


    Object Number: 1813963  Size: SH
  1. Install the battery to the vehicle.
  2. Install the positive battery cable to the battery.
  3. Notice: Refer to Fastener Notice in the Preface section.

  4. Tighten the positive battery cable terminal nut (1).
  5. Tighten
    Tighten the nut to 22 N·m (16 lb ft).

  6. Close the positive battery cable cover until the two side retainers are engaged.

  7. Object Number: 1813962  Size: SH
  8. Install the battery hold down retainer (5).
  9. Install the battery hold down bracket nuts (1, 4).
  10. Tighten
    Tighten the nuts to 10 N·m (89 lb in).

  11. Install the wiring harness relay block bracket (2) and nut (3).
  12. Tighten
    Tighten the nut to 10 N·m (89 lb in).


    Object Number: 1813961  Size: SH
  13. Unsecure and position the ECM (w/bracket) to the battery hold down retainer. Align the side tabs and slide the bracket rearward.

  14. Object Number: 1820895  Size: SH
  15. Install the 36 volt positive battery cable clip (4) to the ECM bracket.

  16. Object Number: 1813960  Size: SH
  17. Position the engine wiring harness auxiliary BEC (1).
  18. Install the engine wiring harness auxiliary BEC (1) to the wiring harness relay block bracket.
  19. Install the engine wiring harness clip (2) to the positive battery cable bracket.
  20. Connect the negative battery cable. Refer to Battery Negative Cable Disconnection and Connection .