GM Service Manual Online
For 1990-2009 cars only

Battery Negative Cable Replacement 2.2L (L61)

Removal Procedure

  1. Disconnect the negative battery cable. Refer to Battery Negative Cable Disconnection and Connection .

  2. Object Number: 368800  Size: SH
  3. Remove the battery tray. Refer to Battery Tray Replacement .
  4. Remove the negative battery cable nut from the right frame rail.

  5. Object Number: 1336944  Size: SH
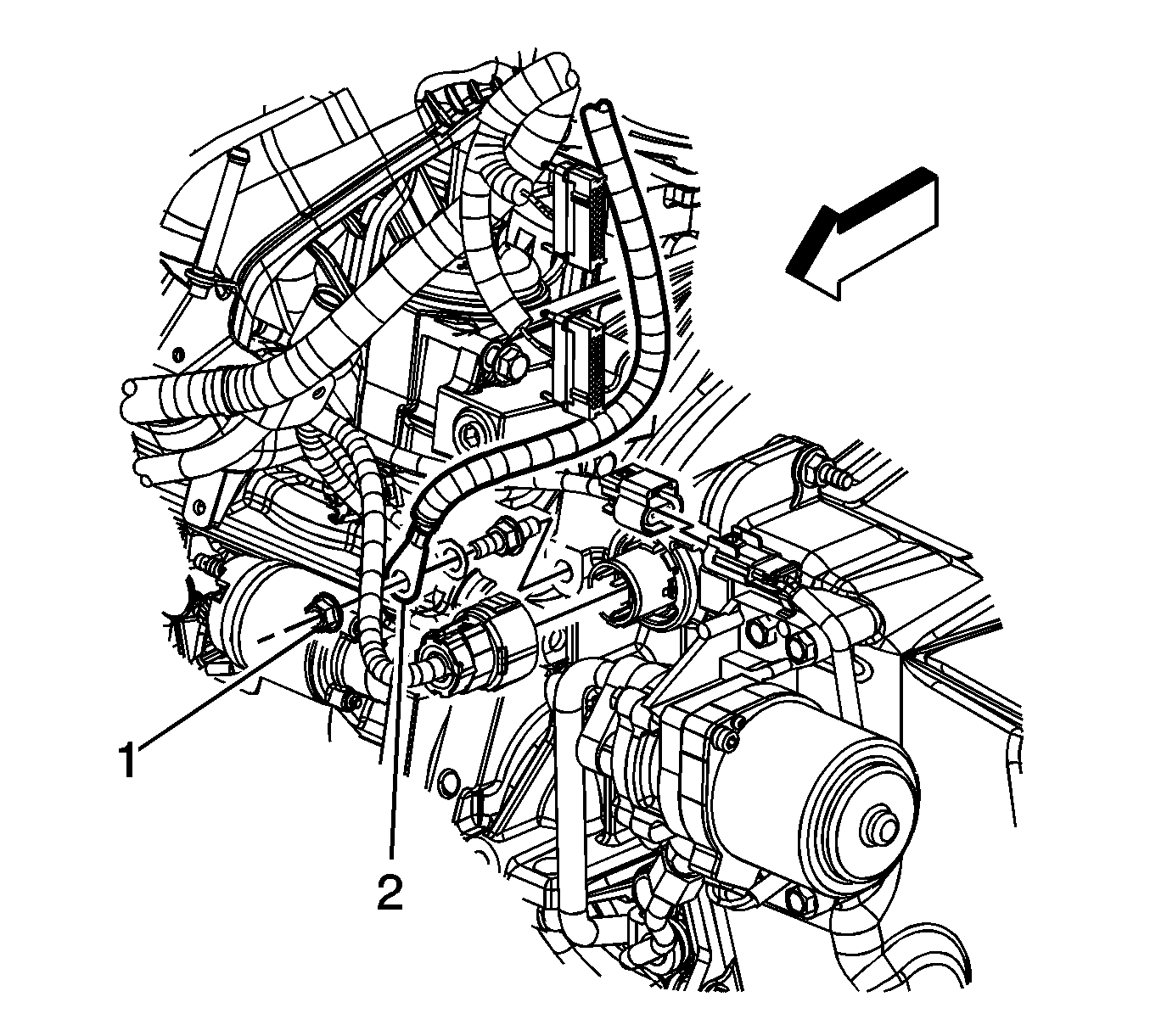
  6. Disconnect the negative battery cable from the transmission bracket (1).
  7. Disconnect the negative battery cable from the retainers.
  8. Remove the negative battery cable.

Installation Procedure


    Object Number: 1336944  Size: SH
  1. Install the negative battery cable into the retainers.
  2. Connect the negative battery cable to the transmission bracket (1).

  3. Object Number: 368800  Size: SH
  4. Install the negative battery cable to the right frame rail.
  5. Install the battery tray. Refer to Battery Tray Replacement .
  6. Connect the negative battery cable. Refer to Battery Negative Cable Disconnection and Connection .

Battery Negative Cable Replacement 3.5L (L66)

Removal Procedure

  1. Disconnect the negative battery cable. Refer to Battery Negative Cable Disconnection and Connection .

  2. Object Number: 1228616  Size: SH
  3. Remove the battery tray. Refer to Battery Tray Replacement .
  4. Remove the negative battery cable nut from the right frame rail.

  5. Object Number: 1228615  Size: SH
  6. Disconnect the negative battery cable from the transmission bracket (3).
  7. Disconnect the negative battery cable from the retainers.
  8. Remove the negative battery cable.

Installation Procedure


    Object Number: 1228615  Size: SH
  1. Install the negative battery cable into the retainers.
  2. Connect the negative battery cable to the transmission bracket (3).

  3. Object Number: 1228616  Size: SH
  4. Install the negative battery cable to the right frame rail.
  5. Install the battery tray. Refer to Battery Tray Replacement .
  6. Connect the negative battery cable. Refer to Battery Negative Cable Disconnection and Connection .

Battery Negative Cable Replacement 2.4L (LAT)

Removal Procedure


    Object Number: 1813432  Size: SH
  1. Remove the battery tray. Refer to Battery Tray Replacement .
  2. Remove the negative battery cable nut (2) from the left front wheelhouse panel (3) stud.
  3. Remove the negative battery cable (1) from the stud.

  4. Object Number: 1813434  Size: SH
  5. Remove the negative battery cable (2) from the positive battery cable retainers (1).
  6. Raise and support the vehicle. Refer to Lifting and Jacking the Vehicle .

  7. Object Number: 1813437  Size: SH
  8. Remove the engine wiring harness ground lead nut (1) from the transaxle stud.
  9. Remove the negative battery cable lead (2) from the transaxle stud.
  10. Lower the vehicle.
  11. Important: Note the routing of the negative battery cable prior to removing.

  12. Remove the negative battery cable.

Installation Procedure


    Object Number: 1813437  Size: SH
  1. Install the negative battery cable to the engine compartment as close to the original routing noted during removal.
  2. Raise the vehicle.
  3. Install the negative battery cable lead (2) to the transaxle stud.
  4. Notice: Refer to Fastener Notice in the Preface section.

  5. Install the engine wiring harness ground lead nut (1) to the transaxle stud.
  6. Tighten
    Tighten the nut to 50 N·m (37 lb ft).


    Object Number: 1813434  Size: SH
  7. Lower the vehicle.
  8. Install the negative battery cable (2) to the positive battery cable retainers (1).

  9. Object Number: 1813432  Size: SH
  10. Install the negative battery cable (1) to the stud.
  11. Install the negative battery cable nut (2) to the left front wheelhouse panel (3) stud.
  12. Tighten
    Tighten the nut to 10 N·m (89 lb in).

  13. Install the battery tray. Refer to Battery Tray Replacement .