GM Service Manual Online
For 1990-2009 cars only

Important: Follow the balance procedure steps listed below. Powertrain mounts must be tightened in sequence.


    Object Number: 1810098  Size: SH
  1. Raise and support the vehicle. Refer to Lifting and Jacking the Vehicle .
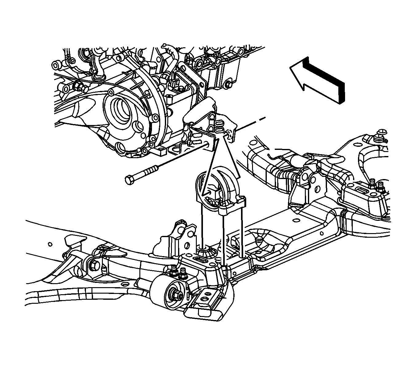
  2. Loosen the front transaxle mount through bolt.

  3. Object Number: 1810114  Size: SH
  4. Loosen the rear transaxle mount through bolt.
  5. Shake the powertrain vigorously from front to rear and allow the powertrain to settle.
  6. Notice: Refer to Fastener Notice in the Preface section.


    Object Number: 1810114  Size: SH
  7. Tighten the rear transaxle mount through bolt.
  8. Tighten
    Tighten the bolt to 100 N·m (74 lb ft).


    Object Number: 1810098  Size: SH
  9. Tighten the front transaxle mount through bolt.
  10. Tighten
    Tighten the bolt to 100 N·m (74 lb ft).

  11. Lower the vehicle.