GM Service Manual Online
For 1990-2009 cars only
Makes
🢒
Saturn
🢒
2007
🢒
VUE - FWD
🢒
Body Systems
🢒
Mirrors
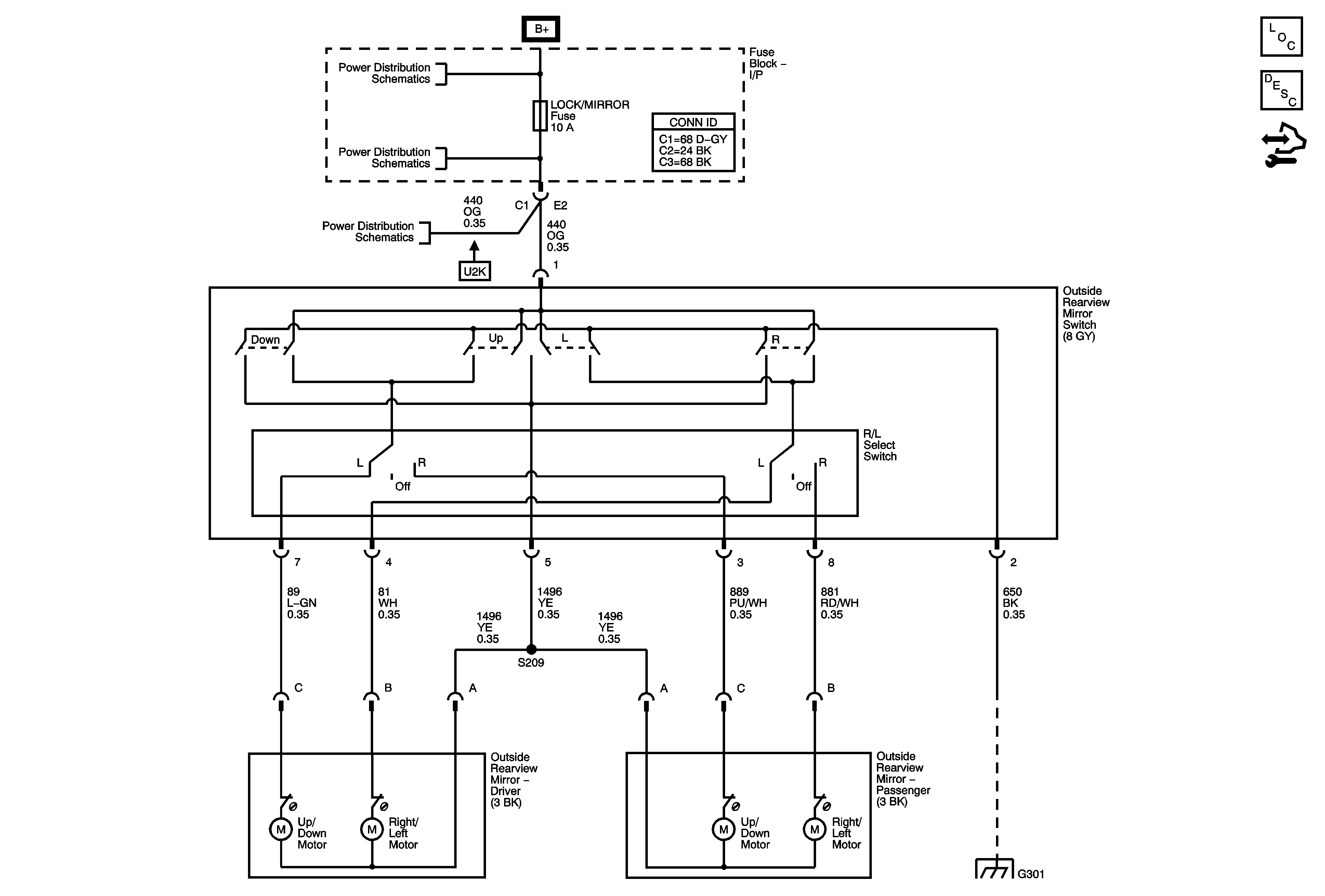
🢒 Outside Rearview Mirror Schematics
Master Electrical Component List
Outside Mirror Description and Operation
Control Module References
PWR SEAT Circuit Breaker, LH HDLP, RH HDLP, BRAKE, PREM AUD, BATT FEED, and HTD SEATS Fuses
RADIO, LOCK/MIRROR, BCM/CLUSTER, INT LTS, PARK, and HZRD Fuses
RADIO, LOCK/MIRROR, BCM/CLUSTER, INT LTS, PARK, and HZRD Fuses
G301 1 of 2