GM Service Manual Online
For 1990-2009 cars only

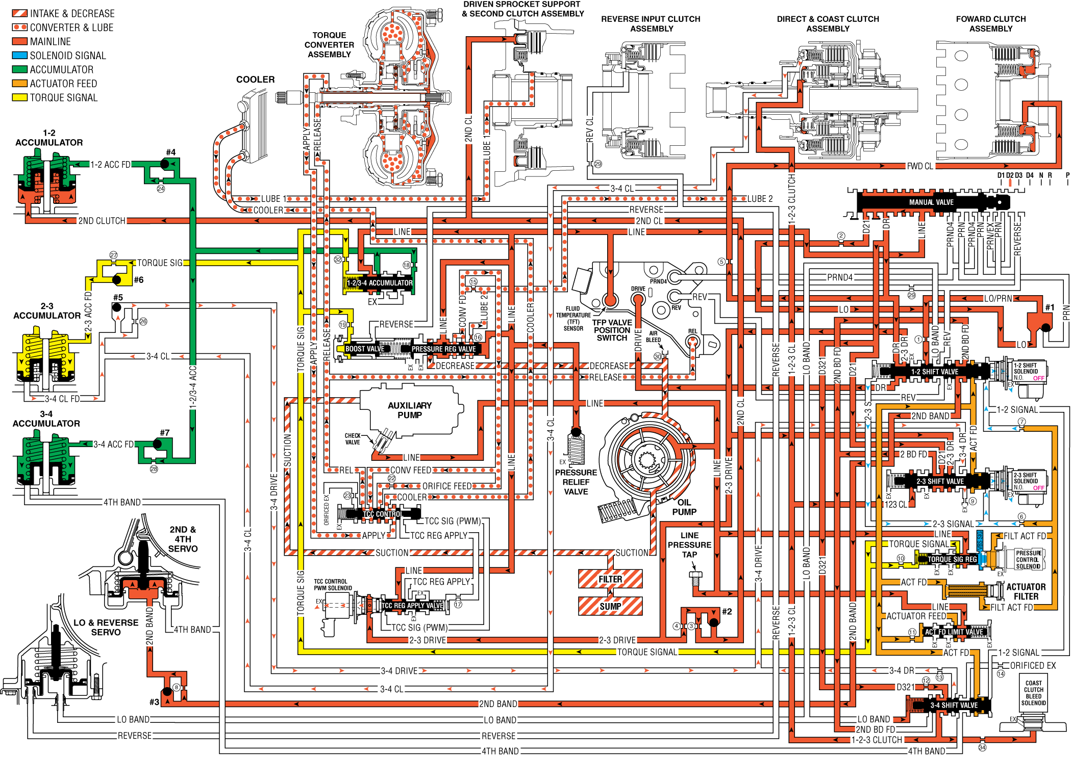
Manual Second Gear With Electronic Range Select Mode

A manual 3-2 downshift is initiated by moving the gear selector lever to the Manual Second (2) position. However, the transmission will not downshift into Second gear until vehicle speed is below approximately 99 km/h (62 mph). At higher vehicle speeds the PCM will keep the 2-3 shift solenoid energized (On) and the transmission will operate in Manual Second - Third Gear as a safety precaution. In Manual Second the transmission is hydraulically prevented from upshifting into Fourth gear under any conditions. Also, the coast clutch remains applied as in Manual Third, and the clutch provides engine compression braking in the Third and the Second gears. The transmission upshifts and downshifts between First and Second gears as in Overdrive gear.

Manual Valve

Line pressure is routed into the D21 fluid circuit when the selector lever is moved into the Manual Second (2) position. Line pressure continues to feed the D321 fluid circuit as in Manual Third.

2-3 Shift Solenoid Valve

The PCM de-energized the 2-3 shift solenoid valve when the vehicle operating conditions are appropriate for a 3-2 downshift. With the solenoid valve Off, a 2-3 signal fluid exhausts through the 2-3 shift solenoid valve.

2-3 Shift Valve

A spring force moves the 2-3 shift valve into the Second gear position when the 2-3 signal fluid exhausts. The D21 fluid continues through the valve and the fluid is also routed into the intermediate band feed fluid circuit. The 3-4 drive fluid, which feeds the direct clutch, exhausts past the 2-3 shift valve.

Direct Clutch Releases

Direct Clutch

The direct clutch fluid exhausts and the direct clutch releases.

#6 Checkball (Direct Clutch Release)

Exhausting direct clutch fluid seats the #6 checkball. This fluid is forced through the #25 orifice in order to help to control the direct clutch release.

2-3 Accumulator

Direct clutch feed fluid exhausts from the 2-3 accumulator, unseats the #5 checkball, and exhausts past the 2-3 shift valve. The 2-3 accumulator feed fluid fills the 2-3 accumulator as the direct clutch feed fluid exhausts.

Intermediate and Fourth Band Applies

1-2 Shift Valve

The 1-2 shift solenoid valve is Off when the PCM commands the Second gear. A spring force holds the 1-2 shift valve in the upshifted position. Intermediate band feed fluid is routed through the valve and into the intermediate band fluid circuit.

#3 Checkball (Intermediate Band Apply)

Intermediate band fluid pressure seats the #3 checkball and is forced through the #8 orifice. This orifice helps to control the intermediate band apply.

Intermediate and Fourth Servo

Intermediate band fluid pressure is routed to the inner area of the intermediate and Fourth servo piston. This fluid pressure moves the servo piston and apply pin in order to apply the intermediate and Fourth band. The band provides engine compression braking in Manual Second - Second Gear.

Pressure Control

A/T Fluid Pressure Manual Valve Position Switch (TFP Val. Position Sw.) Assembly

The D21 fluid from the 2-3 shift valve is routed to the TFP Val. Position Sw. assembly, which signals to the PCM that the manual valve is in the Manual Second position.

Pressure Control Solenoid Valve

The PCM increases the PCS duty cycle in order to increase the operating range of torque signal fluid pressure in Manual Second. This provides increased line pressure for the additional torque requirements during engine compression braking and increased engine load in Manual Second.

Torque Converter Clutch

The PCM will release the TCC before downshifting into Manual Second. The TCC will not reapply in Second gear under normal operating conditions.

Manual Range 2nd - With Electronic Range Select Mode


Object Number: 1205866  Size: FS

Manual Second Gear L4 Hybrid

A manual 3-2 downshift is initiated by moving the gear selector lever to the Manual Second (2) position. However, the transmission will not downshift into Second gear until vehicle speed is below approximately 99 km/h (62 mph). At higher vehicle speeds the PCM will keep the 2-3 shift solenoid energized (On) and the transmission will operate in Manual Second - Third Gear as a safety precaution. In Manual Second the transmission is hydraulically prevented from upshifting into Fourth gear under any conditions. Also, the coast clutch remains applied as in Manual Third, and the clutch provides engine compression braking in the Third and the Second gears. The transmission upshifts and downshifts between First and Second gears as in Overdrive gear.

Under certain conditions the hybrid vehicles engine will shut off and the electric auxiliary transmission fluid pump will start running to keep the transmission pressurized and ready for the engine restart. This engine off condition is a fuel economy feature and the L4 hybrid transmission's electric auxiliary fluid pump is an enabling component.

Manual Valve

Line pressure is routed into the D21 fluid circuit when the selector lever is moved into the Manual Second (2) position. Line pressure continues to feed the D321 fluid circuit as in Manual Third.

2-3 Shift Solenoid Valve

The PCM de-energized the 2-3 shift solenoid valve when the vehicle operating conditions are appropriate for a 3-2 downshift. With the solenoid valve Off, a 2-3 signal fluid exhausts through the 2-3 shift solenoid valve.

2-3 Shift Valve

A spring force moves the 2-3 shift valve into the Second gear position when the 2-3 signal fluid exhausts. The D21 fluid continues through the valve and the fluid is also routed into the intermediate band feed fluid circuit. The 3-4 drive fluid, which feeds the direct clutch, exhausts past the 2-3 shift valve.

Direct Clutch Releases

Direct Clutch

The direct clutch fluid exhausts and the direct clutch releases.

#6 Checkball (Direct Clutch Release)

Exhausting direct clutch fluid seats the #6 checkball. This fluid is forced through the #25 orifice in order to help to control the direct clutch release.

2-3 Accumulator

Direct clutch feed fluid exhausts from the 2-3 accumulator, unseats the #5 checkball, and exhausts past the 2-3 shift valve. The 2-3 accumulator feed fluid fills the 2-3 accumulator as the direct clutch feed fluid exhausts.

Intermediate and Fourth Band Applies

1-2 Shift Valve

The 1-2 shift solenoid valve is Off when the PCM commands the Second gear. A spring force holds the 1-2 shift valve in the upshifted position. Intermediate band feed fluid is routed through the valve and into the intermediate band fluid circuit.

#3 Checkball (Intermediate Band Apply)

Intermediate band fluid pressure seats the #3 checkball and is forced through the #8 orifice. This orifice helps to control the intermediate band apply.

Intermediate and Fourth Servo

Intermediate band fluid pressure is routed to the inner area of the intermediate and Fourth servo piston. This fluid pressure moves the servo piston and apply pin in order to apply the intermediate and Fourth band. The band provides engine compression braking in Manual Second - Second Gear.

Pressure Control

A/T Fluid Pressure Manual Valve Position Switch (TFP Val. Position Sw.) Assembly

The D21 fluid from the 2-3 shift valve is routed to the TFP Val. Position Sw. assembly, which signals to the PCM that the manual valve is in the Manual Second position.

Pressure Control Solenoid Valve

The PCM increases the PCS duty cycle in order to increase the operating range of torque signal fluid pressure in Manual Second. This provides increased line pressure for the additional torque requirements during engine compression braking and increased engine load in Manual Second.

Torque Converter Clutch

The PCM will release the TCC before downshifting into Manual Second. The TCC will not reapply in Second gear under normal operating conditions.

Manual Range 2nd - L4 Hybrid


Object Number: 1814437  Size: FS