GM Service Manual Online
For 1990-2009 cars only

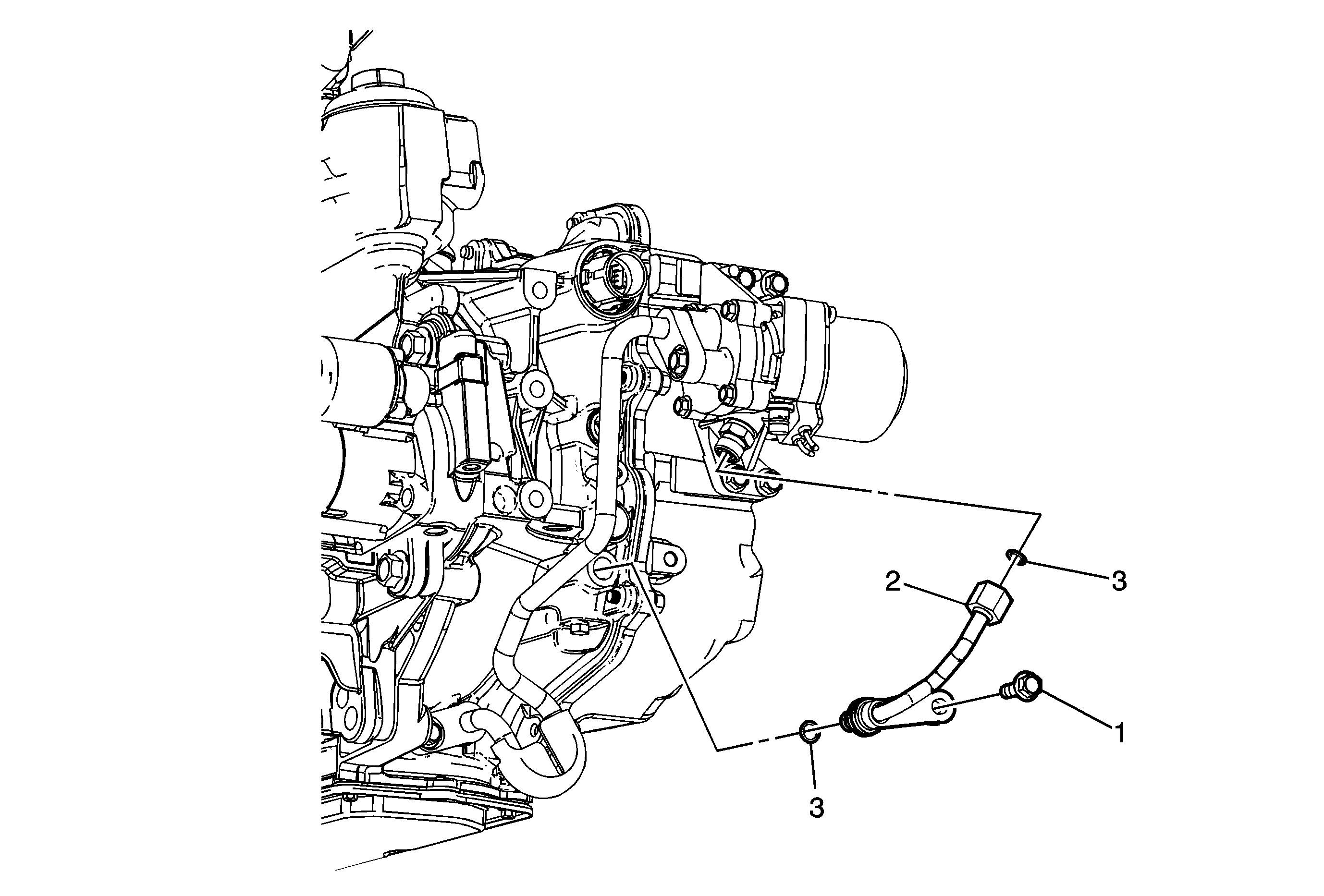
Object Number: 1814310  Size: MF

Callout

Component Name

Preliminary Procedures

  1. Raise the vehicle. Refer to Lifting and Jacking the Vehicle .
  2. Remove the front transaxle mount. Refer to Transmission Front Mount Replacement .
  3. Remove the auxiliary fluid pump. Refer to Auxiliary Fluid Pump Replacement .

1

Transaxle Auxiliary Fluid Pump Outlet Pipe Bolt

Notice: Refer to Fastener Notice in the Preface section.

Tighten
25 N·m (18 lb ft)

2

Transaxle Auxiliary Fluid Pump Outlet Pipe

Notice: Transmission Auxiliary Pump Priming must be performed after any service procedure is performed on the transmission that involves the draining of and refill of transmission fluid. Failure to perform the Transmission Auxiliary Pump Priming will result in damage to the auxiliary pump and possible damage to the transmission.

Procedure

Prime the auxiliary fluid pump. Refer to Auxiliary Fluid Pump Priming

Tighten
22 N·m (16 lb ft)

3

Transaxle Auxiliary Fluid Pump Outlet Pipe O-Ring (Qty: 2)