GM Service Manual Online
For 1990-2009 cars only

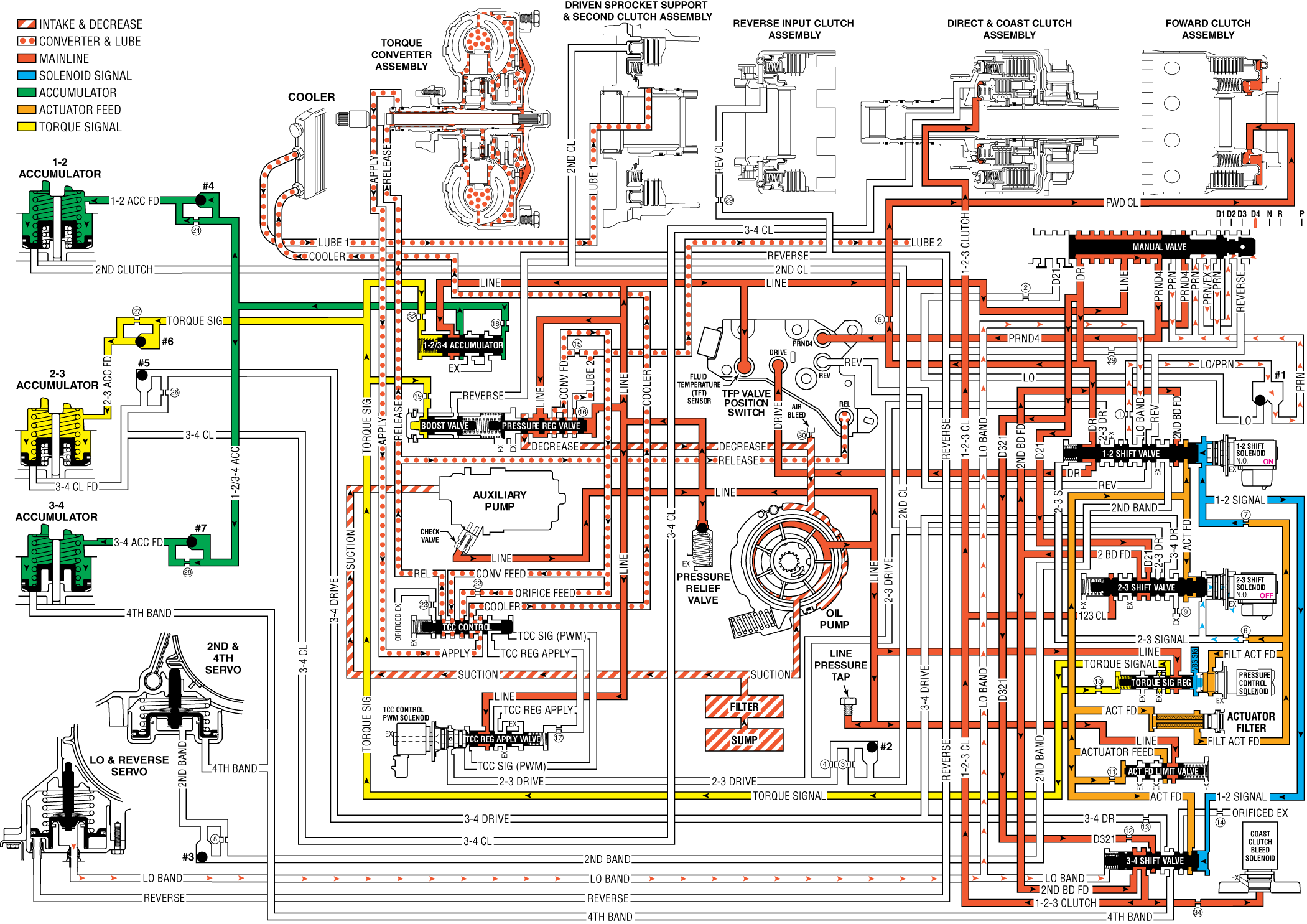
Overdrive Range, First Gear With Electronic Range Select Mode

When you move the gear selector lever to the Overdrive (D) position from the Neutral (N) position, the following changes occur in order to shift the transmission into Overdrive Range -- First Gear.

Manual Valve

In the Overdrive position, the manual valve directs line pressure into the drive fluid circuit. The manual valve blocks line pressure from entering the PRN fluid circuit and the manual valve opens the PRN fluid circuit in order to exhaust.

Low and Reverse Band Releases

Low and Reverse Servo

Low band fluid pressure exhausts from the servo, releasing the servo and the low and reverse band.

Forward Clutch Applies

Forward Clutch

Drive fluid is orificed into the forward clutch fluid circuit. Forward clutch fluid pressure applies the forward clutch.

1-2 Shift Solenoid Valve

In first gear, the PCM energizes the 1-2 shift solenoid valve and the 1-2 signal fluid pressure acts on the 1-2 shift valve.

1-2 Shift Valve

The 1-2 signal fluid pressure keeps the 1-2 shift valve in the downshifted position against a spring force. Drive fluid is routed through the 1-2 shift valve.

A/T Fluid Pressure Manual Valve Position Switch (TFP Val. Position Sw.) Assembly

Drive fluid is routed to the TFP Val. Position Sw. Assembly, which signals the PCM that the transmission is in the Overdrive range.

Overdrive Range, First Gear - With Electronic Range Select Mode


Object Number: 1205847  Size: FS

Overdrive Range, First Gear L4 Hybrid

When you move the gear selector lever to the Overdrive (D) position from the Neutral (N) position, the following changes occur in order to shift the transmission into Overdrive Range -- First Gear.

Under certain conditions the hybrid vehicles engine will shut off and the electric auxiliary transmission fluid pump will start running to keep the transmission pressurized and ready for the engine restart. This engine off condition is a fuel economy feature and the L4 hybrid transmission's electric auxiliary fluid pump is an enabling component.

Manual Valve

In the Overdrive position, the manual valve directs line pressure into the drive fluid circuit. The manual valve blocks line pressure from entering the PRN fluid circuit and the manual valve opens the PRN fluid circuit in order to exhaust.

Low and Reverse Band Releases

Low and Reverse Servo

Low band fluid pressure exhausts from the servo, releasing the servo and the low and reverse band.

Forward Clutch Applies

Forward Clutch

Drive fluid is orificed into the forward clutch fluid circuit. Forward clutch fluid pressure applies the forward clutch.

1-2 Shift Solenoid Valve

In first gear, the PCM energizes the 1-2 shift solenoid valve and the 1-2 signal fluid pressure acts on the 1-2 shift valve.

1-2 Shift Valve

The 1-2 signal fluid pressure keeps the 1-2 shift valve in the downshifted position against a spring force. Drive fluid is routed through the 1-2 shift valve.

A/T Fluid Pressure Manual Valve Position Switch (TFP Val. Position Sw.) Assembly

Drive fluid is routed to the TFP Val. Position Sw. Assembly, which signals the PCM that the transmission is in the Overdrive range.

Overdrive Range, First Gear - L4 Hybrid


Object Number: 1814424  Size: FS