GM Service Manual Online
For 1990-2009 cars only

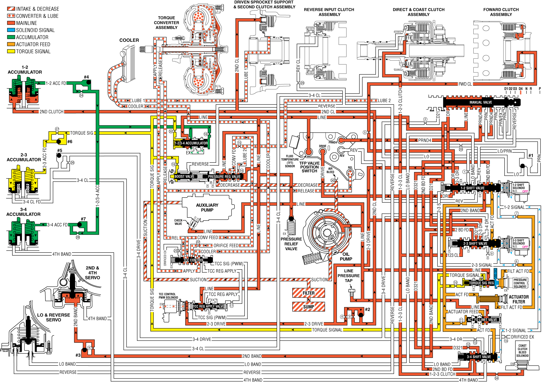
Overdrive Range, Second Gear With Electronic Range Select Mode

As vehicle speed increases and operating conditions become appropriate, the PCM de-energizes the 1-2 shift solenoid valve in order to shift the transmission into Second gear. The manual valve remains in the Overdrive (D) position and line pressure is routed into the drive and PRND4 fluid circuits.

Second Clutch Applied

1-2 Shift Solenoid Valve

The normally open shift solenoid valve is de-energized and 1-2 signal fluid exhausts through the open valve.

1-2 Shift Valve

Important: Filtered actuator feed fluid continues to feed the 1-2 signal fluid circuit through orifice #7. However, the exhaust port through the solenoid is larger than orifice #7 in order to prevent a pressure increase in the 1-2 signal fluid circuit.

With 1-2 signal fluid pressure exhausted, a spring force moves the valve into the upshifted position. Drive fluid is routed into the 2-3 drive fluid circuit. Drive fluid also continues to flow through the valve and to the A/T Fluid Pressure Manual Valve Position Switch.

#2 Checkball (Second Clutch Apply)

The 2-3 drive fluid seats the #2 checkball, forcing the 2-3 drive fluid through the #3 orifice and feeding the second clutch fluid circuit. the #3 and the #4 orifices help to control the apply feel of the second clutch.

Second Clutch

The second clutch fluid pressure applies the second clutch, which shifts the transmission into Second gear.

Shift Accumulation

1-2 Accumulator

Second clutch fluid is also routed to the 1-2 accumulator piston. A combination of second clutch fluid pressure and the 1-2 assist spring force moves the piston against this spring force and the 1-2 accumulator feed fluid pressure. This action absorbs the initial second clutch fluid pressure in order to cushion the second clutch apply. The movement of the 1-2 accumulator piston forces some of the fluid out of the accumulator.

1-2 Accumulator Valve

The 1-2 accumulator feed fluid which is forced from the 1-2 accumulator unseats the #4 checkball. This fluid is then routed back to the 1-2 accumulator valve. This pressure forces the 1-2 accumulator valve against a combination of spring force and torque signal fluid pressure in order to regulate the exhaust of excess accumulator fluid. This regulation provides additional control for the second clutch apply.

TCC Control - Pulse Width Modulated (PWM) Solenoid Valve

Filtered 2-3 drive fluid is routed to the TCC control solenoid valve. Under normal operating conditions the TCC control solenoid valve is Off in Second gear. This valve blocks filtered 2-3 drive fluid from entering the TCC signal fluid circuit.

Torque Converter Clutch

With the TCC control solenoid valve Off, the converter clutch is released in Second gear.

2-3 Shift Solenoid Valve

The 2-3 shift solenoid valve remains Off in Second gear, and the 2-3 signal fluid exhausts through the normally open solenoid valve.

2-3 Shift Valve

A spring force keeps the 2-3 shift valve in the downshifted position. In this position the valve blocks 2-3 drive fluid, in preparation for the upshift into Third gear.

Overdrive Range, Second Gear - With Electronic Range Select Mode


Object Number: 1205850  Size: FS

Overdrive Range, Second Gear L4 Hybrid

As vehicle speed increases and operating conditions become appropriate, the PCM de-energizes the 1-2 shift solenoid valve in order to shift the transmission into Second gear. The manual valve remains in the Overdrive (D) position and line pressure is routed into the drive and PRND4 fluid circuits.

Under certain conditions the hybrid vehicles engine will shut off and the electric auxiliary transmission fluid pump will start running to keep the transmission pressurized and ready for the engine restart. This engine off condition is a fuel economy feature and the L4 hybrid transmission's electric auxiliary fluid pump is an enabling component.

Second Clutch Applied

1-2 Shift Solenoid Valve

The normally open shift solenoid valve is de-energized and 1-2 signal fluid exhausts through the open valve.

1-2 Shift Valve

Important: Filtered actuator feed fluid continues to feed the 1-2 signal fluid circuit through orifice #7. However, the exhaust port through the solenoid is larger than orifice #7 in order to prevent a pressure increase in the 1-2 signal fluid circuit.

With 1-2 signal fluid pressure exhausted, a spring force moves the valve into the upshifted position. Drive fluid is routed into the 2-3 drive fluid circuit. Drive fluid also continues to flow through the valve and to the A/T Fluid Pressure Manual Valve Position Switch.

#2 Checkball (Second Clutch Apply)

The 2-3 drive fluid seats the #2 checkball, forcing the 2-3 drive fluid through the #3 orifice and feeding the second clutch fluid circuit. The #3 and the #4 orifices help to control the apply feel of the second clutch.

Second Clutch

The second clutch fluid pressure applies the second clutch, which shifts the transmission into Second gear.

Shift Accumulation

1-2 Accumulator

Second clutch fluid is also routed to the 1-2 accumulator piston. A combination of second clutch fluid pressure and the 1-2 assist spring force moves the piston against this spring force and the 1-2 accumulator feed fluid pressure. This action absorbs the initial second clutch fluid pressure in order to cushion the second clutch apply. The movement of the 1-2 accumulator piston forces some of the fluid out of the accumulator.

1-2 Accumulator Valve

The 1-2 accumulator feed fluid which is forced from the 1-2 accumulator unseats the #4 checkball. This fluid is then routed back to the 1-2 accumulator valve. This pressure forces the 1-2 accumulator valve against a combination of spring force and torque signal fluid pressure in order to regulate the exhaust of excess accumulator fluid. This regulation provides additional control for the second clutch apply.

TCC Control - Pulse Width Modulated (PWM) Solenoid Valve

Filtered 2-3 drive fluid is routed to the TCC control solenoid valve. Under normal operating conditions the TCC control solenoid valve is Off in Second gear. This valve blocks filtered 2-3 drive fluid from entering the TCC signal fluid circuit.

Torque Converter Clutch

With the TCC control solenoid valve Off, the converter clutch is released in Second gear.

2-3 Shift Solenoid Valve

The 2-3 shift solenoid valve remains Off in Second gear, and the 2-3 signal fluid exhausts through the normally open solenoid valve.

2-3 Shift Valve

A spring force keeps the 2-3 shift valve in the downshifted position. In this position the valve blocks 2-3 drive fluid, in preparation for the upshift into Third gear.

Overdrive Range, Second Gear - L4 Hybrid


Object Number: 1814426  Size: FS