GM Service Manual Online
For 1990-2009 cars only

Tools Required

J 41545 Park Neutral Position Switch Tool

Removal Procedure

  1. If equipped with 2.4L (LAT), remove the battery tray. Refer to Battery Tray Replacement .

  2. Object Number: 1547449  Size: SH
  3. Disconnect the shift control cable (3) from the range select lever (4).
  4. Release the shift control cable retaining clip (2) and remove the cable from the shift control cable bracket (1).

  5. Object Number: 1547451  Size: SH
  6. Remove the transaxle range select lever nut (2).
  7. Remove the transaxle range select lever (3) from the transaxle manual shaft (1).

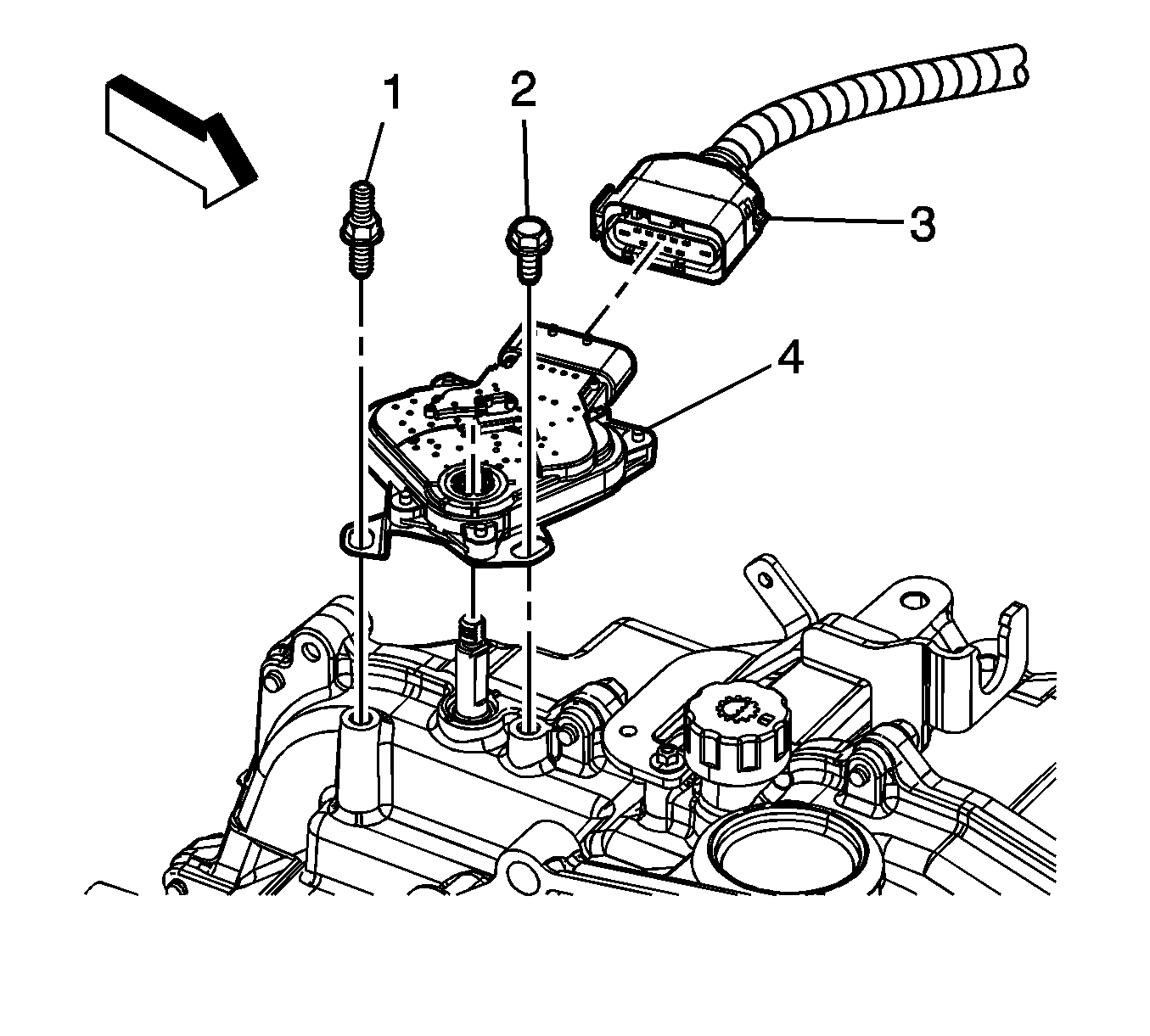
  8. Object Number: 1547448  Size: SH
  9. Disconnect the PNP switch electrical connector (3) from the PNP switch (4).
  10. Remove the PNP switch bolt (2) and stud (1).
  11. Remove the PNP switch (4) from the transaxle.

Installation Procedure (Old Switch)


    Object Number: 1547448  Size: SH
  1. Make sure the transaxle manual shaft is in the Neutral position.
  2. Align the flats on the park/neutral position (PNP) switch with the transaxle manual shaft and install the PNP switch.
  3. Loosely install the PNP switch bolt (2) and stud (1).
  4. Connect the PNP switch electrical connector (3).
  5. Important: After adjusting the switch, verify the engine only starts in Park or Neutral. If the engine starts in any other position, adjust the switch.


    Object Number: 893833  Size: SH
  6. Insert the J 41545 as shown and rotate the PNP switch until the tool drops onto position.
  7. Notice: Refer to Fastener Notice in the Preface section.

  8. Tighten the PNP switch bolt and stud.
  9. Tighten
    Tighten the bolt and stud to 20 N·m (15 lb ft).

  10. Remove the alignment tool.

  11. Object Number: 1547451  Size: SH
  12. Install the transaxle range select lever (3) to the transaxle manual shaft (1).
  13. Install the transaxle range select lever nut (2).
  14. Tighten
    Tighten the nut to 35 N·m (26 lb ft).


    Object Number: 1547449  Size: SH
  15. Install the shift control cable and retaining clip (2) to the shift control cable bracket (1).
  16. Install the shift control cable (3) to the range select lever (4).
  17. Verify proper operation of the shift control cable and if necessary adjust the cable.
  18. 12.1. Place the shift lever in N (Neutral). Rotate the selector shaft clockwise from P (Park) through R (Reverse) into N (Neutral).
    12.2. With the shift control assembly in N (Neutral) lift the cable connector locking clip up.
    12.3. Push the clip on the cable connector until fully seated and flush with cable body.

Installation Procedure (New Switch)

    Important: After adjusting the switch, verify the engine only starts in Park or Neutral. If the engine starts in any other position, adjust the switch.


    Object Number: 1547448  Size: SH
  1. Make sure the transaxle manual shaft is in the Neutral position.
  2. Align the flats on the PNP switch with the transaxle manual shaft and install the PNP switch.
  3. Notice: Refer to Fastener Notice in the Preface section.

  4. Install the PNP switch bolt (2) and stud (1).
  5. Tighten
    Tighten the bolt and stud to 20 N·m (15 lb ft).

  6. Connect the PNP switch electrical connector (3).

  7. Object Number: 1547451  Size: SH
  8. Install the transaxle range select lever (3) to the transaxle manual shaft (1).
  9. Install the transaxle range select lever nut (2).
  10. Tighten
    Tighten the nut to 35 N·m (26 lb ft).


    Object Number: 1547449  Size: SH
  11. Install the shift control cable and retaining clip (2) to the shift control cable bracket (1).
  12. Install the shift control cable (3) to the range select lever (4).
  13. Verify proper operation of the shift control cable and if necessary adjust the cable.
  14. 9.1. Place the shift lever in N (Neutral). Rotate the selector shaft clockwise from P (Park) through R (Reverse) into N (Neutral).
    9.2. With the shift control assembly in N (Neutral) lift the cable connector locking clip up.
    9.3. Push the clip on the cable connector until fully seated and flush with cable body.
  15. If equipped with 2.4L (LAT), install the battery tray. Refer to Battery Tray Replacement .