GM Service Manual Online
For 1990-2009 cars only
Makes
🢒
Saturn
🢒
2007
🢒
VUE - FWD
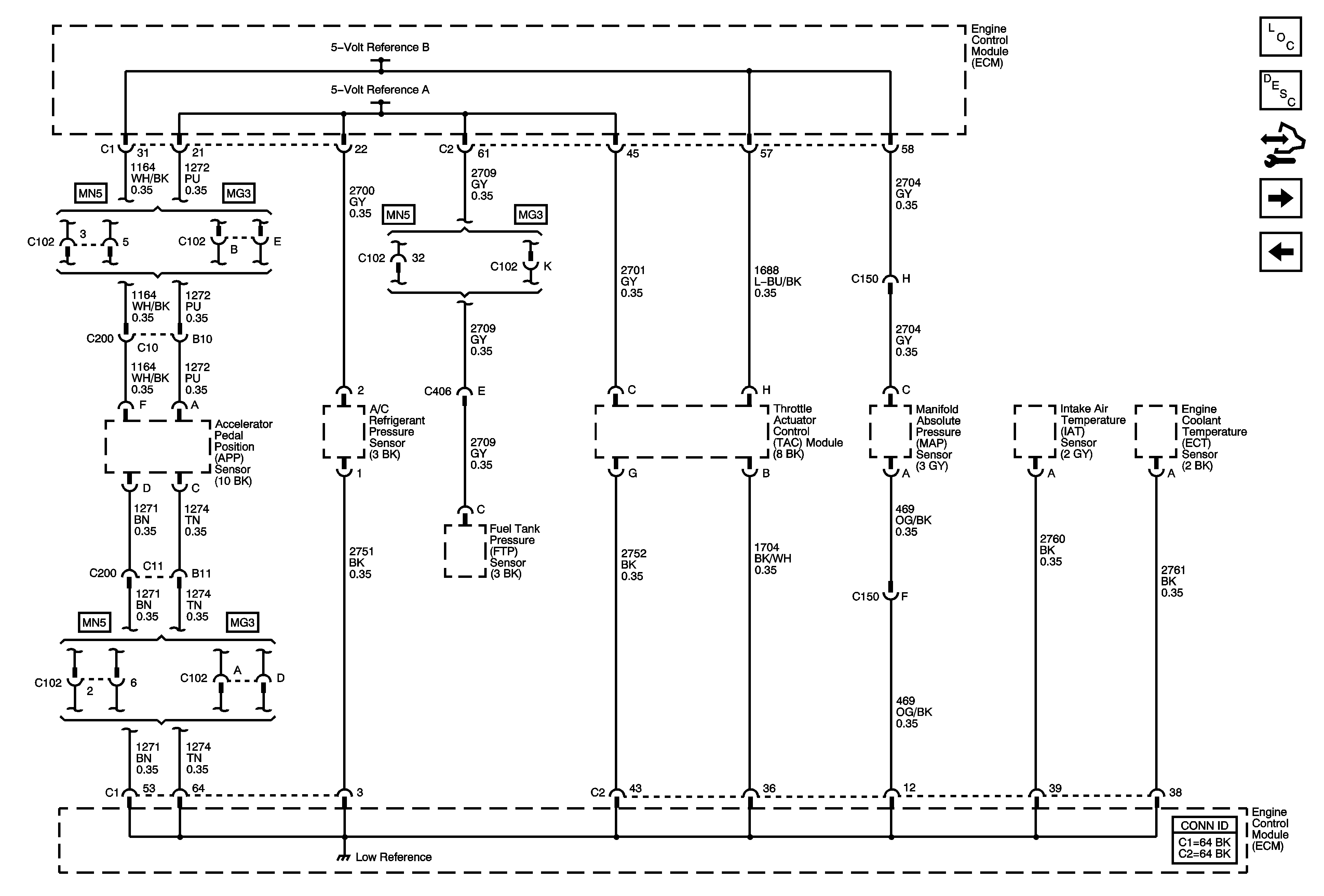
🢒 5-Volt and Low Reference
5-Volt and Low Reference
5-Volt and Low Reference
Master Electrical Component List
Engine Control Module Description
Control Module References
Pressure and Temperature Signals
Power, Ground, MIL, and Serial Data