GM Service Manual Online
For 1990-2009 cars only
Makes
🢒
Saturn
🢒
2007
🢒
VUE - FWD
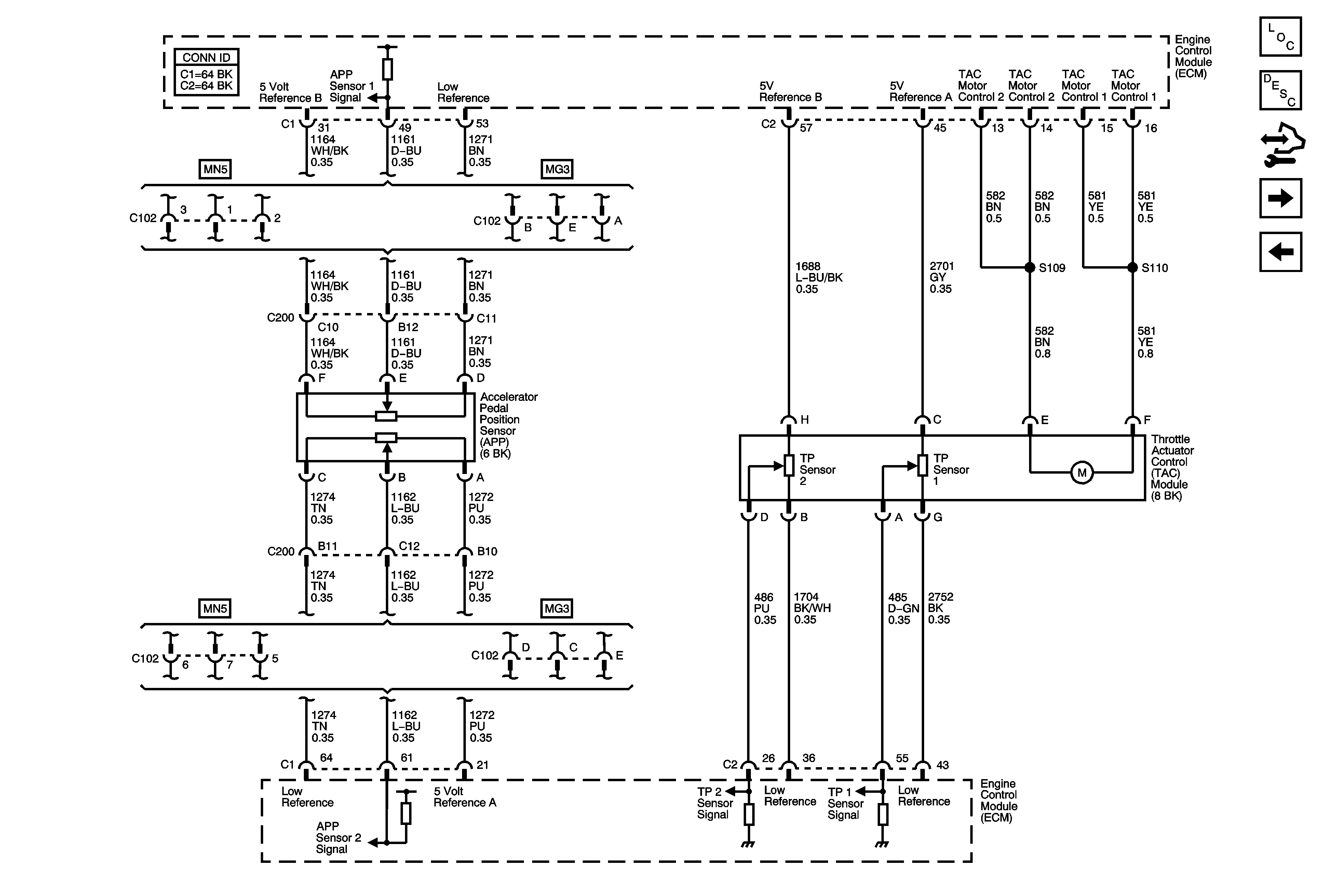
🢒 TAC and APP Sensor Signals
TAC and APP Sensor Signals
TAC and APP Sensor Signals
Master Electrical Component List
Throttle Actuator Control (TAC) System Description
Control Module References
Oxygen Sensors
Pressure and Temperature Signals