GM Service Manual Online
For 1990-2009 cars only
Makes
🢒
Saturn
🢒
2007
🢒
VUE - FWD
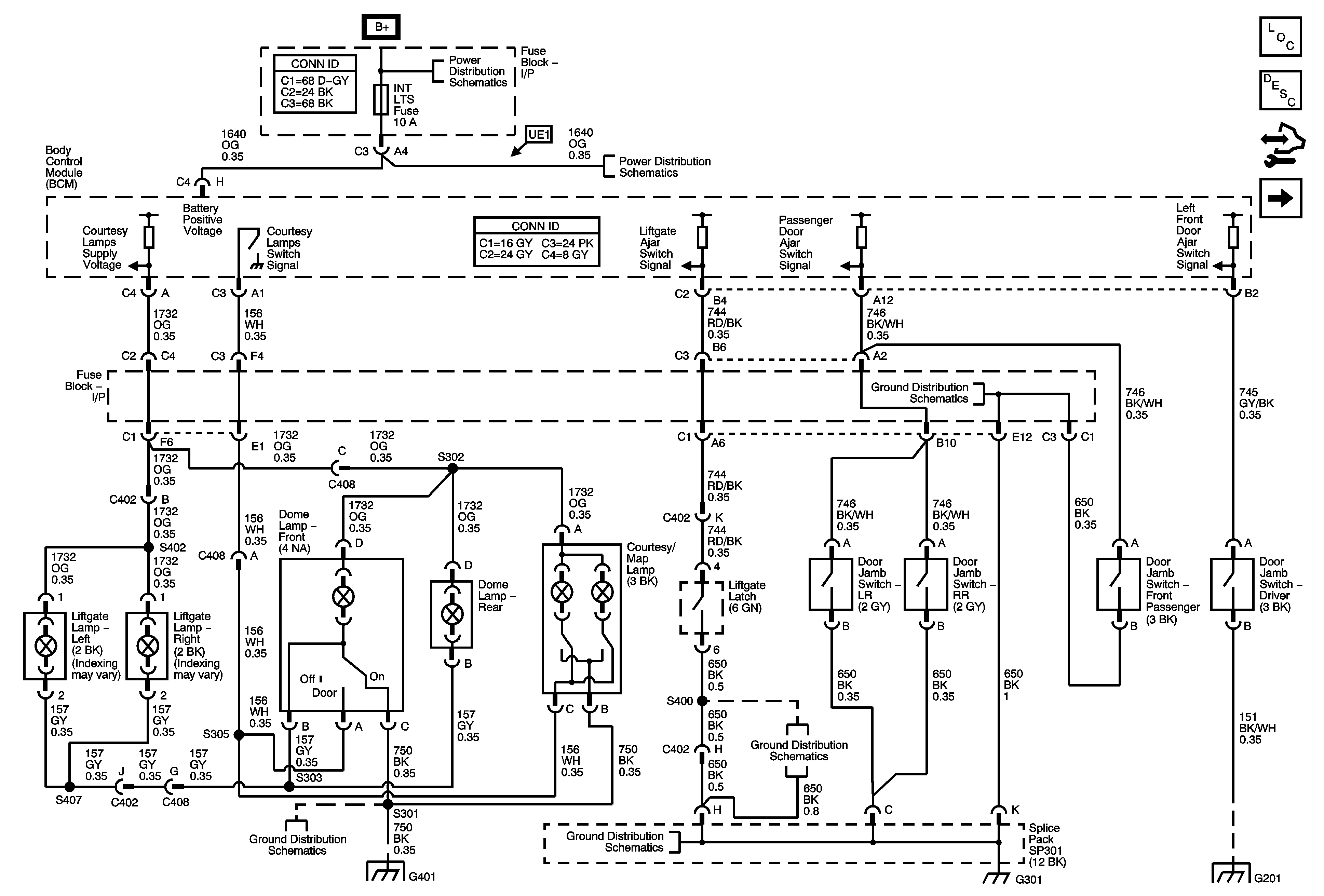
🢒 Interior Lights
Interior Lights
Interior Lights
Master Electrical Component List
Interior Lighting Systems Description and Operation
Control Module References
Seat Lamps (HEG Only)
PWR SEAT Circuit Breaker, LH HDLP, RH HDLP, BRAKE, PREM AUD, BATT FEED, and HTD SEATS Fuses
RADIO, LOCK/MIRROR, BCM/CLUSTER, INT LTS, PARK, and HZRD Fuses
G301 1 of 2
G401 and G403
G401 and G403
G301 1 of 2
G301 2 of 2
G201