GM Service Manual Online
For 1990-2009 cars only
Makes
🢒
Saturn
🢒
2007
🢒
VUE - FWD
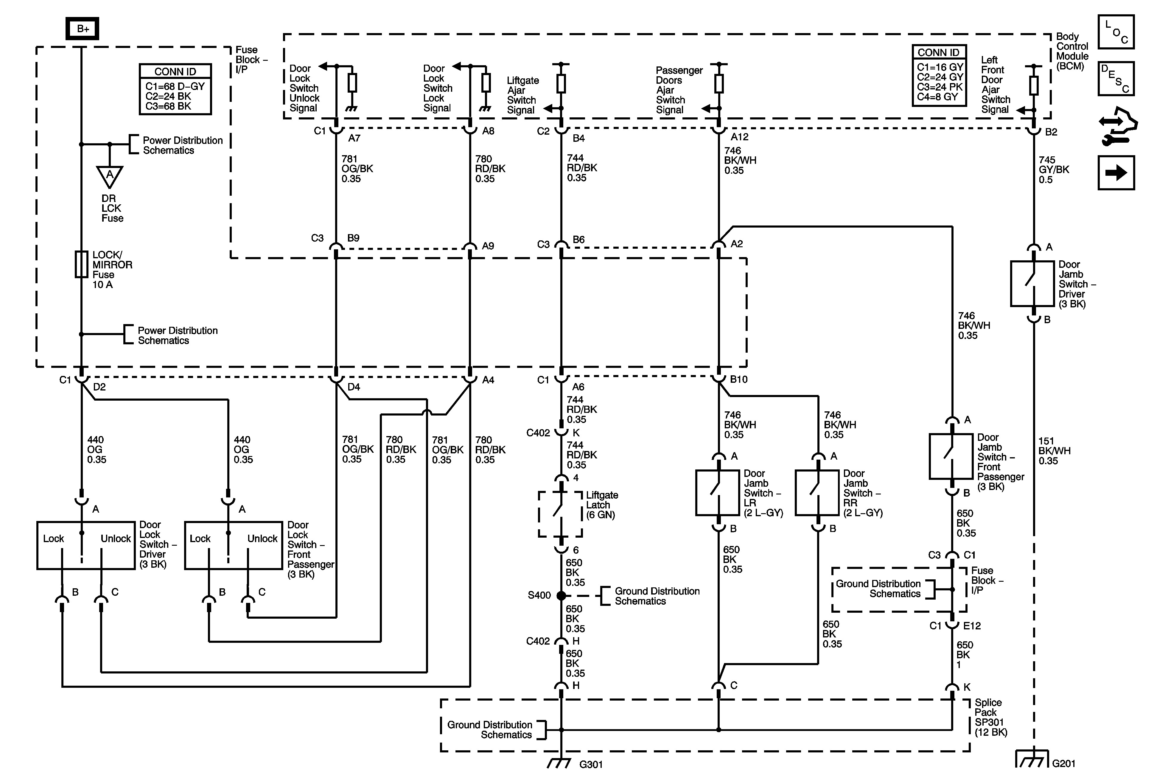
🢒 Lock Switches and Ajar Signals
Lock Switches and Ajar Signals
Lock Switches and Ajar Signals
Master Electrical Component List
Power Door Locks Description and Operation
Control Module References
Door Lock Controls
PWR SEAT Circuit Breaker, LH HDLP, RH HDLP, BRAKE, PREM AUD, BATT FEED, and HTD SEATS Fuses
Door Lock Controls
IGN 1, BCM (IGN), AIR BAG, EPS, and CRUISE Fuses
G301 2 of 2
G301 1 of 2
G301 1 of 2
G201