GM Service Manual Online
For 1990-2009 cars only
Makes
🢒
Saturn
🢒
2007
🢒
VUE - FWD
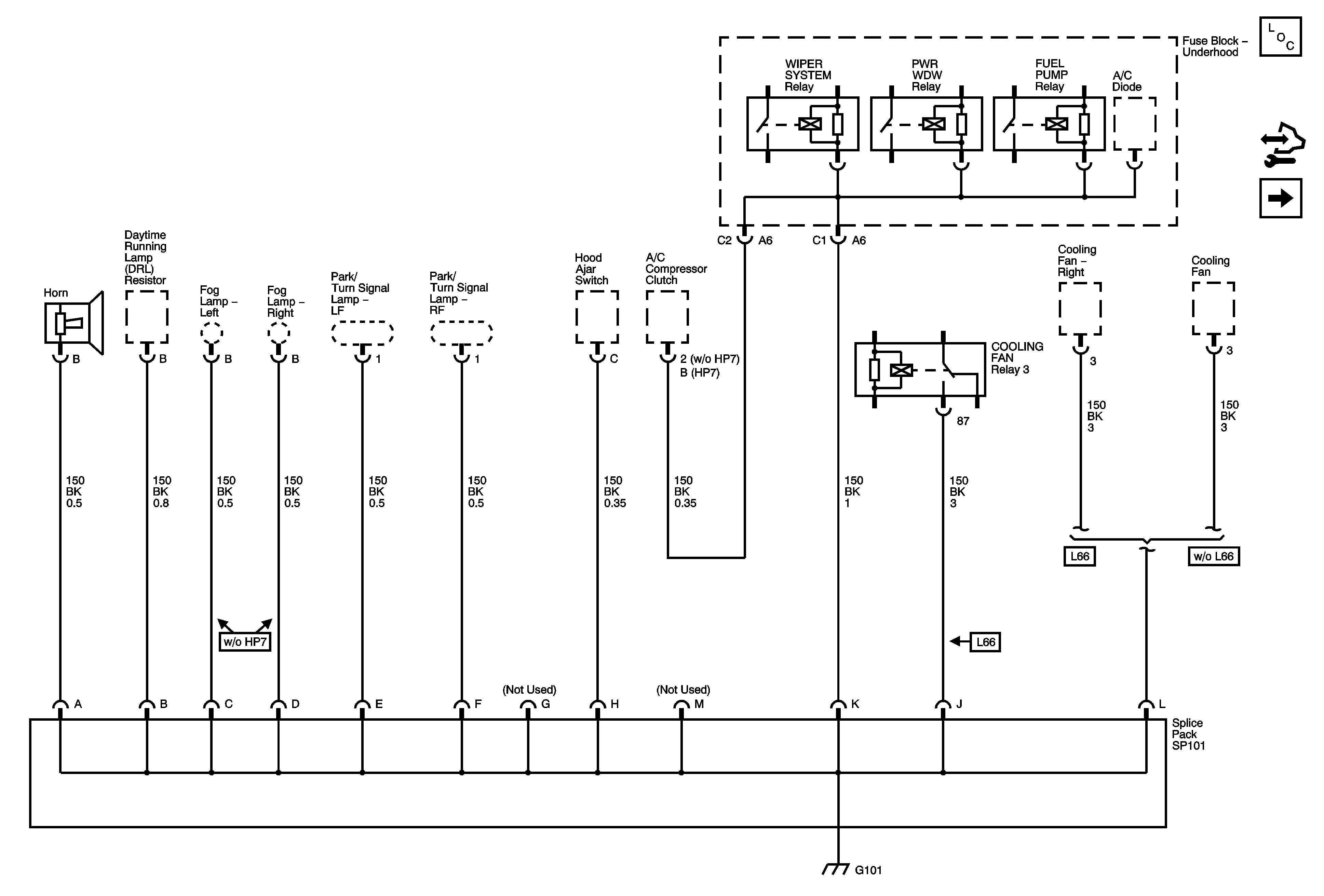
🢒 G101
G101
G101
Master Electrical Component List
Control Module References
G107 and G109 (L66)