GM Service Manual Online
For 1990-2009 cars only
Makes
🢒
Saturn
🢒
2007
🢒
VUE - FWD
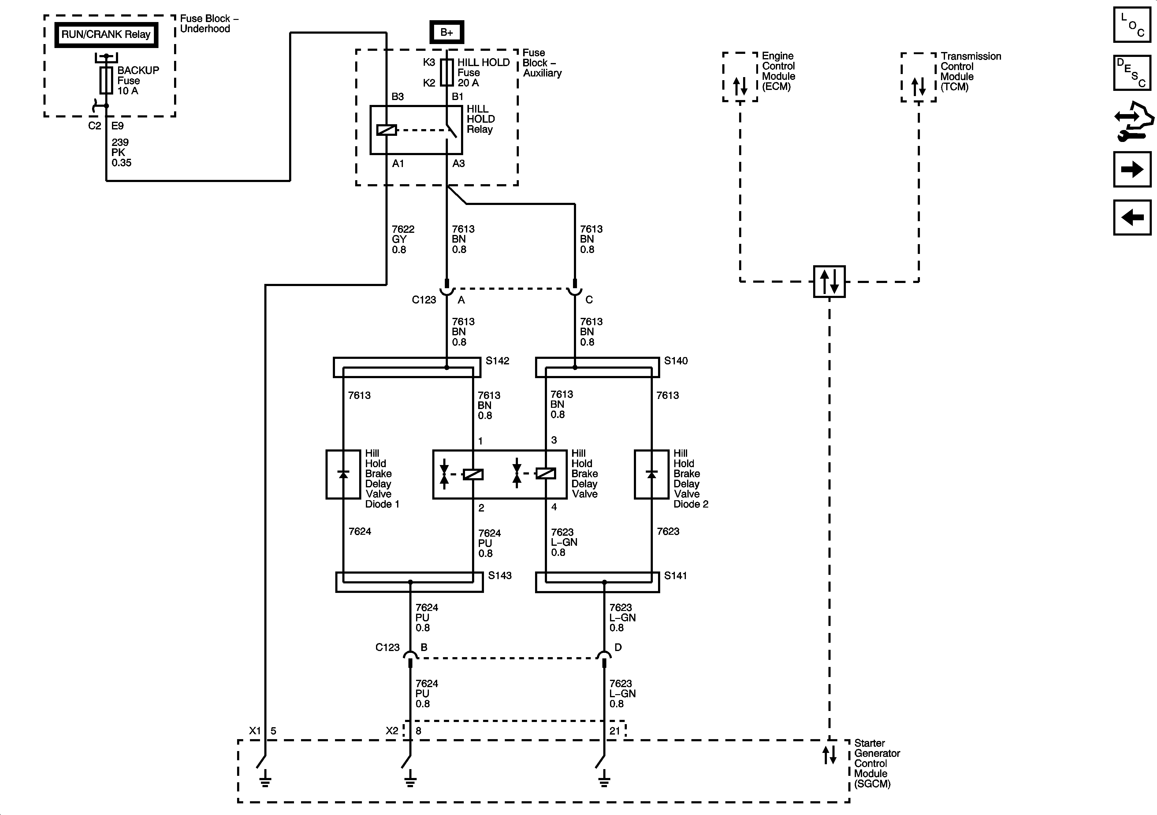
🢒 Hill Hold Valve (HP7)
Hill Hold Valve (HP7)
Hill Hold Valve (HP7)
Master Electrical Component List
Hydraulic Brake System Description and Operation
Control Module References
Brake Pressure and Vacuum Sensors (HP7)
Brake Warning System