GM Service Manual Online
For 1990-2009 cars only
Makes
🢒
Saturn
🢒
2007
🢒
VUE - FWD
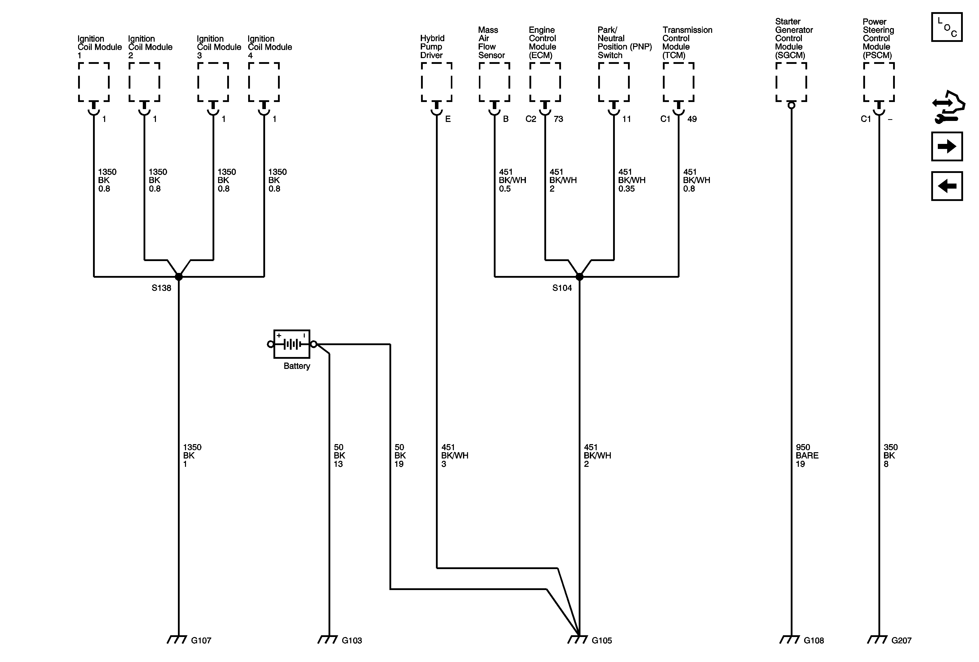
🢒 G103, G105, G107, G108, and G207 (HP7)
G103, G105, G107, G108, and G207 (HP7)
G103, G105, G107, G108, and G207 (HP7)
Master Electrical Component List
Control Module References
G103, G105, and G207
G107 and G109 (L66)