GM Service Manual Online
For 1990-2009 cars only
Makes
🢒
Saturn
🢒
2008
🢒
VUE - FWD
🢒
Engine
🢒
Engine Cooling
🢒 Engine Cooling Schematics
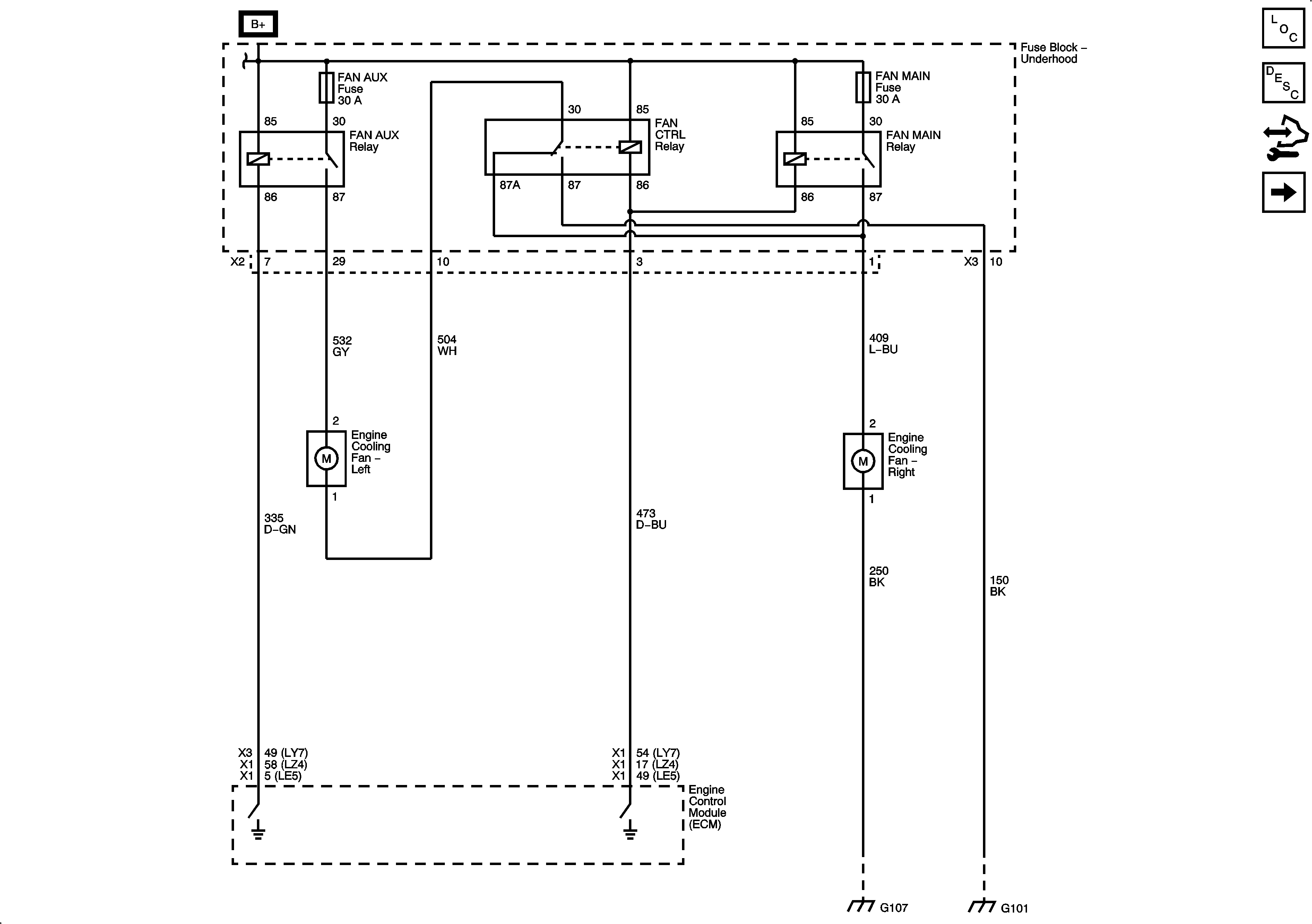
Figure
1:
LE5/LY7/LZ4
Master Electrical Component List
Cooling Fan Description and Operation Except LAT
Control Module References
Hybrid (LAT)
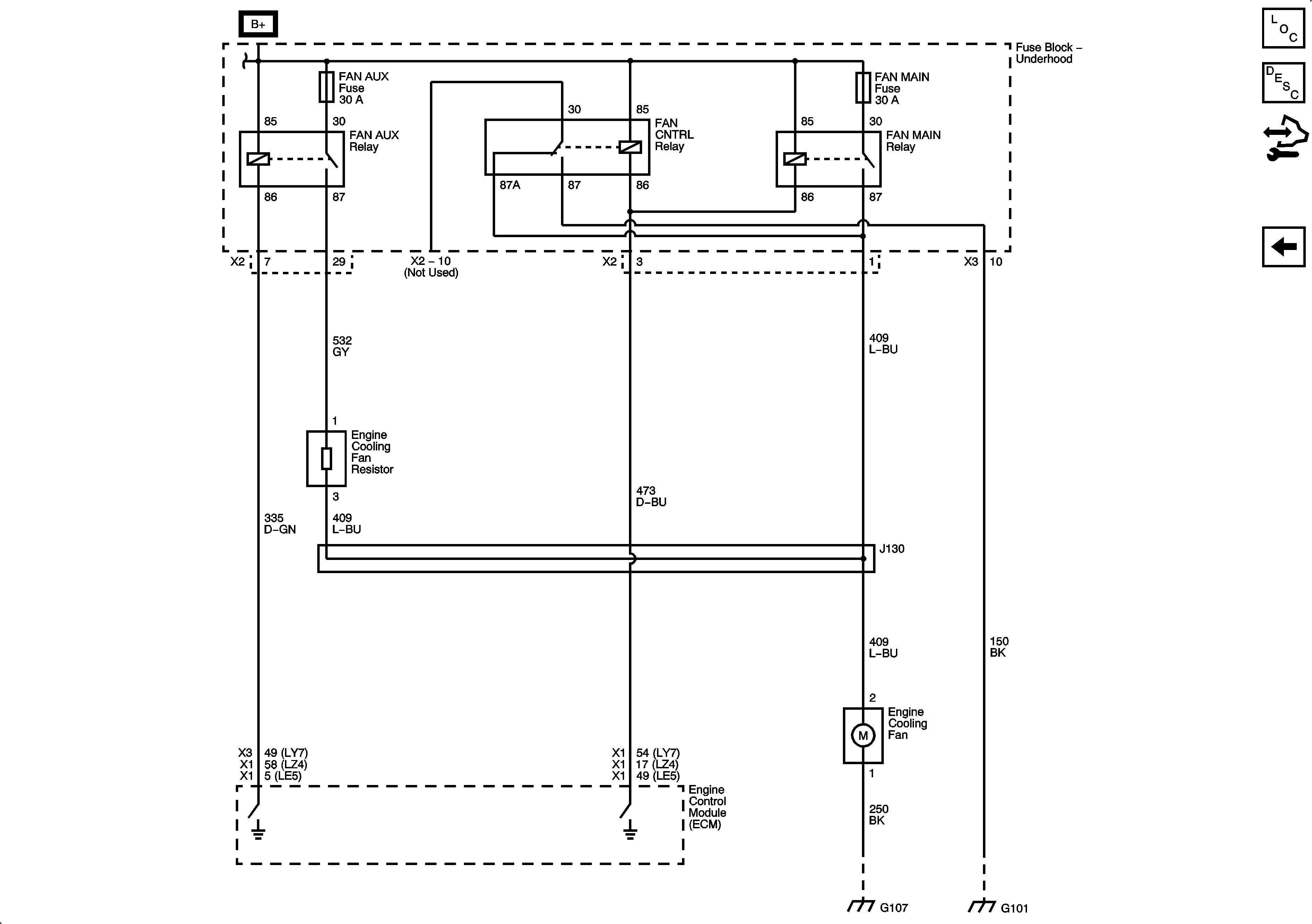
Figure
2:
LAT
Master Electrical Component List
Cooling Fan Description and Operation LAT
Control Module References
LE5/LY7/LZ4