GM Service Manual Online
For 1990-2009 cars only
Figure 1:

Power Distribution - B+ Bus and EPS Fuse


Object Number: 1877200  Size: FS
Master Electrical Component List
Control Module References
ABS, AMp, AWD, ECM/TCM, Heated Seats, HVAC Blower, Rear Wiper Fuses
Figure 2:

ABS, Amp, AWD, ECM/TCM, Heated Seats, HVAC Blower, Rear Wiper Fuses


Object Number: 1877204  Size: FS
Master Electrical Component List
Control Module References
Sunroof, IP Batt Fuses, AIRCON, BACKUP/STOP, BCM, DIM, INT LTS, LH TRN/HAZ, INADVRT/CTSY, RH TRN/HAZ Fuses
B+ Bus and EPS Fuse
Figure 3:

SUNROOF, IP BATT Fuses, AIRCON, BACKUP/STOP, BCM, DIM, INT LTS, LH TRN/HAZ INADVRT/CTSY, RH TRN/HAZ Fuses


Object Number: 1877428  Size: FS
Master Electrical Component List
Control Module References
AIR BAG, AUDIO, FSCM, POWER SEATS Fuses
ABS, AMp, AWD, ECM/TCM, Heated Seats, HVAC Blower, Rear Wiper Fuses
Figure 4:

AIR BAG, AUDIO, FSCM, POWER SEAT, Fuses


Object Number: 1877439  Size: FS
Master Electrical Component List
Control Module References
AUX Outlet 1, AUX Outlet 2, Cigar, IGN SW, Trailer STOP/TRN Fuses
Sunroof, IP Batt Fuses, AIRCON, BACKUP/STOP, BCM, DIM, INT LTS, LH TRN/HAZ, INADVRT/CTSY, RH TRN/HAZ Fuses
Figure 5:

AUX Outlet 1, AUX Outlet 2, Cigar, IGN SW, Trailer STOP/TRN Fuses


Object Number: 1877442  Size: FS
Master Electrical Component List
Control Module References
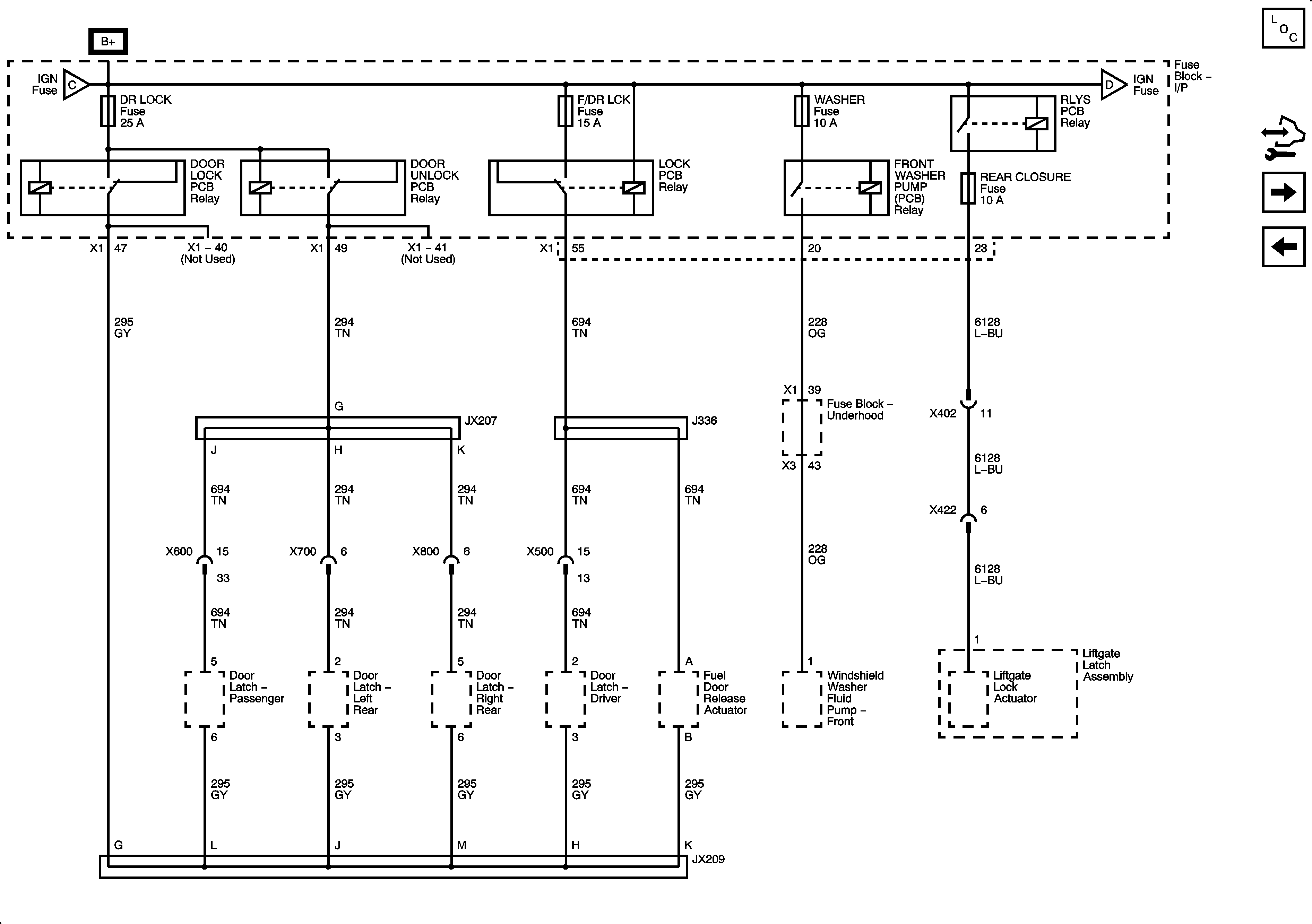
Door Lock, FRT Washer, RLS Relays
AIR BAG, AUDIO, FSCM, POWER SEATS Fuses
Figure 6:

Door Lock, FRT Washer, RLS Relays


Object Number: 1877444  Size: FS
Master Electrical Component List
Control Module References
Ignition Switch Fuse
AUX Outlet 1, AUX Outlet 2, Cigar, IGN SW, Trailer STOP/TRN Fuses
Figure 7:

Ignition Switch Fuse


Object Number: 1877449  Size: FS
Master Electrical Component List
Control Module References
Lo Beam, HI Beam and DRL Relays
Door Lock, FRT Washer, RLS Relays
Figure 8:

LO Beam, HI Beam and DRL Relays


Object Number: 1877453  Size: FS
Master Electrical Component List
Control Module References
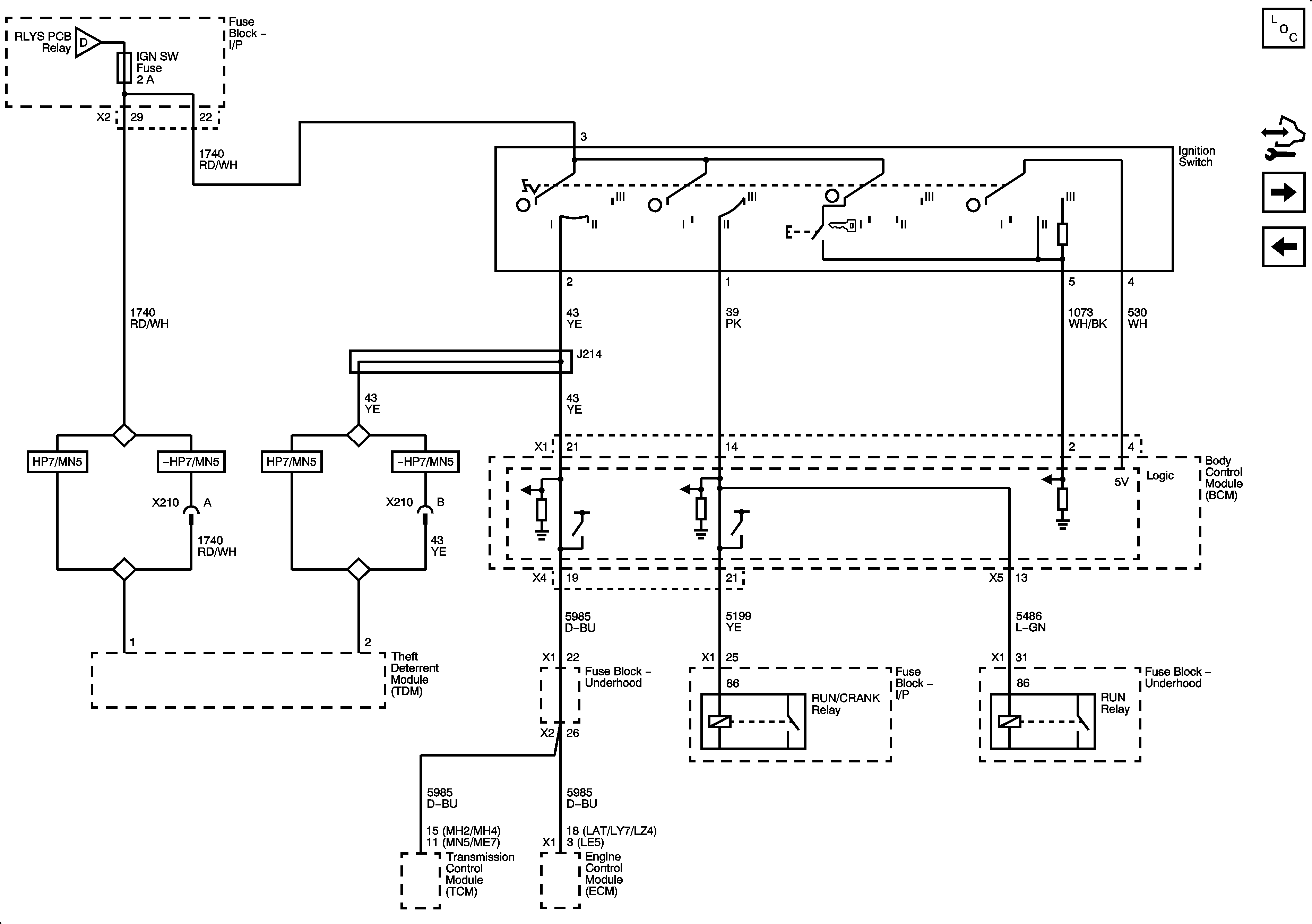
RAP Relay
Ignition Switch Fuse
Figure 9:

RAP Relay


Object Number: 1877458  Size: FS
Master Electrical Component List
Control Module References
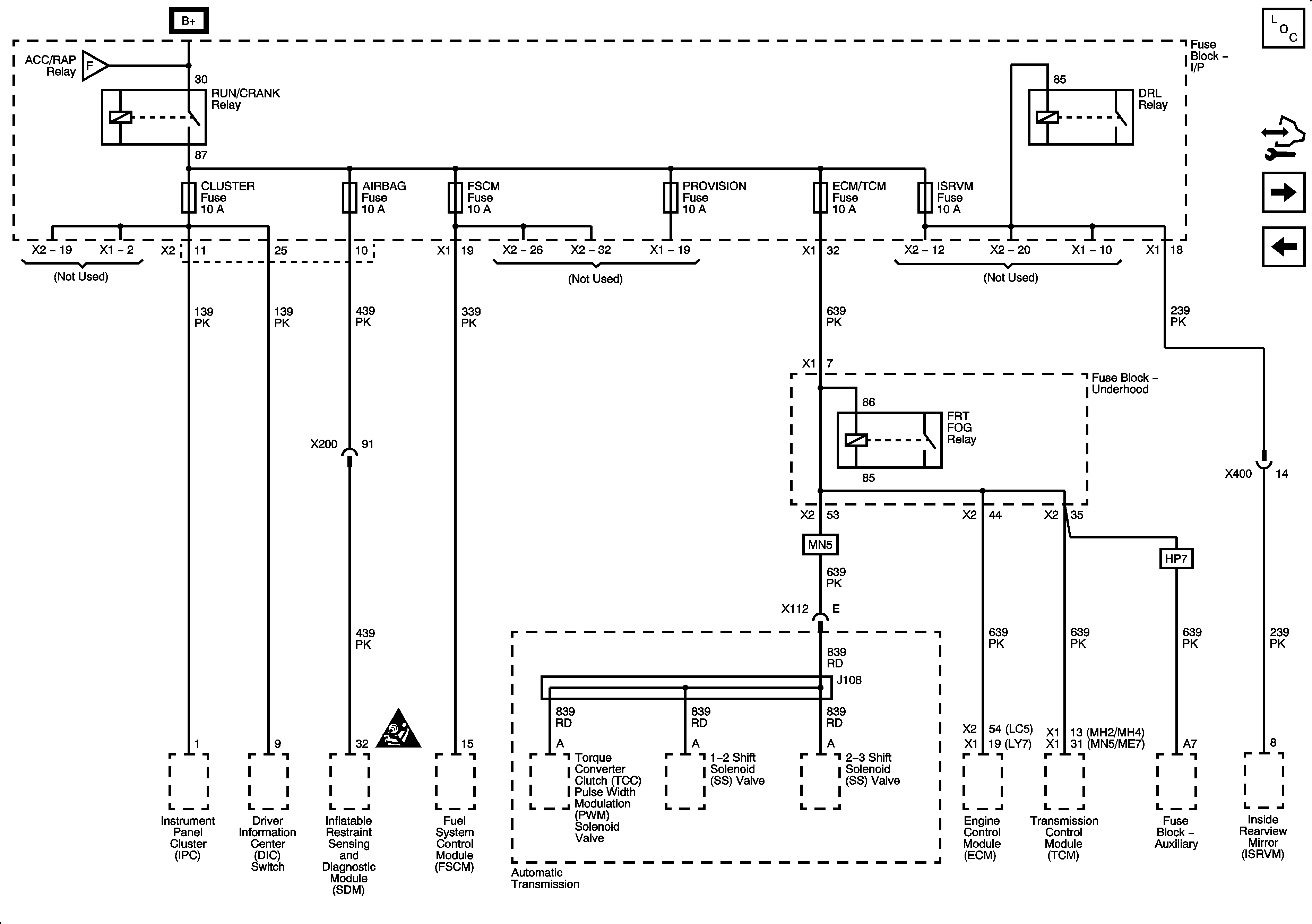
RUN/CRANK Relay, AIR BAG, CLUSTER, ECM/TCM, ISRV Fuses
Lo Beam, HI Beam and DRL Relays
Figure 10:

RUN/CRANK Relay, AIR BAG, CLUSTER, ECM/TCM, FSCM, ISRV Fuses


Object Number: 1877477  Size: FS
Master Electrical Component List
Control Module References
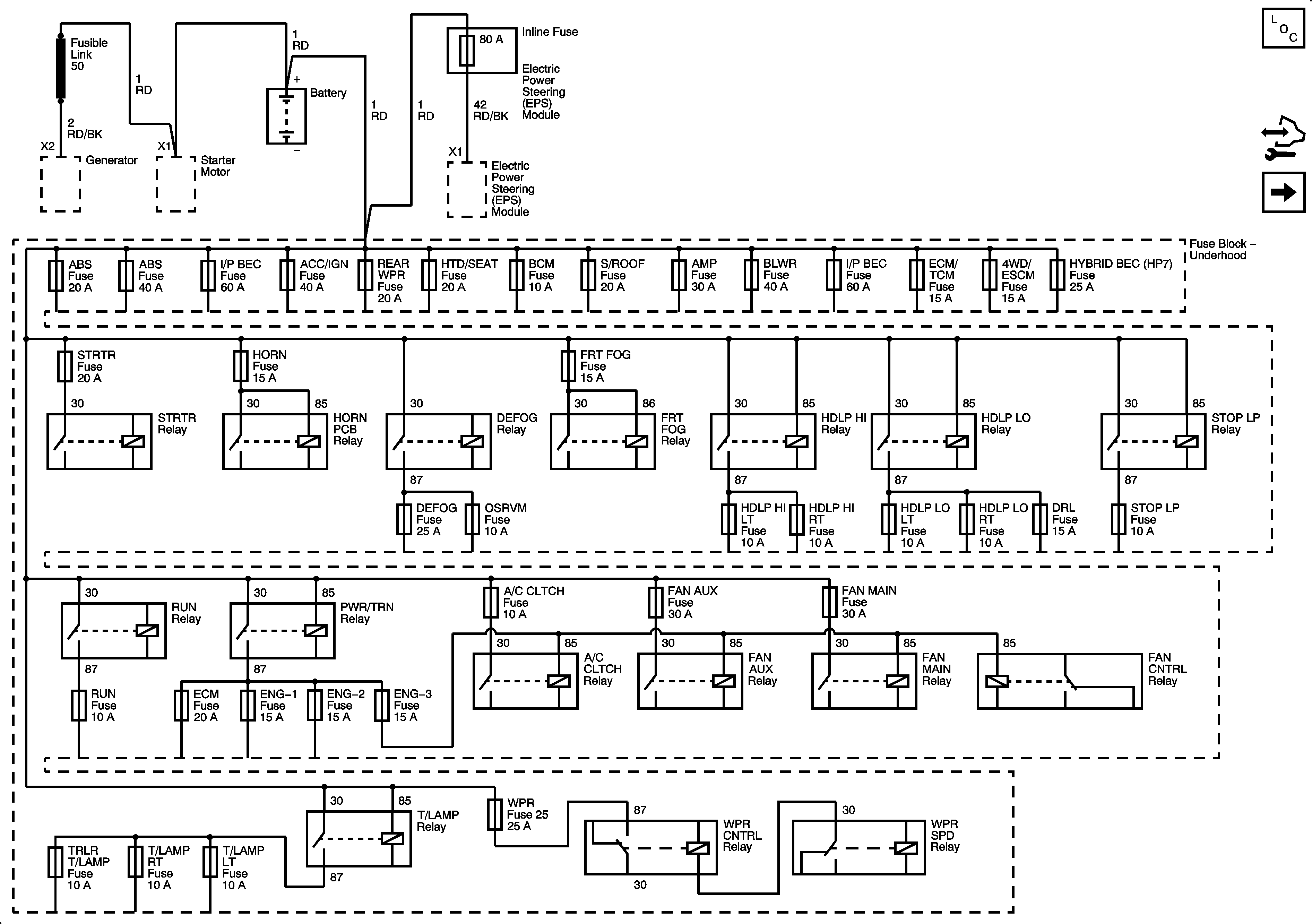
Main Relay, ECM, ENG1, ENG2 Fuses
RAP Relay
Figure 11:

Main Relay, ECM, ENG1, ENG2 Fuses


Object Number: 1877481  Size: FS
Master Electrical Component List
Control Module References
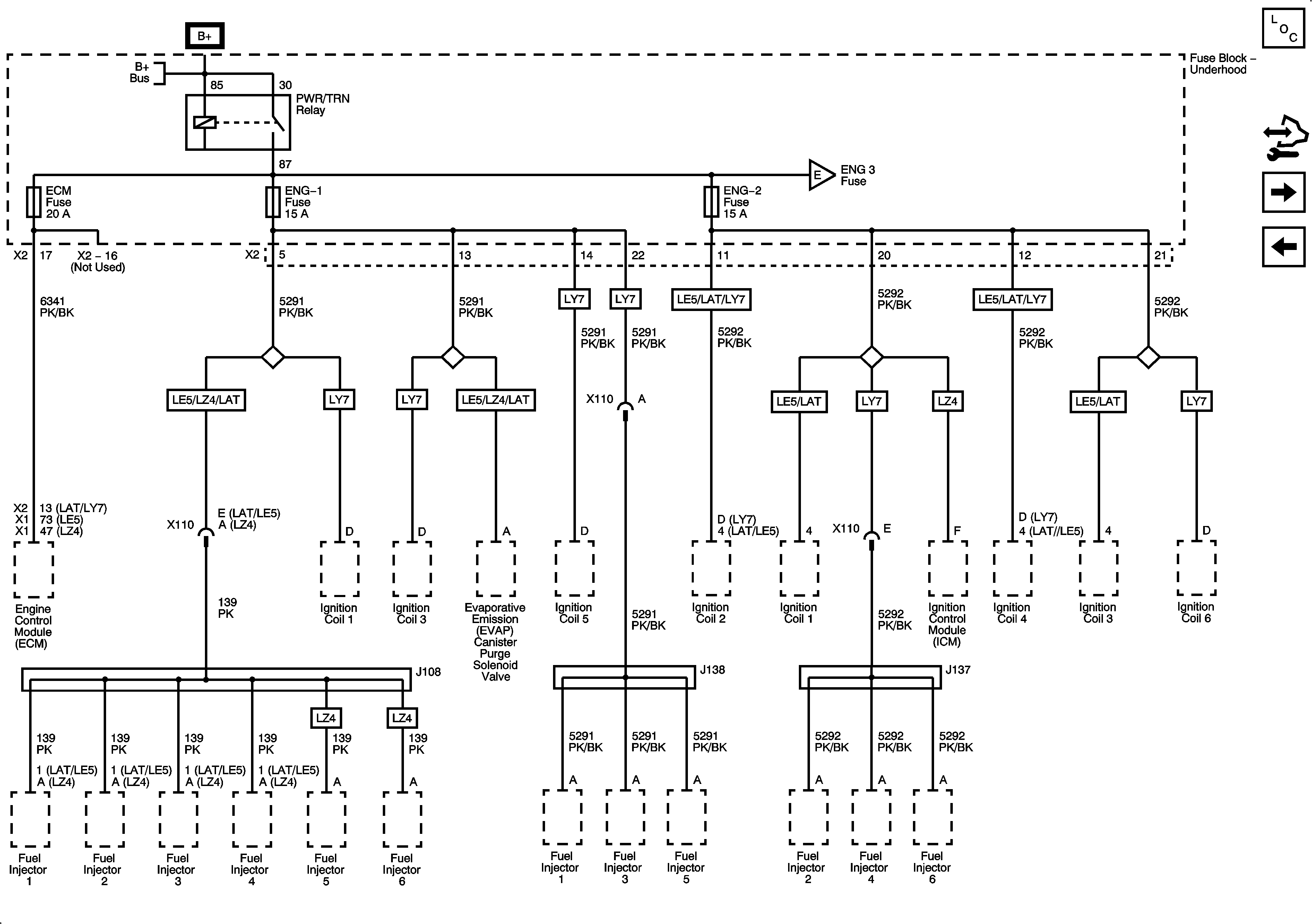
ENG3 Fuse
RUN/CRANK Relay, AIR BAG, CLUSTER, ECM/TCM, ISRV Fuses
Figure 12:

ENG3 Fuse


Object Number: 1877486  Size: FS
Master Electrical Component List
Control Module References
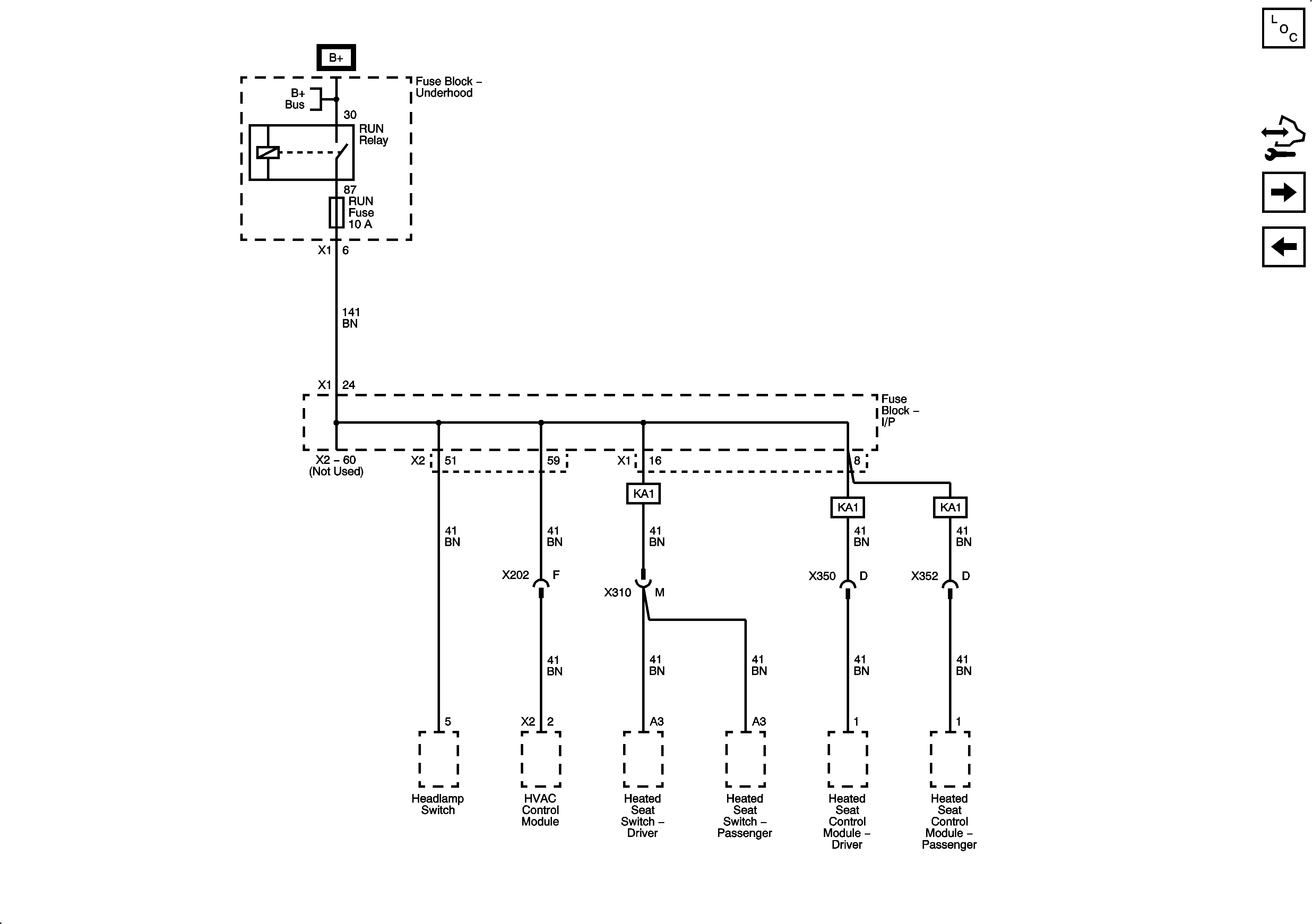
Run Relay
Main Relay, ECM, ENG1, ENG2 Fuses
Figure 13:

Run Relay


Object Number: 1878689  Size: FS
Master Electrical Component List
Control Module References
ENG3 Fuse