GM Service Manual Online
For 1990-2009 cars only

Exhaust Manifold Heat Shield Replacement - Right Side LY7

Removal Procedure


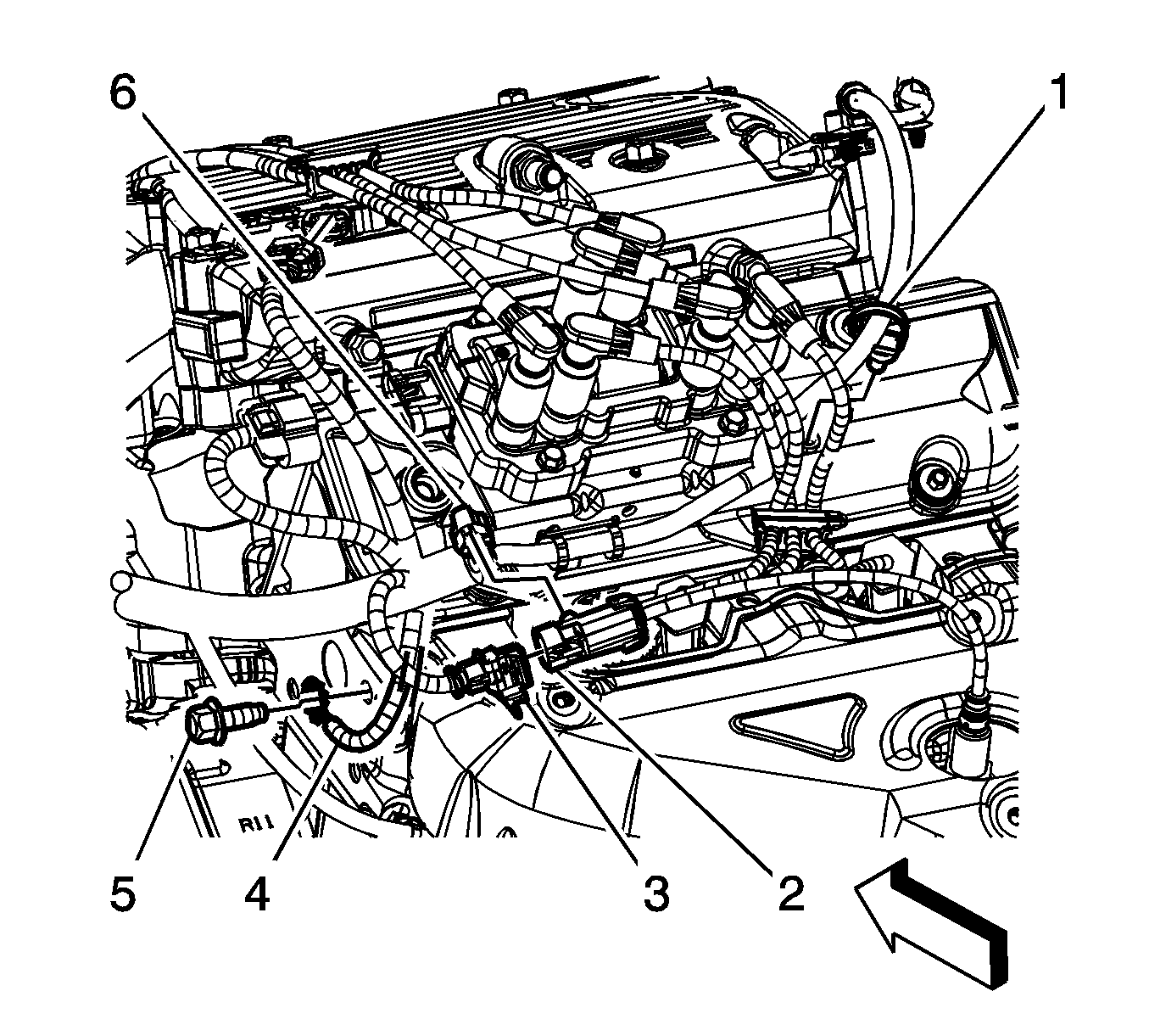
    Object Number: 1836024  Size: SH
  1. Remove the fuel injector sight shield. Refer to Fuel Injector Sight Shield Replacement.
  2. Disconnect the engine wiring harness electrical connector (3) from the heated oxygen sensor (HO2S) electrical connector (4).
  3. Remove the HO2S electrical connector retainer (5) from the retainer clip.

  4. Object Number: 1888020  Size: SH
  5. Remove the exhaust manifold heat shield bolts (1).
  6. Remove the exhaust manifold heat shield (2).

Installation Procedure

    Notice: Refer to Fastener Notice in the Preface section.


    Object Number: 1888020  Size: SH
  1. Install the exhaust manifold heat shield (2).
  2. Install the exhaust manifold heat shield bolts (1).
  3. Tighten
    Tighten the bolts 22 N·m (16 lb ft).


    Object Number: 1836024  Size: SH
  4. Connect the engine harness electrical connector (3) to the HO2S electrical connector (4).
  5. Install the HO2S electrical connector retainer (5) to the retainer clip.
  6. Install the fuel injector sight shield. Refer to Fuel Injector Sight Shield Replacement.

Exhaust Manifold Heat Shield Replacement - Right Side LZ4

Removal Procedure


    Object Number: 1883804  Size: SH
  1. Remove the intake manifold cover. Refer to Intake Manifold Cover Replacement.
  2. Remove the connector position assurance (CPA) retainer.
  3. Disconnect the engine wiring harness electrical connector (3) from the heated oxygen sensor (HO2S) electrical connector (2).
  4. Remove the HO2S electrical connector rosebud clip from the engine wiring harness retainer strap (6).

  5. Object Number: 1889557  Size: SH
  6. Remove the exhaust manifold heat shield bolts (1).
  7. Remove the exhaust manifold heat shield (2).

Installation Procedure

    Notice: Refer to Fastener Notice in the Preface section.


    Object Number: 1889557  Size: SH
  1. Install the exhaust manifold heat shield (2).
  2. Install the exhaust manifold heat shield bolts (1).
  3. Tighten
    Tighten the bolts 22 N·m (16 lb ft).


    Object Number: 1883804  Size: SH
  4. Connect the engine harness electrical connector (3) to the HO2S electrical connector (2).
  5. Install the CPA retainer.
  6. Install the HO2S electrical connector rosebud clip to the engine wiring harness retaining strap (6).
  7. Install the intake manifold cover. Refer to Intake Manifold Cover Replacement.