GM Service Manual Online
For 1990-2009 cars only

    Object Number: 412537  Size: SH
  1. Install the engine front cover with a new gasket.
  2. Notice: Use the correct fastener in the correct location. Replacement fasteners must be the correct part number for that application. Fasteners requiring replacement or fasteners requiring the use of thread locking compound or sealant are identified in the service procedure. Do not use paints, lubricants, or corrosion inhibitors on fasteners or fastener joint surfaces unless specified. These coatings affect fastener torque and joint clamping force and may damage the fastener. Use the correct tightening sequence and specifications when installing fasteners in order to avoid damage to parts and systems.

  3. Install the long water pump bolt.
  4. Tighten
    Tighten the water pump bolt to 25 N·m (18 lb ft).


    Object Number: 412538  Size: SH
  5. Install the engine front cover bolts.
  6. Tighten
    Tighten the engine front cover bolts to 25 N·m (18 lb ft).


    Object Number: 1828043  Size: SH
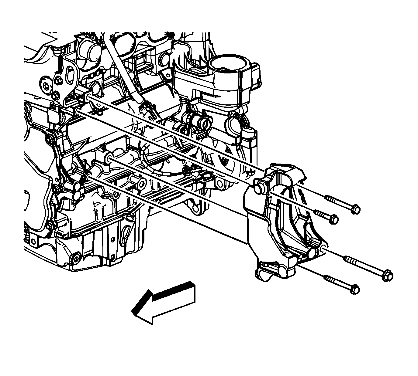
  7. Install the drive belt tensioner bracket.
  8. Install the drive belt tensioner bracket bolts.
  9. Tighten
    Tighten the drive belt tensioner bracket bolts to 45 N·m (33 lb ft).


    Object Number: 1828040  Size: SH
  10. Install the accessory drive belt tensioner.
  11. Install the accessory drive belt tensioner bolt.
  12. Tighten
    Tighten the bolt to 45 N·m (33 lb ft).