GM Service Manual Online
For 1990-2009 cars only

Removal Procedure

  1. Remove the air cleaner assembly. Refer to Air Cleaner Assembly Replacement .

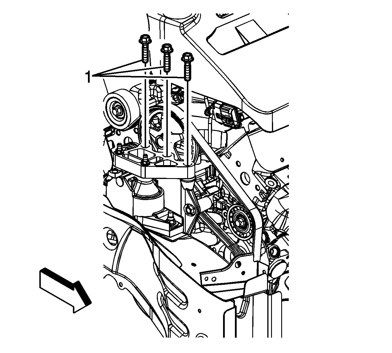
  2. Object Number: 1875367  Size: SH
  3. Remove the engine mount bolts (1).

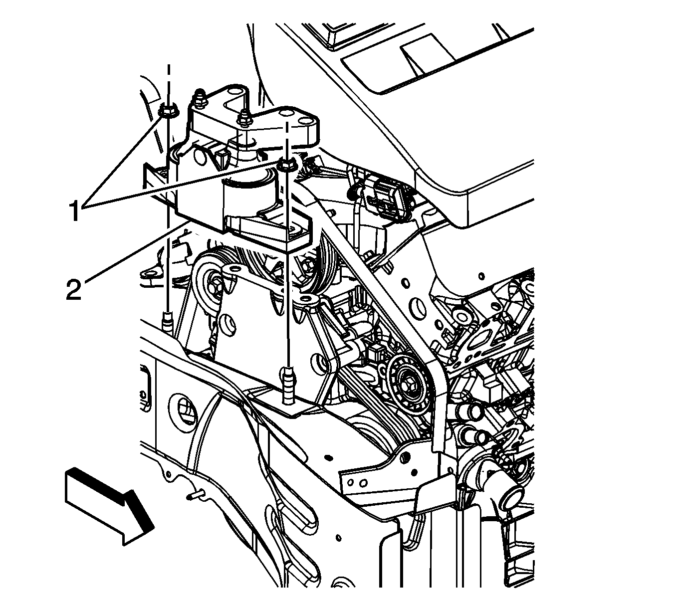
  4. Object Number: 1875368  Size: SH
  5. Remove the engine mount nuts (1).
  6. Remove the engine mount (2).

Installation Procedure


    Object Number: 1875368  Size: SH
  1. Install the engine mount (2).
  2. Notice: Refer to Fastener Notice in the Preface section.

  3. Install the engine mount nuts (1).
  4. Tighten
    Tighten the nuts to 85 N·m (63 lb ft)


    Object Number: 1875367  Size: SH
  5. Install the engine mount bolts (1).
  6. Tighten
    Tighten the bolts to 110 N·m (81 lb ft)

  7. Install the air cleaner assembly. Refer to Air Cleaner Assembly Replacement .