GM Service Manual Online
For 1990-2009 cars only

Removal Procedure


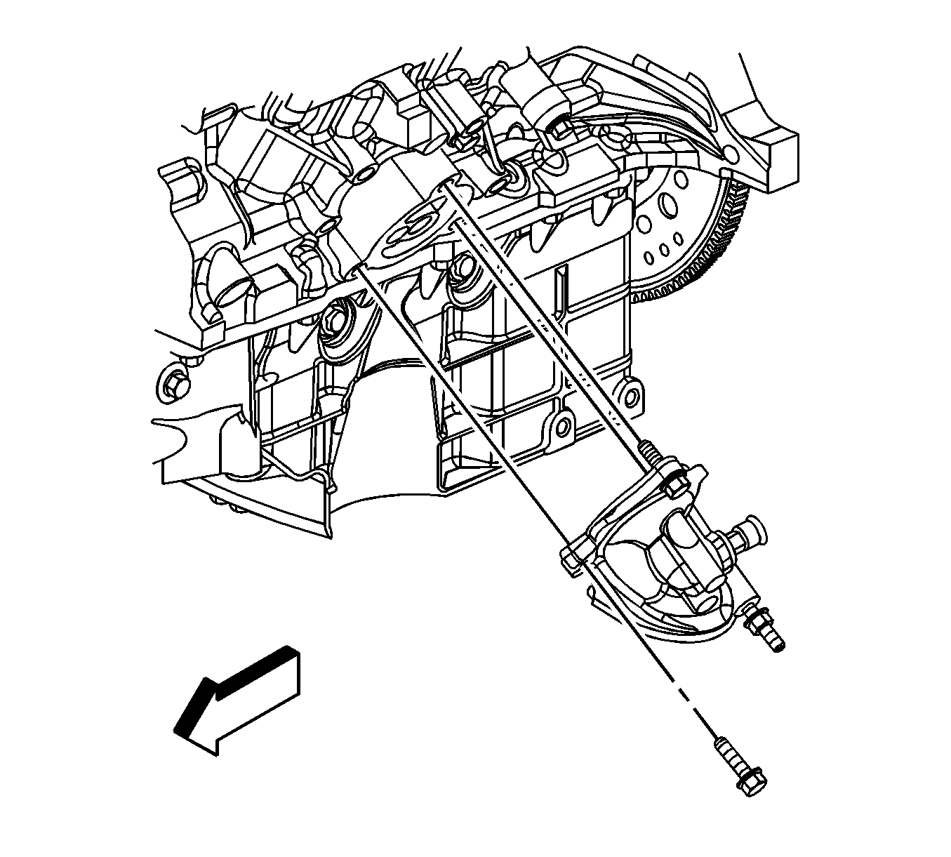
    Object Number: 1608498  Size: SH
  1. Raise and support the vehicle. Refer to Lifting and Jacking the Vehicle .
  2. Disconnect the oil pressure sensor electrical connector (1).

  3. Object Number: 1556786  Size: SH
  4. Remove the oil filter.

  5. Object Number: 1581863  Size: SH
  6. Remove the oil filter adapter bolts and stud.
  7. Remove the oil filter adapter and gasket.

  8. Object Number: 1581864  Size: SH
  9. Insert a flat-bladed tool into the oil filter bypass hole and remove the oil filter bypass valve.

Installation Procedure

Notice: Maximum gasket performance is achieved when using new fasteners, which contain a thread-locking patch. If the fasteners are not replaced, a thread locking chemical must be applied to the fastener threads. Failure to replace the fasteners or apply a thread-locking chemical MAY reduce gasket sealing capability.


    Object Number: 1581864  Size: SH
  1. Install the oil filter bypass valve. Seat the valve fully below the bypass valve hole chamfer.

  2. Object Number: 1581863  Size: SH
  3. Position the oil filter adapter and gasket to the engine.
  4. Apply threadlock to the bolt/stud threads, if required. Refer to Adhesives, Fluids, Lubricants, and Sealers .
  5. Notice: Refer to Fastener Notice in the Preface section.

  6. Install the oil filter adapter bolts and stud.
  7. Tighten
    Tighten the bolts and stud to 25 N·m (18 lb ft).


    Object Number: 1556786  Size: SH
  8. Install the oil filter.
  9. Tighten
    Tighten the filter to 30 N·m (22 lb ft).


    Object Number: 1608498  Size: SH
  10. Disconnect the oil pressure sensor electrical connector (1).
  11. Lower the vehicle.
  12. Check and fill the crankcase, if necessary.