GM Service Manual Online
For 1990-2009 cars only

    Object Number: 1556804  Size: SH
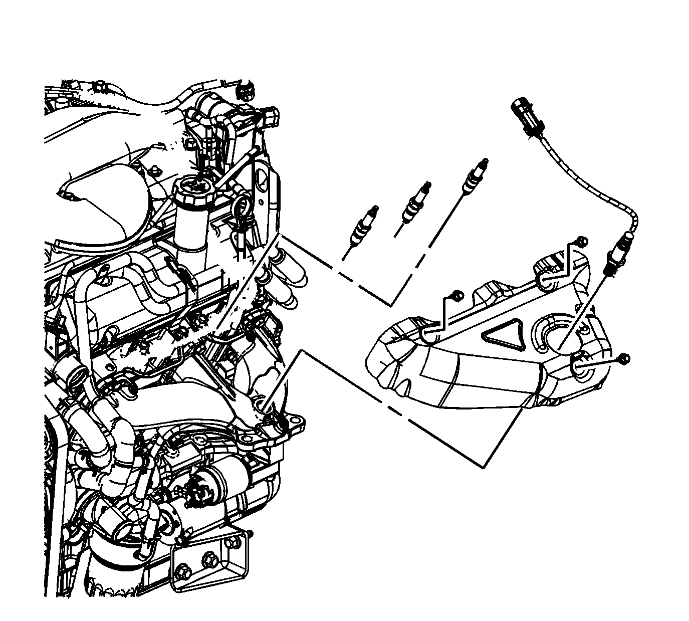
  1. Install the exhaust manifold gasket.
  2. Install the exhaust manifold.
  3. Notice: Use the correct fastener in the correct location. Replacement fasteners must be the correct part number for that application. Fasteners requiring replacement or fasteners requiring the use of thread locking compound or sealant are identified in the service procedure. Do not use paints, lubricants, or corrosion inhibitors on fasteners or fastener joint surfaces unless specified. These coatings affect fastener torque and joint clamping force and may damage the fastener. Use the correct tightening sequence and specifications when installing fasteners in order to avoid damage to parts and systems.

  4. Install the exhaust manifold bolts.
  5. Tighten
    Tighten the exhaust manifold bolts in sequence to 20 N·m (15 lb ft).


    Object Number: 1556803  Size: SH
  6. Install the exhaust manifold heat shield.
  7. Install the exhaust manifold heat shield bolts.
  8. Tighten
    Tighten the exhaust manifold heat shield bolts to 10 N·m (89 lb in).

  9. Install the spark plugs.
  10. Tighten
    Tighten the spark plugs to 15 N·m (11 lb ft).

  11. Install the spark plug wires.
  12. Install the heated oxygen sensor.
  13. Tighten
    Tighten the heated oxygen sensor to 42 N·m (31 lb ft).