GM Service Manual Online
For 1990-2009 cars only

    Object Number: 1838530  Size: SH
  1. Remove the right exhaust manifold heat shield bolts.

  2. Object Number: 1838534  Size: SH
  3. Remove the right exhaust manifold heat shield.

  4. Object Number: 1838537  Size: SH
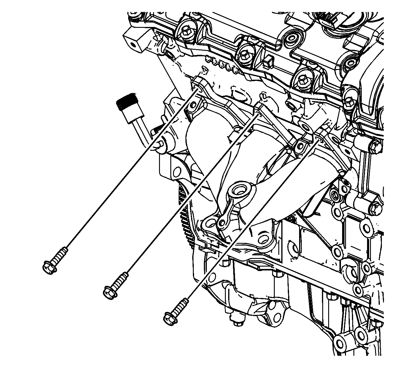
  5. Remove the right exhaust manifold lower bolts from the right cylinder head.

  6. Object Number: 1838540  Size: SH
  7. Remove the right exhaust manifold upper bolts from the right cylinder head.

  8. Object Number: 1838541  Size: SH
  9. Remove the right exhaust manifold.

  10. Object Number: 1838542  Size: SH
  11. Remove and discard the right exhaust manifold gasket.