GM Service Manual Online
For 1990-2009 cars only

    Object Number: 1866819  Size: SH
  1. Disconnect and remove the brake booster hose from the upper intake manifold.

  2. Object Number: 1866820  Size: SH
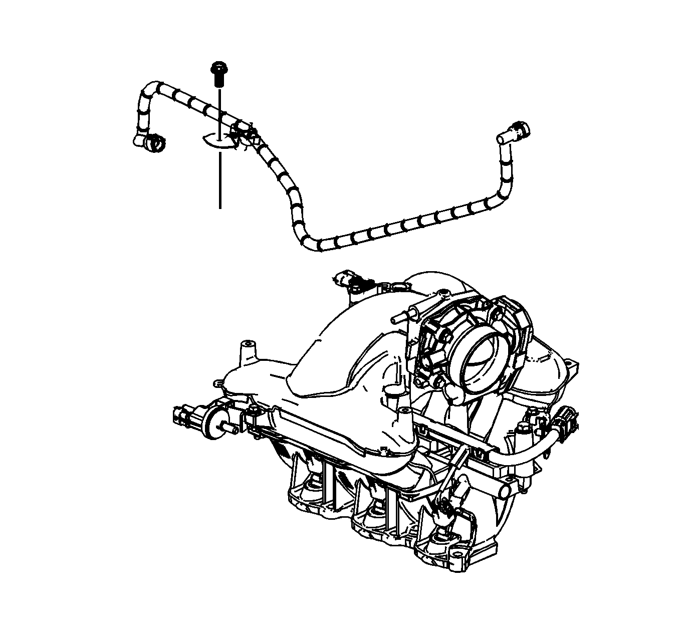
  3. Disconnect and remove the vehicle-to-solenoid evaporative emission (EVAP) hose from the EVAP solenoid.

  4. Object Number: 1866821  Size: SH
  5. Remove the intake manifold-to-solenoid EVAP hose bracket bolt from the intake manifold.
  6. Disconnect and remove the intake manifold-to-solenoid EVAP hose from the intake manifold and from the EVAP solenoid.

  7. Object Number: 1866840  Size: SH
  8. Remove the EVAP solenoid bolt.
  9. Remove the EVAP solenoid.

  10. Object Number: 1866842  Size: SH
  11. Disconnect and remove the dirty air positive crankcase ventilation (PCV) hose from the intake manifold and the right camshaft cover fitting.

  12. Object Number: 1866844  Size: SH
  13. Disconnect and remove the fresh air PCV hose from the left camshaft cover fitting.

  14. Object Number: 1866845  Size: SH
  15. Remove the intake manifold bolts.
  16. Remove the intake manifold assembly.

  17. Object Number: 902883  Size: SH
  18. Remove the lower intake manifold gasket.