GM Service Manual Online
For 1990-2009 cars only

Upper to Lower Intake Manifold Disassemble Procedure


    Object Number: 1866894  Size: SH

    Important: Do not reuse the upper-to-lower intake manifold gasket and the intake manifold-to-cylinder head sealing gaskets.

  1. Remove the upper-to-lower intake manifold bolts.

  2. Object Number: 1866896  Size: SH
  3. Remove the fuel injector wiring harness bracket bolt from the upper intake manifold.

  4. Object Number: 1866897  Size: SH
  5. Remove the upper intake manifold from the lower intake manifold.

  6. Object Number: 1866898  Size: SH
  7. Remove and discard the upper-to-lower intake manifold gaskets.

Upper Intake Manifold Disassemble Procedure


    Object Number: 1531030  Size: SH
  1. Remove the fuel rail support bracket bolt.
  2. Remove the fuel rail support bracket.

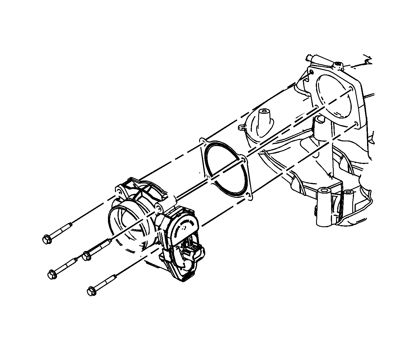
  3. Object Number: 1866901  Size: SH
  4. Remove the throttle body bolts.
  5. Remove the throttle body.
  6. Remove and discard the throttle body gasket.

  7. Object Number: 1866902  Size: SH
  8. Remove the barometric pressure (BARO) sensor bolt.
  9. Remove the BARO sensor.

  10. Object Number: 1866903  Size: SH
  11. Remove the intake manifold opening cover bolts.
  12. Remove the intake manifold opening cover.

Lower Intake Manifold Disassemble Procedure


    Object Number: 1866907  Size: SH
  1. Remove the fuel injector wiring harness.

  2. Object Number: 1866908  Size: SH
  3. Remove the fuel injector rail bolts.
  4. Remove the fuel injector rail.