GM Service Manual Online
For 1990-2009 cars only

Engine Replacement Without HP5

Removal Procedure

  1. Disconnect the negative battery cable. Refer to Battery Negative Cable Disconnection and Connection.
  2. Disconnect the engine control module (ECM) connector from the under-hood fuse block.
  3. Disconnect ground wire from frame, near battery box.
  4. Remove the fuel injector sight shield. Refer to Fuel Injector Sight Shield Replacement.
  5. Release the clamp from the brake booster vacuum hose connection.
  6. Disconnect the brake booster vacuum hose from the intake manifold.
  7. Remove the air cleaner assembly. Refer to Air Cleaner Assembly Replacement.
  8. Discharge the fuel system. Refer to Fuel Pressure Relief.
  9. Disconnect the evaporative emission (EVAP) hose/pipe from the EVAP canister purge solenoid valve. Refer to Plastic Collar Quick Connect Fitting Service.
  10. Disconnect the engine fuel hose/pipe from the chassis fuel hose/pipe. Refer to Metal Collar Quick Connect Fitting Service.
  11. Discharge the air conditioning (A/C) system. Refer to Refrigerant Recovery and Recharging.
  12. Remove the A/C compressor hose assembly from the compressor. Cap or plug the hoses and compressor to prevent contamination. Refer to Compressor Hose Assembly Replacement.
  13. Disconnect the transaxle shift control cable from the transaxle. Refer to Range Selector Lever Cable Replacement.
  14. Drain the engine coolant from the cooling system. Refer to Cooling System Draining and Filling.
  15. Tie the radiator, A/C condenser, and fan module assembly to the upper radiator support to keep the assembly with the vehicle when the frame and drivetrain is removed.
  16. Disconnect the heater hoses from the engine. Refer to Heater Inlet Hose Replacement.
  17. Remove the radiator inlet hose. Refer to Radiator Inlet Hose Replacement.
  18. Raise and support the vehicle. Refer to Lifting and Jacking the Vehicle.
  19. Remove the radiator outlet hose. Refer to Radiator Outlet Hose Replacement.

  20. Object Number: 945444  Size: SH
  21. Disconnect the transaxle oil cooler lines from the transaxle and remove the seals. Refer to Transmission Fluid Cooler Inlet Hose Replacement and Transmission Fluid Cooler Outlet Hose Replacement.
  22. Cap the transaxle oil cooler lines and plug the transaxle oil cooler line fittings to prevent loss of transmission fluid.
  23. Remove the catalytic converters and secure the rear half of the exhaust system to the vehicle underbody. Refer to Exhaust Manifold Replacement - Left Side and Exhaust Manifold Replacement - Right Side.
  24. Remove the front tires. Refer to Tire and Wheel Removal and Installation.
  25. Remove the right and left engine splash shields. Refer to Engine Splash Shield Replacement.

  26. Object Number: 927947  Size: SH
  27. Remove the steering intermediate shaft pinch bolt and discard the bolt.
  28. Disconnect the steering intermediate shaft from the steering gear.

  29. Object Number: 854972  Size: SH
  30. Remove the right and left outer tie rod ends from the steering knuckles. Refer to Steering Linkage Outer Tie Rod Replacement.

  31. Object Number: 927949  Size: SH
  32. Remove the right and left stabilizer shaft links from the stabilizer shaft. Refer to Stabilizer Shaft Link Replacement.

  33. Object Number: 1418666  Size: SH
  34. Remove the right and left lower ball joints from the steering knuckles. Refer to Lower Control Arm Replacement.
  35. On front wheel drive (FWD) models, place a drain pan under the transaxle then separate the right and left front wheel drive shafts from the transaxle. Refer to Front Wheel Drive Shaft Replacement.
  36. On all wheel drive (AWD) models, remove the rear wheel driveshaft. Refer to Rear Wheel Drive Shaft Replacement.

  37. Object Number: 1403676  Size: SH
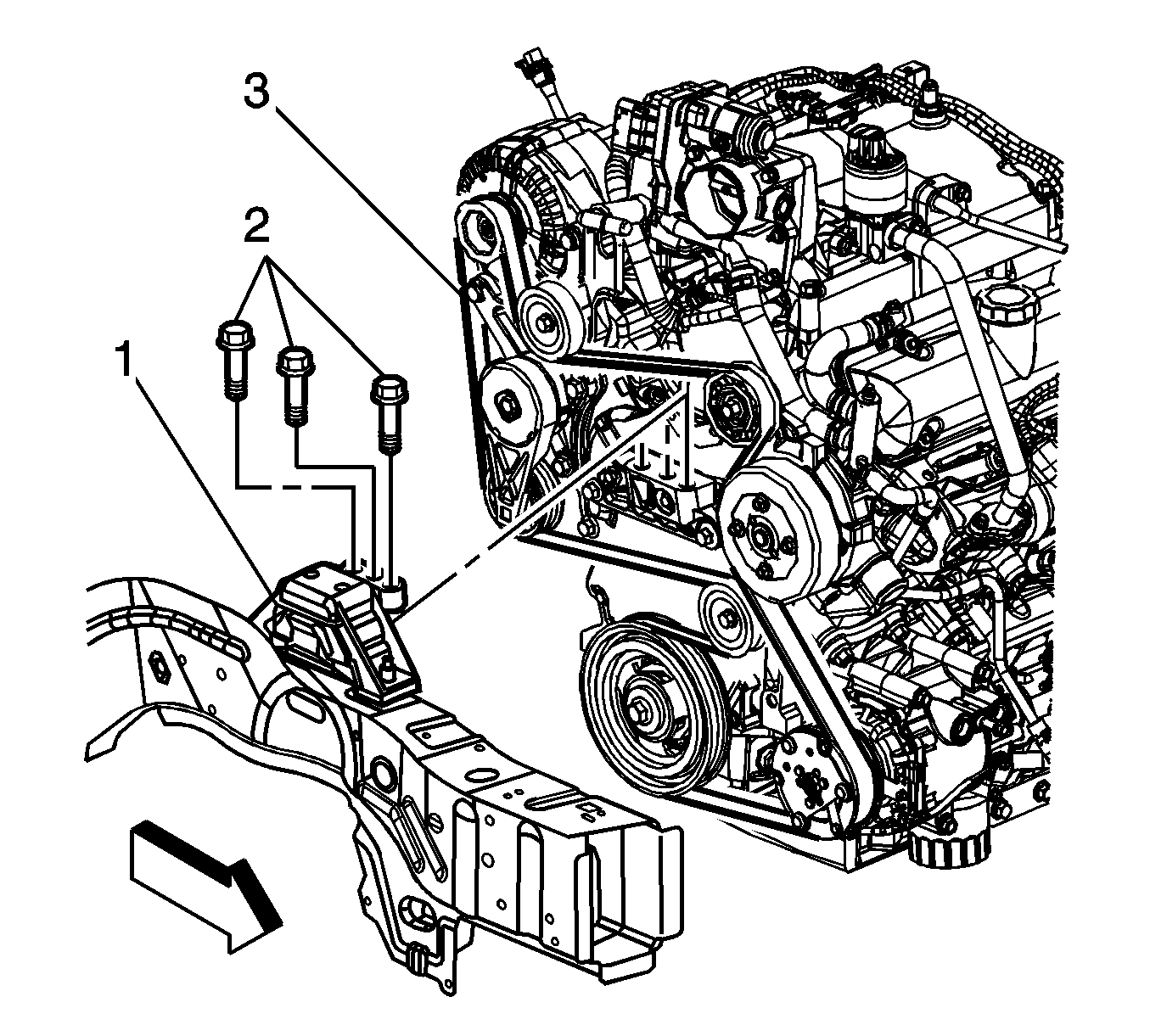
  38. On all models, place a block of wood (1) between the frame and the engine oil pan in order to support the engine once the bolts are removed from the right engine mount.

  39. Object Number: 1370510  Size: SH
  40. Lower the vehicle.
  41. Remove the bolts (2) that secure the right engine mount (1) to the engine (3).
  42. Important: Insure the vehicle body is secured to the hoist.

  43. Raise the vehicle.
  44. Place a universal frame support fixture or jackstands under the frame.
  45. Lower the vehicle until the frame contacts the frame support fixture or jackstands.
  46. Disconnect the wiring harness retaining clips near the right and left shock towers.
  47. Remove the drivetrain and front suspension frame reinforcement. Refer to Drivetrain and Front Suspension Frame Reinforcement Replacement.

  48. Object Number: 933087  Size: SH
  49. Remove the frame-to-body bolts. Discard the bolts.
  50. Important: Inspect for areas of body to powertrain contact or entanglement of wires and hoses while separating the vehicle body and powertrain.

  51. Carefully raise the vehicle body up away from the powertrain.

  52. Object Number: 1834939  Size: SH
  53. Disconnect the engine electrical wiring harness from the following components:
  54. • Oxygen sensor  (1)
    • EVAP purge solenoid (2)
    • Ignition coils (3, 4, 10)
    • Ground leads (7, 11)
    • Remove wire harness from retainers (5, 6, 8, 9)

    Object Number: 1835560  Size: SH
  55. Disconnect the left and right cylinder head engine electrical wiring harness from the following components:
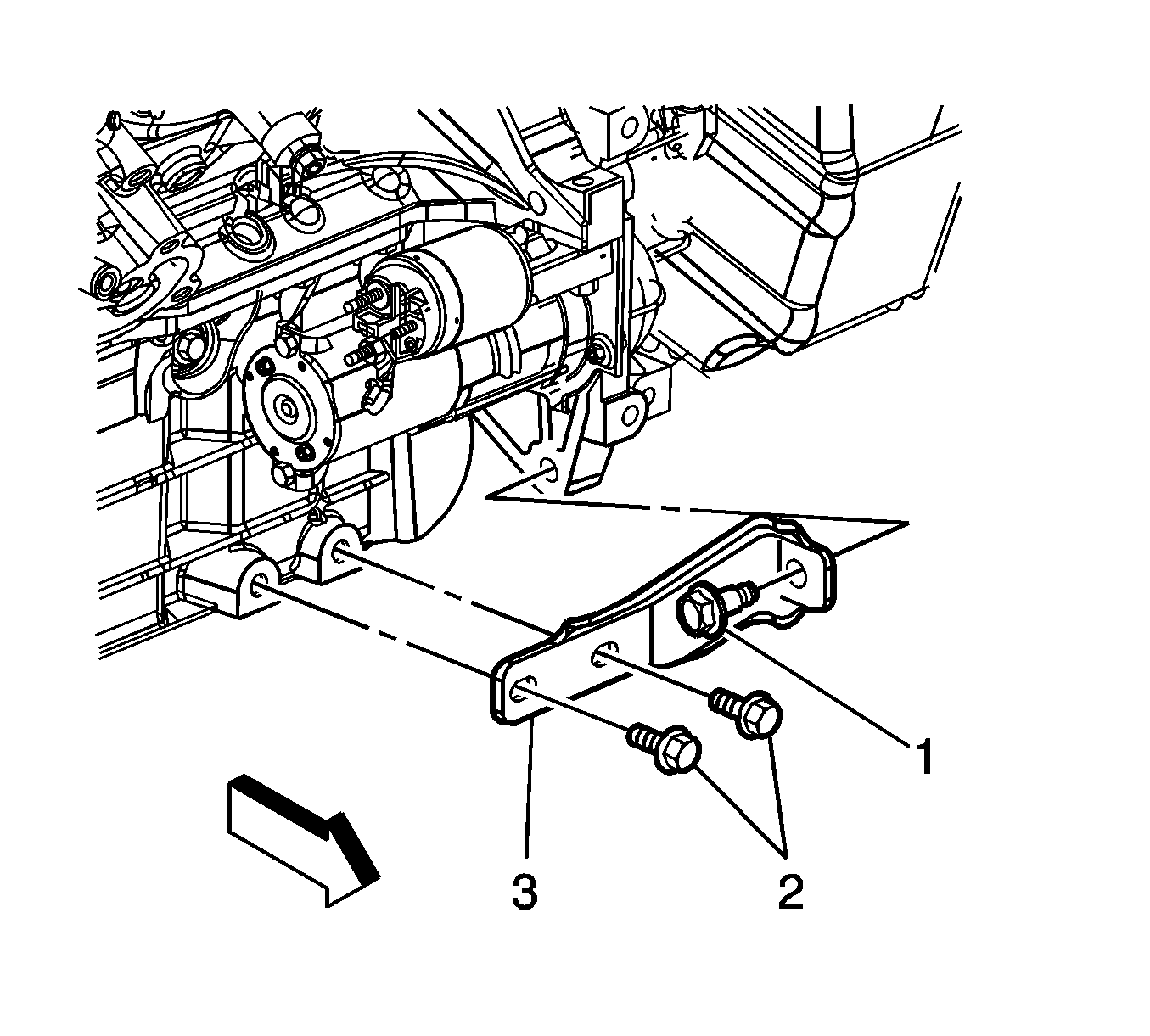
  56. • Camshaft position sensors  (1)
    • Camshaft position actuators (2)

    Object Number: 1834981  Size: SH
  57. Disconnect the engine electrical wiring harness from the following components:
  58. • Generator (1)
    • Retainer clips (2, 3, 4, 5, 6, 7, 9)
    • A/C compressor hose (8)
    • Oil pressure switch (10)
    • A/C compressor (8)

    Object Number: 1835311  Size: SH
  59. Disconnect the engine electrical wiring harness from the following components:
  60. • Battery cable (1)
    • Retainer clips (2, 3)
    • Transmission module (4)

    Object Number: 1835015  Size: SH
  61. If equipped with an engine coolant heater, disconnect the coolant heater cord.
  62. Remove the throttle body assembly. Refer to Throttle Body Assembly Replacement.

  63. Object Number: 1371144  Size: SH
  64. Remove the engine-to-transaxle brace bolts (1, 2) and brace (3).
  65. Remove the starter motor. Refer to Starter Motor Replacement.

  66. Object Number: 1371143  Size: SH
  67. Remove the torque converter bolts.
  68. Install the engine support adapters to the engine. Refer to Engine Support Fixture.
  69. Support the engine weight with an engine hoist.

  70. Object Number: 1371142  Size: SH
  71. Remove the automatic transaxle bolts.
  72. Separate the automatic transaxle from the engine.
  73. Lift the engine away from the frame and the automatic transaxle.
  74. Secure the engine to an engine stand.
  75. Remove any additional engine components as necessary. Refer to appropriate component sections in manual if needed.

Installation Procedure

  1. Remove the engine from the engine stand.

  2. Object Number: 1371142  Size: SH
  3. Align the engine to the frame and automatic transaxle.
  4. Notice: Refer to Fastener Notice in the Preface section.

  5. Install the automatic transaxle bolts.
  6. Tighten
    Tighten the bolts to 75 N·m (55 lb ft).

  7. Place a block of wood between the frame and the engine oil pan in order to support the engine on the frame once the engine hoist is removed.
  8. Remove the engine hoist and lift chain.
  9. Remove the engine support adapters from the engine. Refer to Engine Support Fixture.

  10. Object Number: 1371143  Size: SH
  11. Install the torque converter bolts.
  12. Tighten
    Tighten the bolts to 60 N·m (44 lb ft).

  13. Install the starter motor. Refer to Starter Motor Replacement.

  14. Object Number: 1371144  Size: SH
  15. Install the engine to transaxle brace (3) and bolts (1, 2).
  16. Tighten
    Tighten the bolts to 50 N·m (37 lb ft).

  17. Install the throttle body assembly. Refer to Throttle Body Assembly Replacement.

  18. Object Number: 1835015  Size: SH
  19. If equipped with an engine coolant heater, connect the coolant heater cord.

  20. Object Number: 1835311  Size: SH
  21. Connect the engine electrical wiring harness to the following components:
  22. • Transmission module (4)
    • Retainer clips (3, 2)
    • Battery cable (1)

    Tighten
    Tighten the bolt to 25 N·m (18 lb ft).


    Object Number: 1834981  Size: SH
  23. Connect the engine electrical wiring harness to the following components:
  24. • A/C compressor (8)
    • Oil pressure switch (10)
    • A/C compressor hose (8)
    • Retainer clips (2, 3, 4, 5, 6, 7, 9)
    • Generator (1)

    Tighten
    Tighten the nut to 13 N·m (115 lb in).


    Object Number: 1835560  Size: SH
  25. Connect the left and right cylinder head engine electrical wiring harness to the following components:
  26. • Camshaft position actuators (2)
    • Camshaft position sensors  (1)

    Object Number: 1834939  Size: SH
  27. Connect the engine electrical wiring harness to the following components:
  28. • Install wire harness to retainers (5, 6, 8, 9)
    • Ground leads (7, 11)
    • Ignition coils (3, 4, 10)
    • EVAP purge solenoid (2)
    • Oxygen sensor  (1)
  29. Connect the wiring harness retaining clips near the right and left shock towers.

  30. Object Number: 933087  Size: SH
  31. Install NEW frame-to-body bolts.
  32. Tighten
    Tighten the bolts to 155 N·m (114 lb ft).

  33. Install the drivetrain and front suspension frame reinforcement. Refer to Drivetrain and Front Suspension Frame Reinforcement Replacement.
  34. Raise the vehicle up away from the frame support fixture or jackstands and remove the support fixture or jackstands from under the vehicle.
  35. Lower the vehicle.

  36. Object Number: 1370510  Size: SH
  37. Install the bolts (2) that secure the right engine mount (1) to the engine (3).
  38. Tighten
    Tighten the bolts to 50 N·m (37 lb ft).

  39. Raise the vehicle.

  40. Object Number: 1403676  Size: SH
  41. Remove the block of wood (1) between the frame and the engine oil pan used to support the engine while the bolts were removed from the right engine mount.
  42. On AWD models, install the rear wheel driveshaft. Refer to Rear Wheel Drive Shaft Replacement.
  43. On FWD models, install the right and left front wheel drive shafts into the transaxle. Refer to Front Wheel Drive Shaft Replacement.

  44. Object Number: 1418666  Size: SH
  45. On all models, install the right and left lower ball joints to the steering knuckles. Refer to Lower Control Arm Replacement.

  46. Object Number: 927949  Size: SH
  47. Install the right and left stabilizer shaft links to the stabilizer shaft. Refer to Stabilizer Shaft Link Replacement.

  48. Object Number: 854972  Size: SH
  49. Install the right and left tie rod ends to the steering knuckles. Refer to Steering Linkage Outer Tie Rod Replacement.

  50. Object Number: 927947  Size: SH
  51. Connect the steering intermediate shaft to the steering gear.
  52. Install a NEW pinch bolt to the steering intermediate shaft.
  53. Tighten
    Tighten the bolt to 34 N·m (25 lb ft).

  54. Install the right and left engine splash shields. Refer to Engine Splash Shield Replacement.
  55. Install the front tires. Refer to Tire and Wheel Removal and Installation.
  56. Install the catalytic converters. Refer to Exhaust Manifold Replacement - Left Side and Exhaust Manifold Replacement - Right Side.

  57. Object Number: 945444  Size: SH
  58. Install new seals and connect the transaxle oil cooler lines to the transaxle. Refer to Transmission Fluid Cooler Inlet Hose Replacement and Transmission Fluid Cooler Outlet Hose Replacement.
  59. Install the radiator outlet hose. Refer to Radiator Outlet Hose Replacement.
  60. Lower the vehicle.
  61. Install the radiator inlet hose. Refer to Radiator Inlet Hose Replacement.
  62. Connect the heater hoses to the engine. Refer to Heater Inlet Hose Replacement.
  63. Untie the radiator, AC condenser, and fan module assembly from the upper radiator support.
  64. Connect the transaxle shift control cable to the transaxle. Refer to Range Selector Lever Cable Replacement.
  65. Install the AC compressor hose assembly to the compressor. Refer to Compressor Hose Assembly Replacement.

  66. Object Number: 1371132  Size: SH
  67. Connect the engine fuel hose/pipe (3) to the chassis fuel hose/pipe (2). Refer to Metal Collar Quick Connect Fitting Service.
  68. Connect the EVAP hose/pipe to the EVAP canister purge solenoid valve. Refer to Plastic Collar Quick Connect Fitting Service.
  69. Install the air cleaner assembly. Refer to Air Cleaner Assembly Replacement.

  70. Object Number: 1370533  Size: SH
  71. Connect the brake booster vacuum hose (2) to the intake manifold.
  72. Position the clamp (1) on the brake booster vacuum hose connection.
  73. Connect ground wire from frame, near battery box.
  74. Connect the ECM connector to the under-hood fuse block.
  75. Install the fuel injector sight shield. Refer to Fuel Injector Sight Shield Replacement.
  76. Connect the negative battery cable. Refer to Battery Negative Cable Disconnection and Connection.
  77. Fill the engine with engine oil. Refer to Approximate Fluid Capacities , Fluid and Lubricant Recommendations , and Maintenance Schedule.
  78. Fill the engine with coolant. Refer to Cooling System Draining and Filling.
  79. Check the transaxle fluid level. Refer to Transmission Fluid Replacement.
  80. Charge the AC system. Refer to Refrigerant Recovery and Recharging.
  81. Prime the fuel system.
  82. 55.1. Cycle the ignition ON for 5 seconds then OFF for 10 seconds. Repeat cycling twice.
    55.2. Crank the engine until it starts. The maximum starter motor cranking time is 20 seconds.
    55.3. If the engine does not start, repeat the steps.
  83. Perform the Crankshaft Position System Variation Learn procedure. Refer to Crankshaft Position System Variation Learn.