GM Service Manual Online
For 1990-2009 cars only
Makes
🢒
Saturn
🢒
2008
🢒
VUE - FWD
🢒
Diagnostic Navigation
🢒
Vehicle Diagnostic Information
🢒 Door Lock/Indicator Schematics
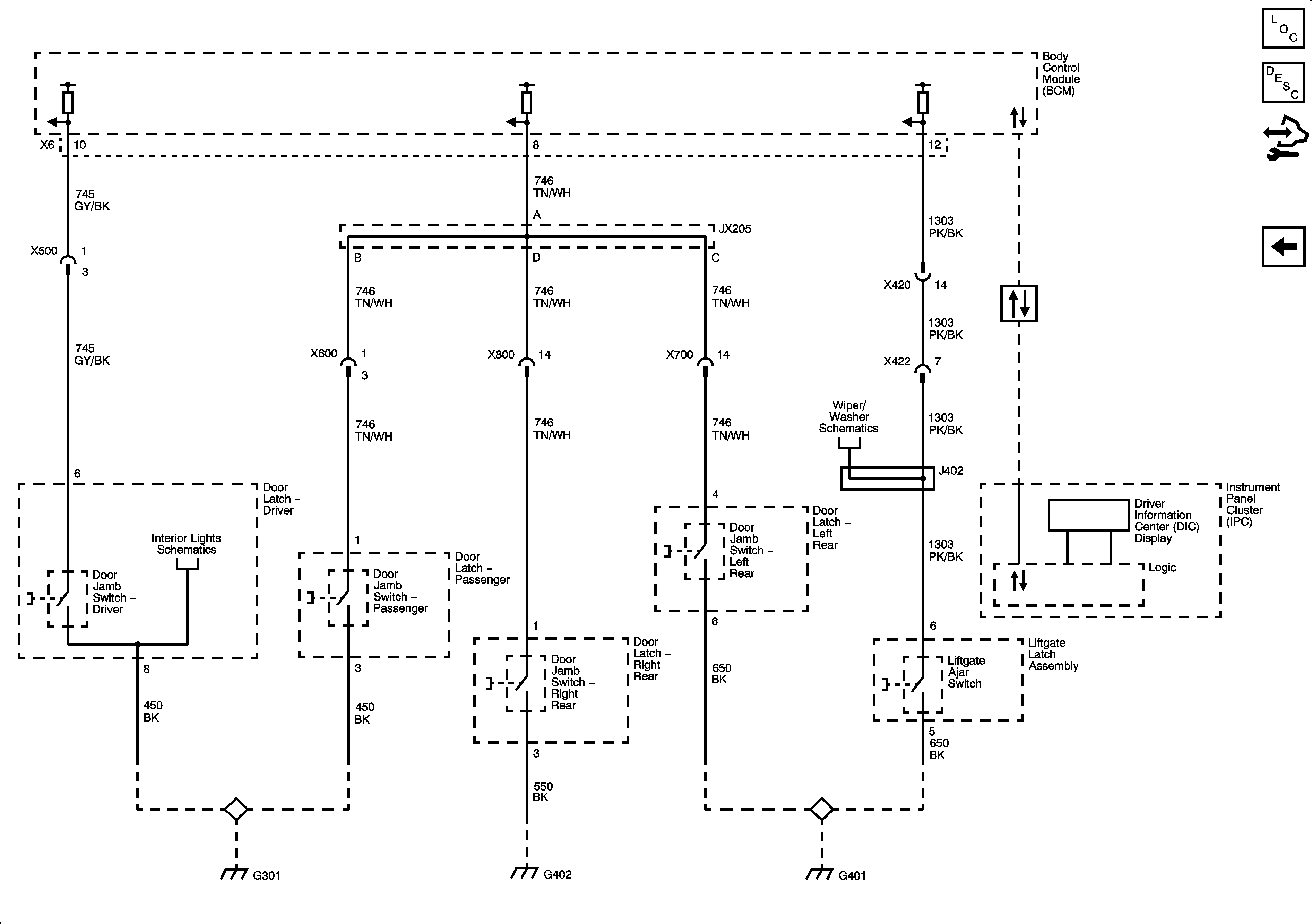
Figure
1:
Driver Door Locks
Master Electrical Component List
Power Door Locks Description and Operation
Control Module References
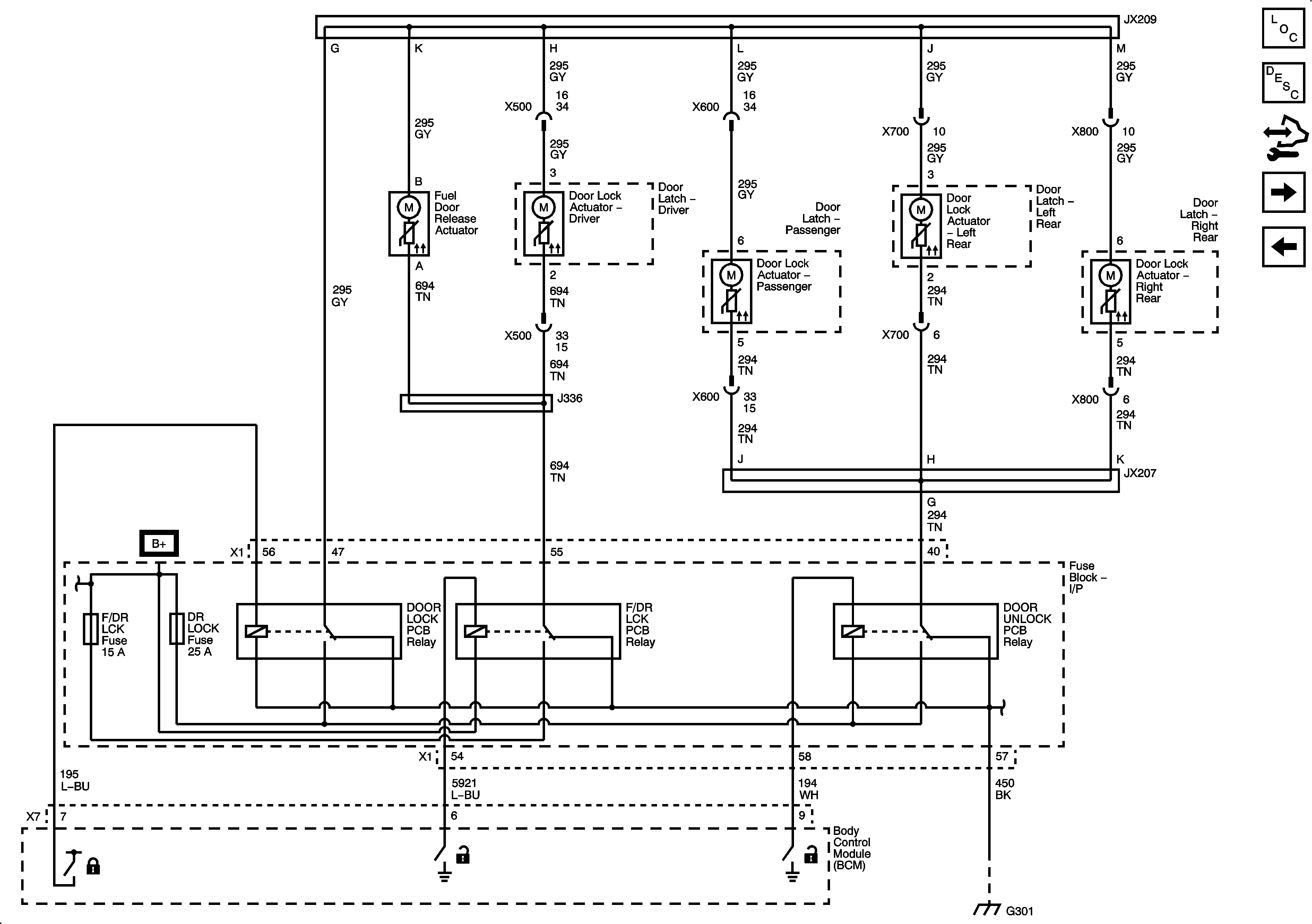
Door Lock Actuators
Figure
2:
Door Lock Actuators
Master Electrical Component List
Power Door Locks Description and Operation
Control Module References
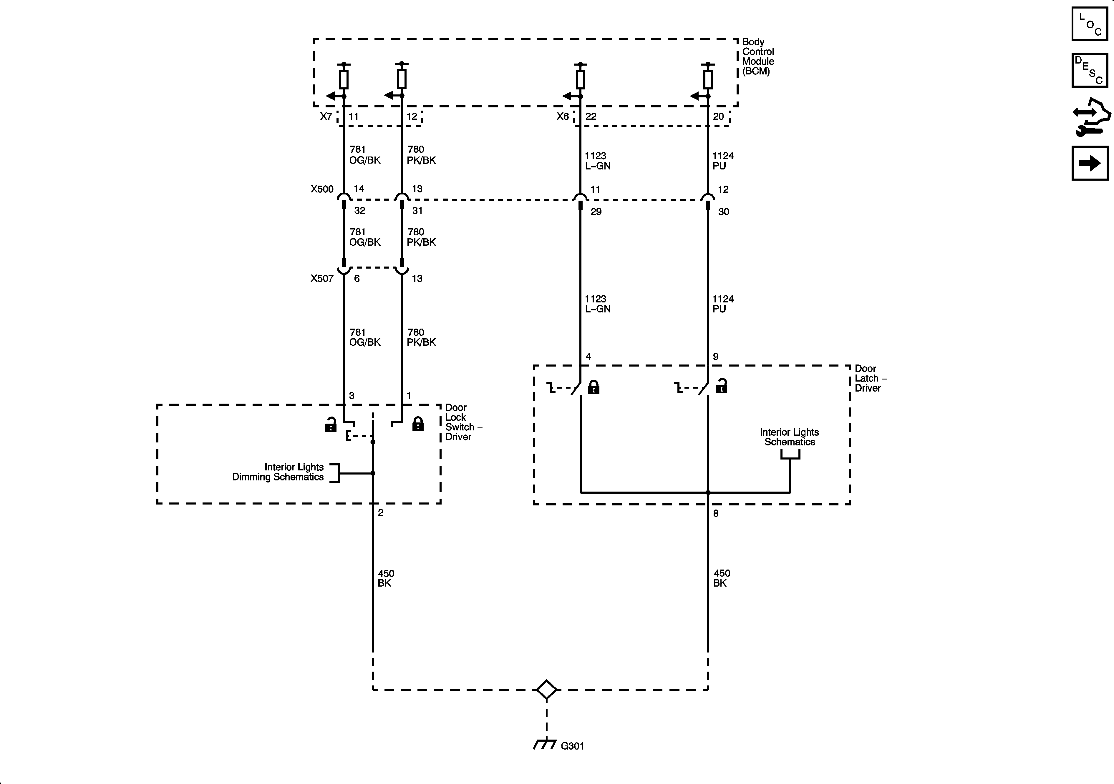
Door Lock Indicators
Driver Door Locks
Figure
3:
Door Lock Indicators
Master Electrical Component List
Power Door Locks Description and Operation
Control Module References
Door Lock Actuators