GM Service Manual Online
For 1990-2009 cars only
Makes
🢒
Saturn
🢒
2008
🢒
VUE - FWD
🢒
Diagnostic Navigation
🢒
Vehicle Diagnostic Information
🢒 Radio/Navigation System Schematics
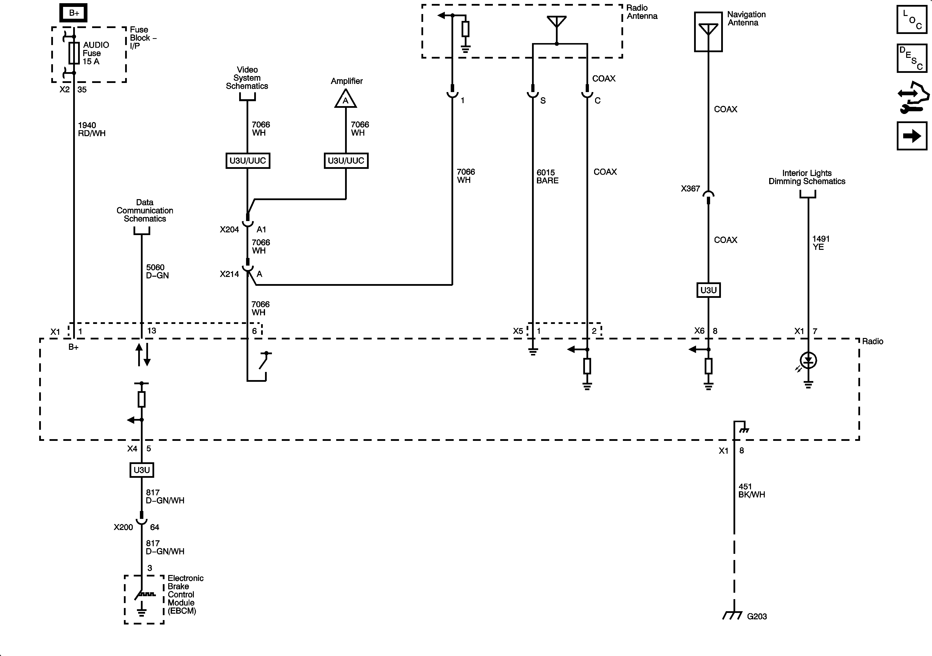
Figure
1:
Radio
Master Electrical Component List
Radio/Audio System Description and Operation
Control Module References
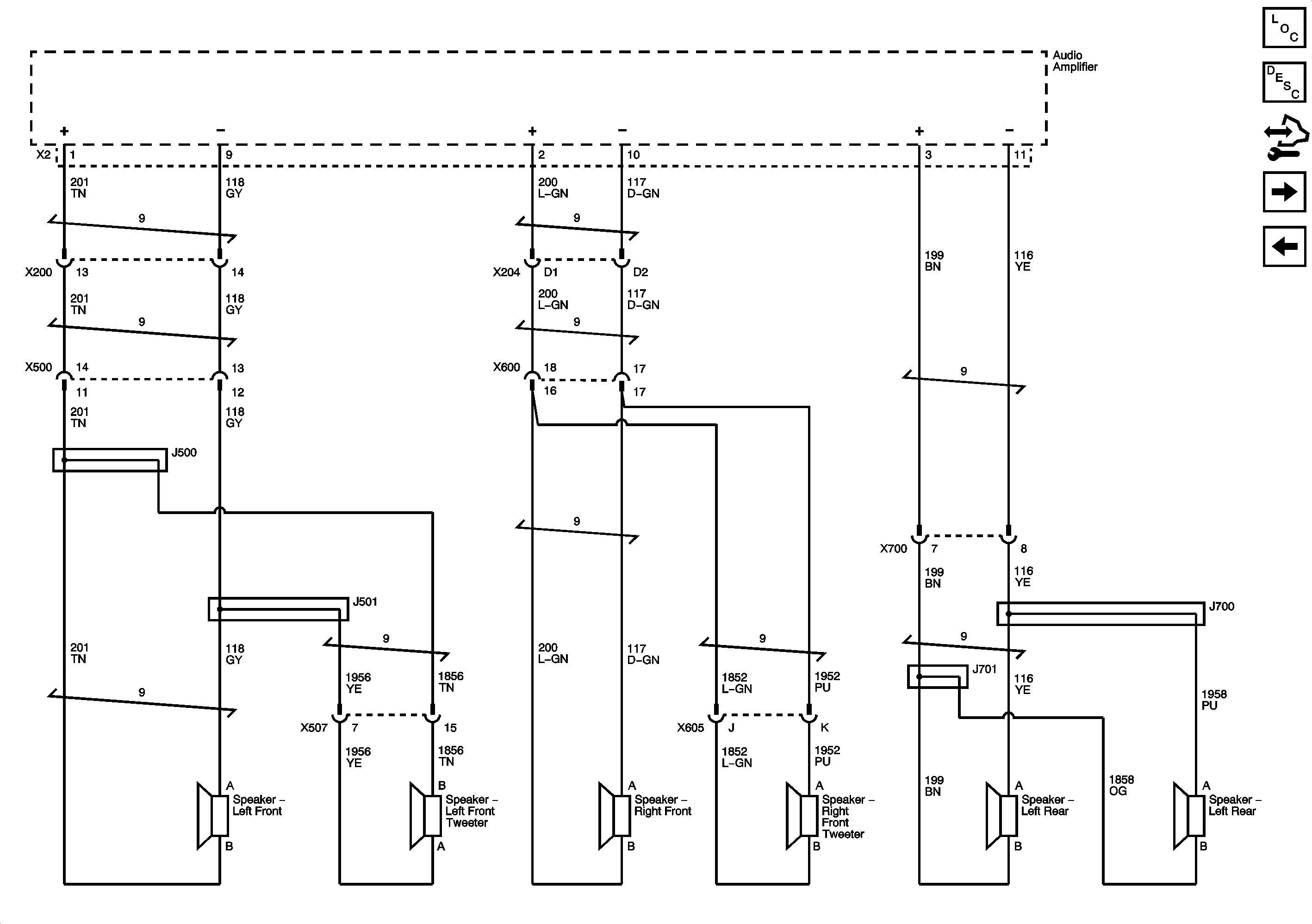
Speakers (UW6)
Figure
2:
Speakers (UW6)
Master Electrical Component List
Radio/Audio System Description and Operation
Control Module References
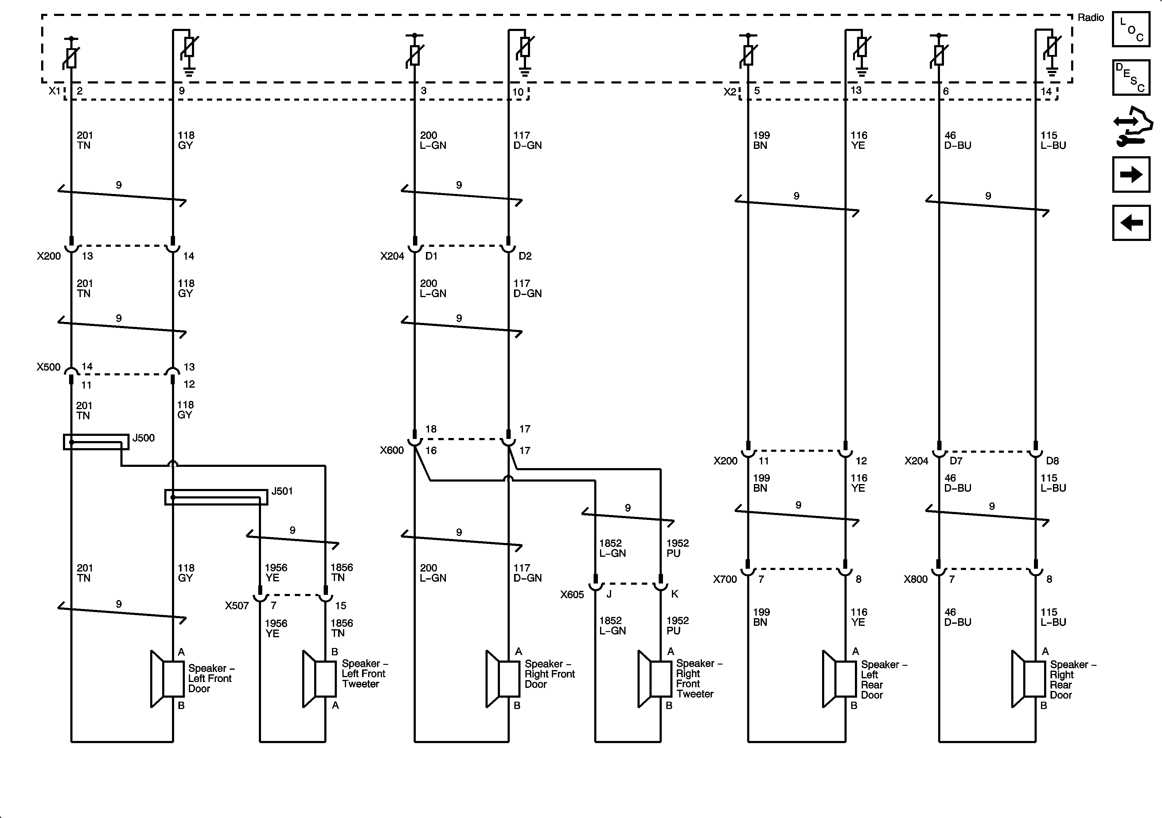
Speakers (U61) 1 of 2
Radio Schematics
Figure
3:
Speakers (U61)
Master Electrical Component List
Radio/Audio System Description and Operation
Control Module References
Speakers (U61) 2 of 2
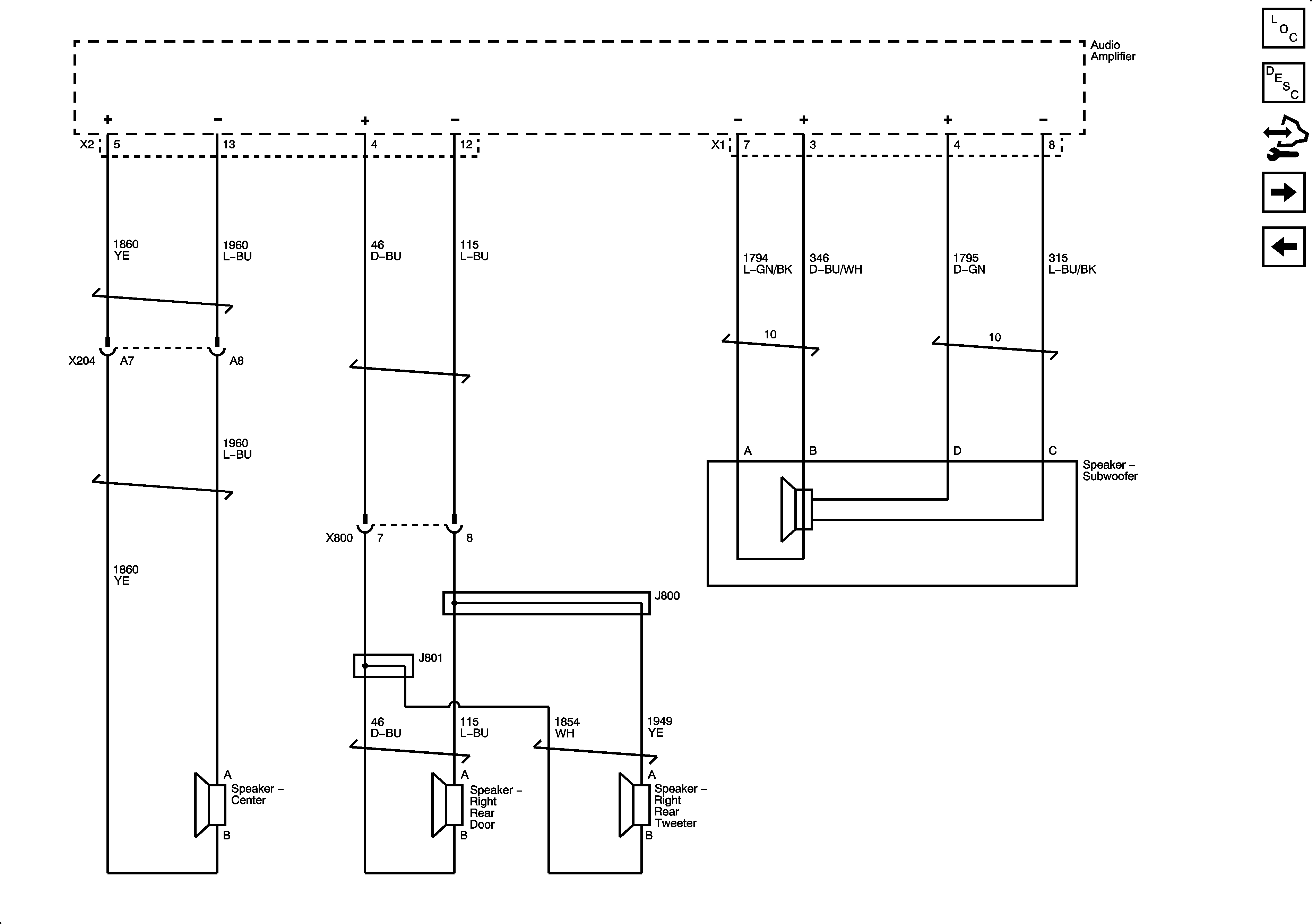
Speakers (UW6)
Figure
4:
Speakers (U61) 2 of 2
Master Electrical Component List
Radio/Audio System Description and Operation
Control Module References
Audio Amplifier
Speakers (U61) 1 of 2
Figure
5:
Audio Amplifier
Master Electrical Component List
Radio/Audio System Description and Operation
Control Module References
Rear Seat Audio
Speakers (U61) 2 of 2
Figure
6:
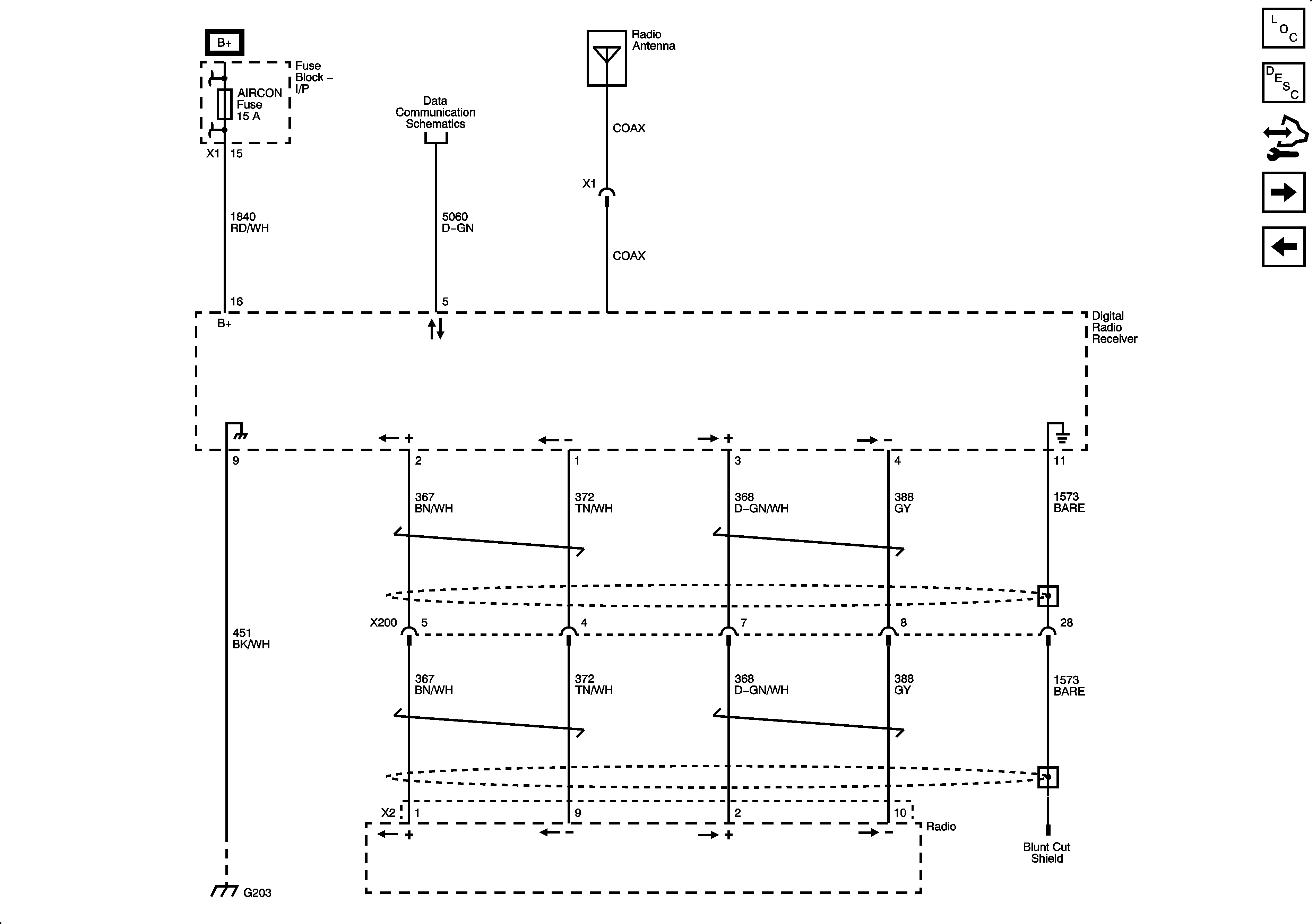
Digital Radio
Master Electrical Component List
Radio/Audio System Description and Operation
Control Module References
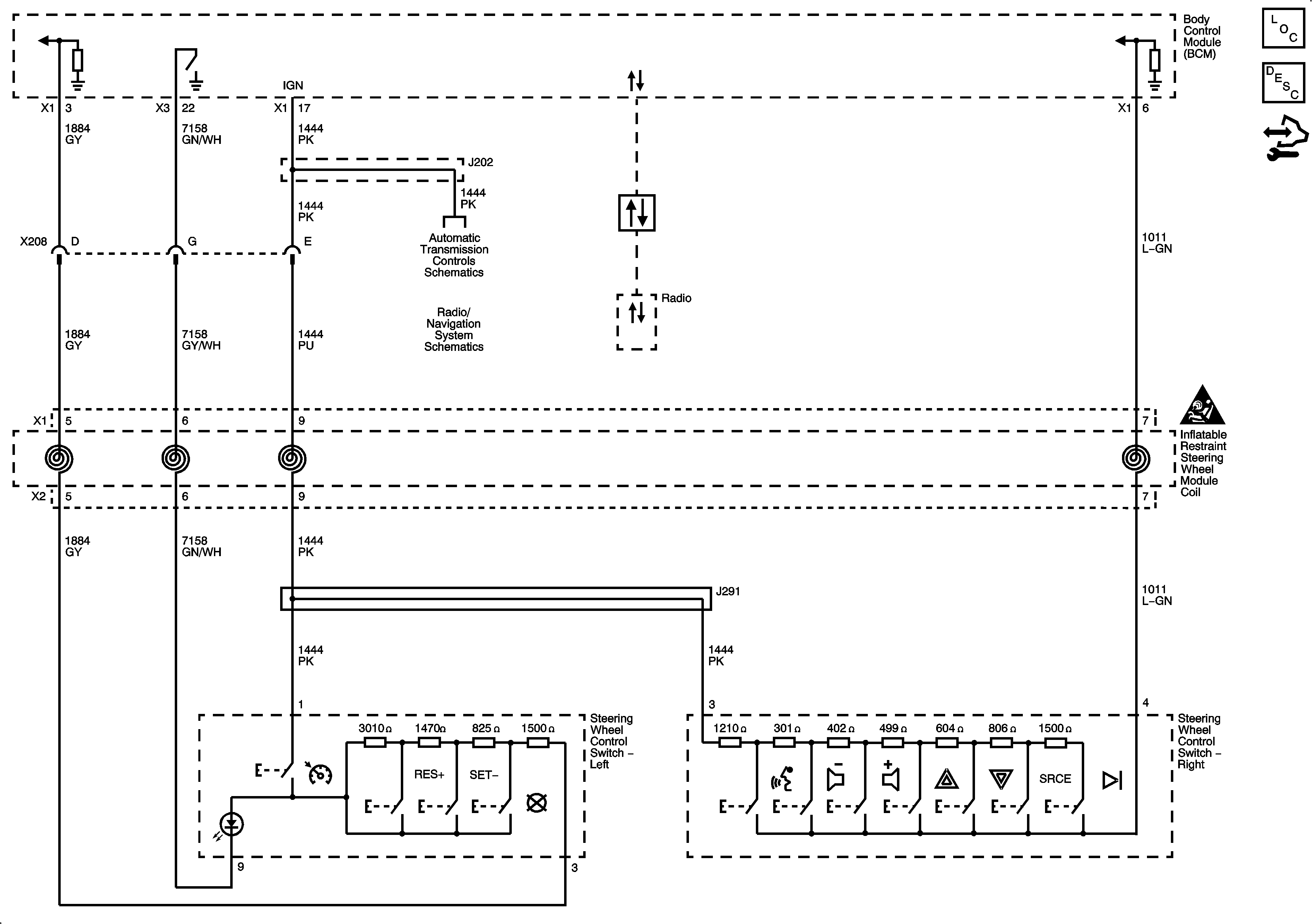
Steering Wheel Controls
Rear Seat Audio
Figure
7:
Steering Wheel Controls
Master Electrical Component List
Steering Wheel Controls Description and Operation
Control Module References
Digital Radio